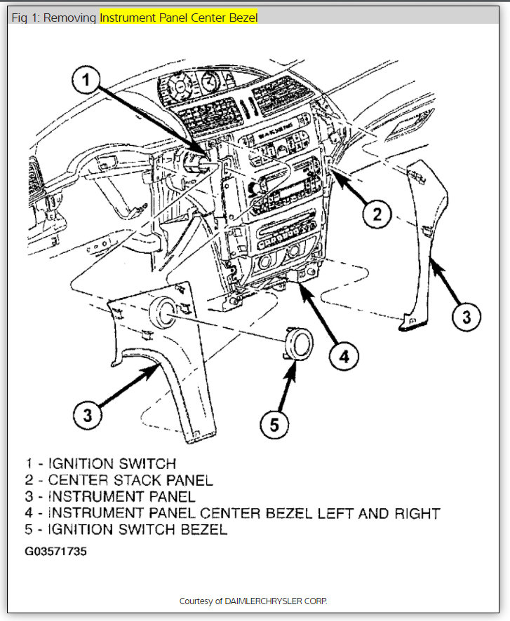
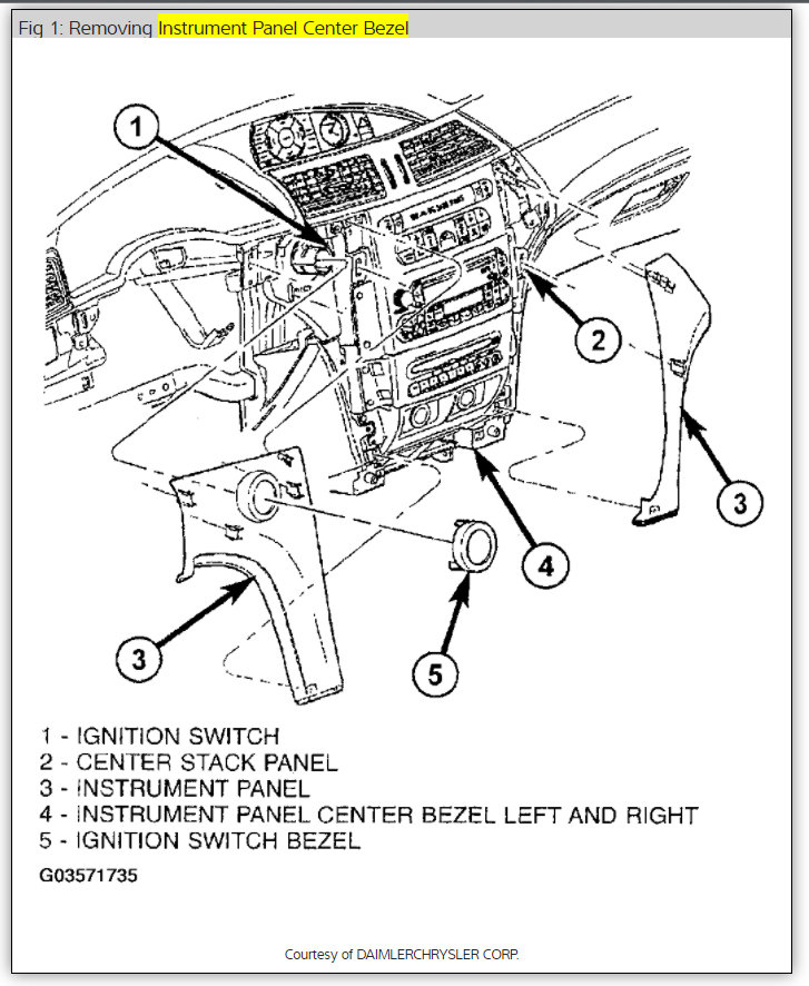
The area where the right passenger airbag is located is separating from the wood trim. It is as if the air bag has expanded or the dash wasn't cut long enough. Any ideas on how to fix? I have a new dashboard and want to install it.
Jan 4, 2011 at 2:47 AM











