Turn signal not flashing after replacing the multifunction lever

2004 CHEVROLET IMPALA
80,000 MILES • 3.8L • V6 • TURBO • 2WD • AUTOMATIC
Avatar
CNSNTDOM1
  • MEMBER
  • 1 POST
Car listed above is an SS model. Turn signal multifunction lever broke so went to junk yard and bought one from the same identical car but instead of unlocking wiring harness they just cut the wires. I connected each one by color, but right rear blinker doesn't blink in hazard mode or in turn signal. I wanted to see if anyone had an image of the harness and colors of what each wire goes to?
Oct 10, 2021 at 7:52 PM
Advertisement
Avatar
KASEKENNY
  • CERTIFIED EXPERT
  • 18,907 POSTS
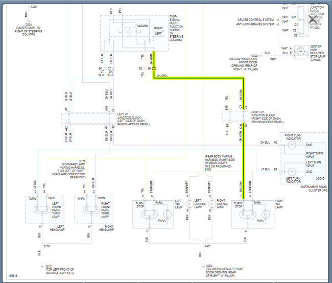
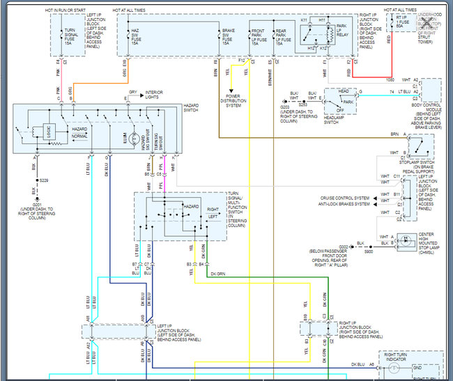
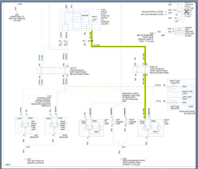
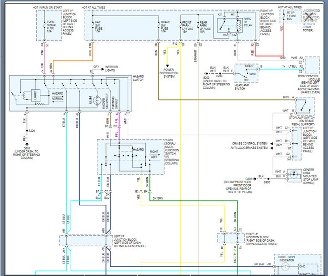
I am attaching the wiring diagram below but as long as the wires are connected properly, and the blinker was working prior to this then you have a switch issue.

Take a look at the wiring diagram and you can confirm this by checking for voltage coming out of this terminal at the connector for the switch and if you have no voltage when the turn signal is on then the switch is the issue.

https://www.2carpros.com/articles/how-to-check-wiring

Unfortunately, this is common on salvage yard parts. We assume they are okay, but we have no idea what we are getting when we get them.

Please see the wiring diagram below and let us know if you have other questions. Thanks
Oct 11, 2021 at 2:51 PM