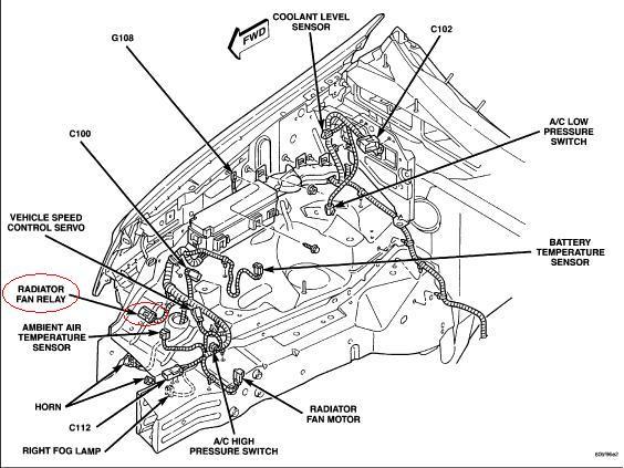
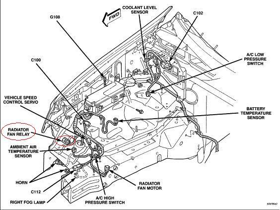
my car will over heat with a/c on, i've tested the fan and will replace it along with the pwm fan relay. i cannot locate the pwm behind the rs passenger headlite, i have also been told its in the power dist. box under the hood on the passenger side. is it the hi speed and low speed relays, in the dist. box. i am just confused. I went to the auto parts store asked about the pwm relay and there is one for it ? they say. i have taken the front bumper cover off, cant finf pwm relay. Is it attached to the frame rail in that area ?
Aug 20, 2012 at 10:31 PM


