ac drain tube location I need to unclog it

2005 BUICK LESABRE
Avatar
RICBAIR
  • MEMBER
  • 1 POST
Where is the ac drain tube for my car?
Jul 19, 2011 at 7:53 PM
Advertisement
Avatar
STRAILER
  • CERTIFIED EXPERT
  • 53,855 POSTS
The evaporator drain or condensation tube is located at the lower bend of the firewall near the engine under the evaporator case on the outside. This tube is used to remove water from the air conditioner and when it plugs water can get inside you car. This video will show you how to find and unclog it.

https://youtu.be/q9_MZiS2_NE

Let us know what happens and please upload pictures or videos of the problem.
Oct 20, 2017 at 3:26 PM
Avatar
TIMOTHY68
  • MEMBER
  • 2 POSTS
Air conditioner is draining in the floor instead of under the car.
Mar 22, 2021 at 1:31 PM (Merged)
Advertisement
Avatar
WRENCHTECH
  • CERTIFIED EXPERT
  • 20,761 POSTS
That means either the case is broken or the drain is plugged. You will have to locate the drain under the car and clean it out with either a coat hanger or compressed air. Don't be too rough with a coat hanger or you could puncture the evaporator.
Mar 22, 2021 at 1:31 PM (Merged)
Avatar
TIMOTHY68
  • MEMBER
  • 2 POSTS
Where is the drain line located under the car, I can't see any specific line any where?
Mar 22, 2021 at 1:31 PM (Merged)
Avatar
WRENCHTECH
  • CERTIFIED EXPERT
  • 20,761 POSTS
It will be a small round pipe protruding through the firewall. They can be difficult to locate on some cars.
Mar 22, 2021 at 1:31 PM (Merged)
Avatar
NICKY SNYDER
  • MEMBER
  • 2 POSTS
As I was unclogging my air conditioner drain tube last year, I accidentally pulled it off and was not able to put it back on. I went looking for it this year and can't find it. How important is this part?
Mar 22, 2021 at 1:31 PM (Merged)
Avatar
ASEMASTER6371
  • CERTIFIED EXPERT
  • 52,796 POSTS
Good evening,

It helps to keep out dirt and debris from the outside getting into the evaporator assembly. It should be replaced. You can get the part at a GM dealership parts department and install it your self.

Roy
Mar 22, 2021 at 1:31 PM (Merged)
Avatar
NICKY SNYDER
  • MEMBER
  • 2 POSTS
Thanks!
Mar 22, 2021 at 1:31 PM (Merged)
Avatar
JF12345
  • MEMBER
  • 1 POST
my drain hole for the ac evaporator is clogged...where is is located on the firewall?
Mar 22, 2021 at 1:31 PM (Merged)
Avatar
DOCFIXIT
  • CERTIFIED EXPERT
  • 18,828 POSTS
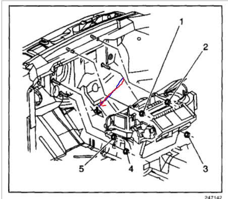
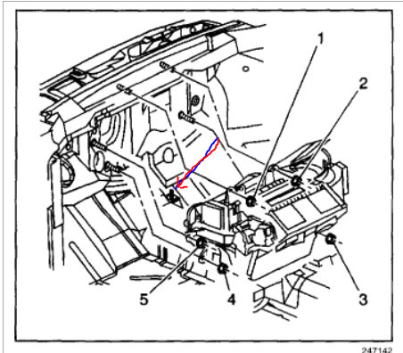
The drain is located under the car on the passenger side down by the firewall where it meets the floor pan, here is a diagrams of above the drain look under the car and a video to help you find it

https://youtu.be/q9_MZiS2_NE

Check out the diagrams (Below). Please let us know if you need anything else to get the problem fixed.

Cheers
Mar 22, 2021 at 1:31 PM (Merged)
Avatar
ROGERG1950
  • MEMBER
  • 1 POST
My car is dripping water on the passenger side carpet. I checked and its just water, not antifreeze. Is there a drain hole stopped up? Can I unplug it myself?

Thanks
Mar 22, 2021 at 1:32 PM (Merged)
Avatar
JDL
  • CERTIFIED EXPERT
  • 16,098 POSTS
Yes. it could be your ac drain. You could remove blower motor, see if you could reach the drain and clean it out. Also, you might be able to reach the drain from underneath, but, I think cleaning it out from the top would be best, that way you could clean out the bottom of housing, also.

Another thought, if you've had rain lately or been through the car wash, maybe the windshield or vehicle body has a leak.

I realize this is an old post. In the future hope you don't have any vehicle issues, but, if you do, keep the site in mind. They are always working to improve the site and it's free to ask a question. They have more moderators now, no question should go unanswered.

Mar 22, 2021 at 1:32 PM (Merged)
Avatar
EVILANGELIZZIE
  • MEMBER
  • 1 POST
Where under the car should i look? What does it look like?
Mar 22, 2021 at 1:32 PM (Merged)
Avatar
STRAILER
  • CERTIFIED EXPERT
  • 53,855 POSTS
Here is a video to help you find the AC drain tube and how to unclog it.

https://youtu.be/q9_MZiS2_NE

Please let us know what you find.
Mar 22, 2021 at 1:32 PM (Merged)
Avatar
B VANDERWAGEN
  • MEMBER
  • 1 POST
I need location (diagram) of the A/C drain hose on a 1999 Buick Lasabre. Leaking on front drivers side and needs changing.
Mar 22, 2021 at 1:32 PM (Merged)
Avatar
SATURNTECH9
  • CERTIFIED EXPERT
  • 30,869 POSTS
The a/c drain should be on the firewall in the engine compartment about half way down towards the middle.Sounds like its clogged and the a/c box is overflowing from the a/c condensation not draining out.
Mar 22, 2021 at 1:32 PM (Merged)
Avatar
MARKCARLSON
  • MEMBER
  • 1 POST
I have clear water running down into the floorboards of the passenger side from time to time. No rain in weeks. Trying to roust a mouse out of the ar with a wire under the dash and think I knocked the tube loose.
Mar 22, 2021 at 1:32 PM (Merged)
Avatar
CARADIODOC
  • CERTIFIED EXPERT
  • 34,308 POSTS
The drain hose is on the outside, on the front of the firewall under the hood. More likely that varmint built a nest and plugged the drain port. Look for that drain hose on the passenger side, squeeze the wire ring holding it on, pull it off, then stick a pencil into the tube to dislodge the debris. Normally the junk will wash out with the built-up water, but if it's a mouse nest, you might need more drastic measures to clear it all out. You might try fashioning an attachment you can connect to a vacuum cleaner hose.
Mar 22, 2021 at 1:32 PM (Merged)