Water pump replacement

2005 CHEVROLET CAVALIER
Avatar
IMANDEY
  • MEMBER
  • 1 POST
I need to replace the water pump in it. Can you tell me where it is located and what I need to do? I have friends who are willing to do it for $150 but figured it's cheaper to do it myself. I'm not a pro obviously, I can't even find where it's located nor do I know what to do.. Please help!!
Oct 20, 2013 at 11:34 AM
Advertisement
Avatar
SATURNTECH9
  • CERTIFIED EXPERT
  • 30,869 POSTS
Hello,

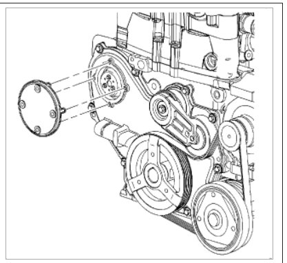
Here is a guide to help you step by step with instructions in the diagrams below to show you how on your car.

https://www.2carpros.com/articles/water-pump-replacement

Here are diagrams to show you what it will be like for you in your car. Check out the diagrams (Below) Please let us know if you need anything else to get the problem fixed.
Oct 20, 2013 at 1:24 PM
Avatar
MONICA MCCLENDON
  • MEMBER
  • 1 POST
But need a tool to hold the timing chain in place to keep it from going into the motor. It is a 2003 Chevy cavalier 2.2l motor 4 cylinder and we are trying to change the water pump out but need the tool to hold the timing chain but don't nobody know whats the name of the tool to keep the chain from going into the motor.
Dec 13, 2019 at 6:24 PM (Merged)
Advertisement
Avatar
FIXITMR
  • CERTIFIED EXPERT
  • 9,990 POSTS
coat hanger?
Dec 13, 2019 at 6:24 PM (Merged)
Avatar
FIXITMR
  • CERTIFIED EXPERT
  • 9,990 POSTS