Brake, Dash, and parking lights not working

2005 CHEVROLET EQUINOX
145,000 MILES
Avatar
RBF2269
  • MEMBER
  • 1 POST
My dash lights, brake lights, parking lights, and fog lights are not working. The head lights, interior lights, and turn signals front and back are working. Is it all on the same fuse and which one is it then?
Aug 2, 2013 at 9:54 PM
Advertisement
Avatar
STRAILER
  • CERTIFIED EXPERT
  • 53,855 POSTS
Hello,

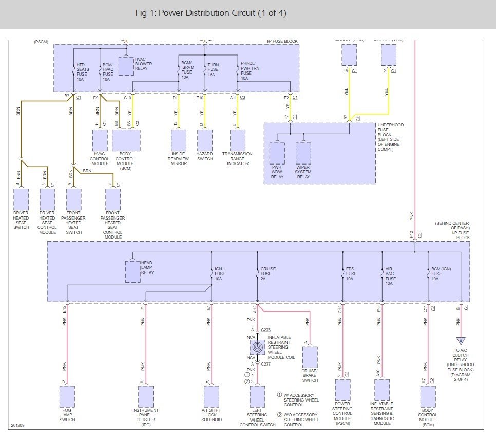
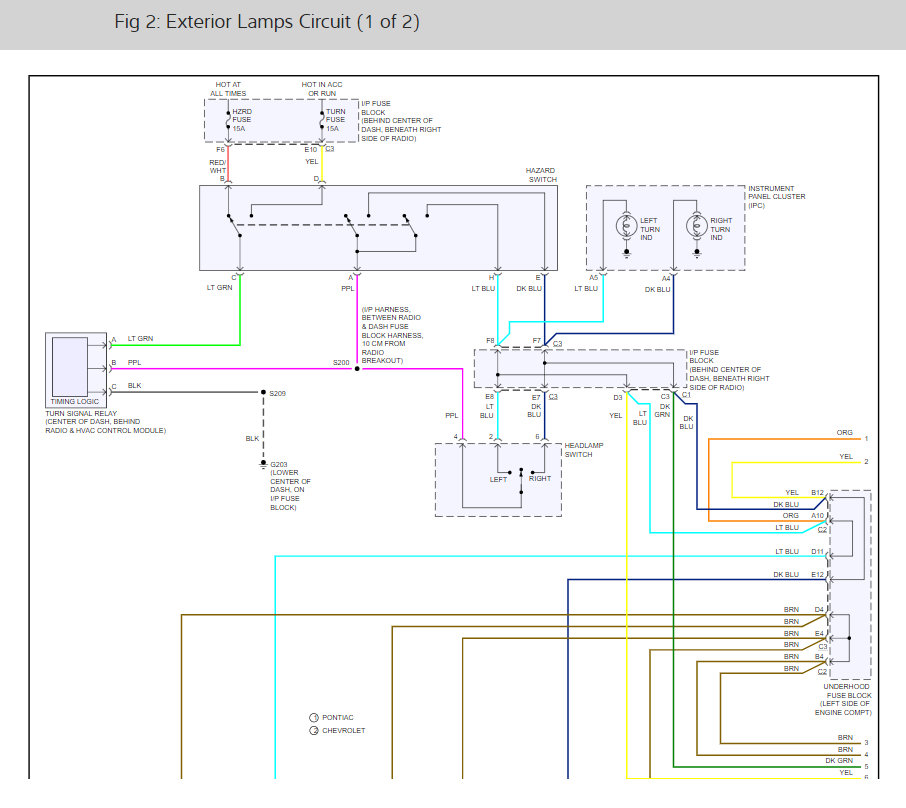
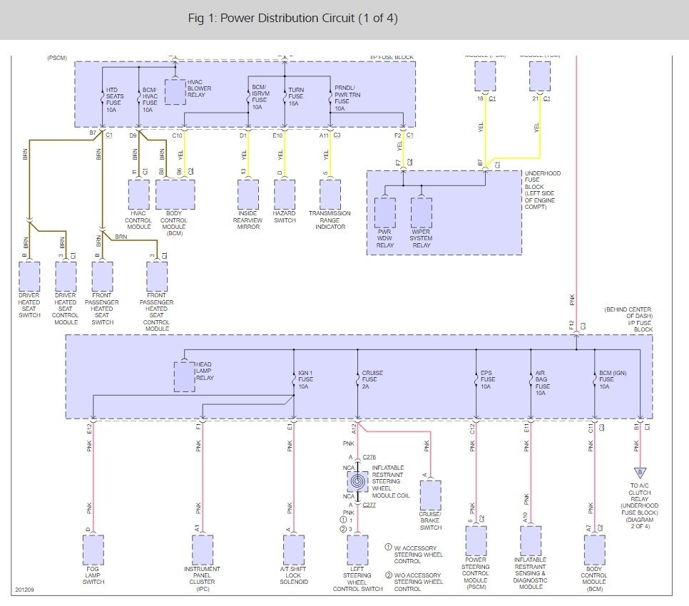
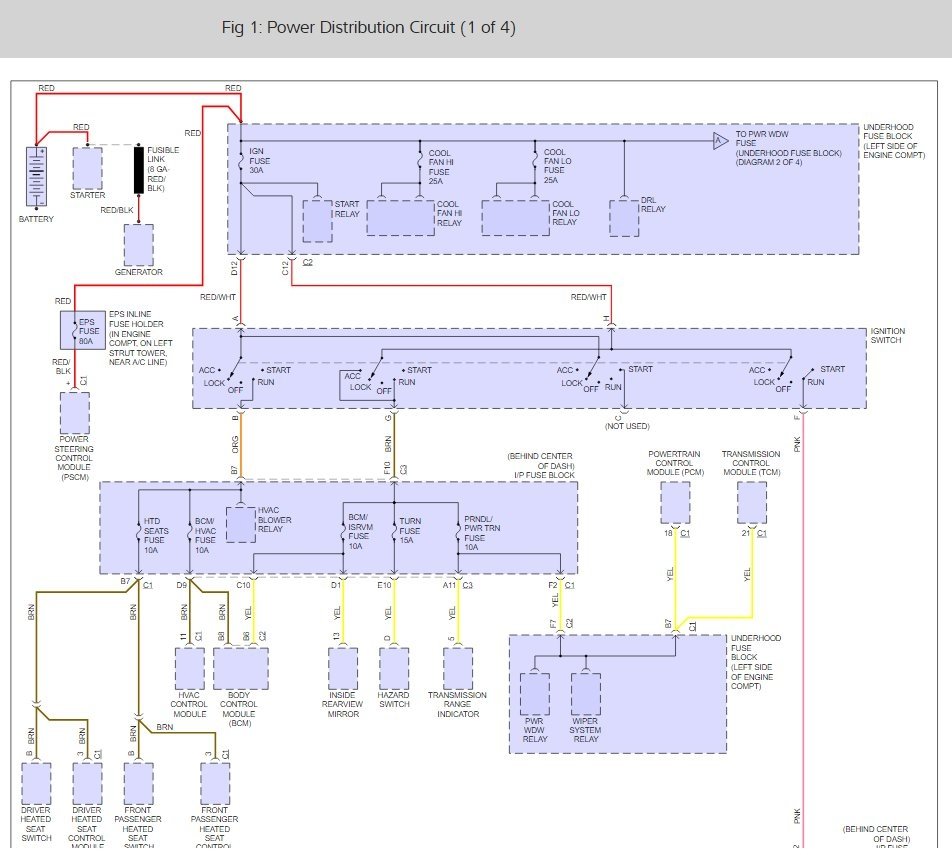
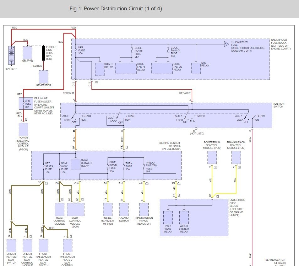
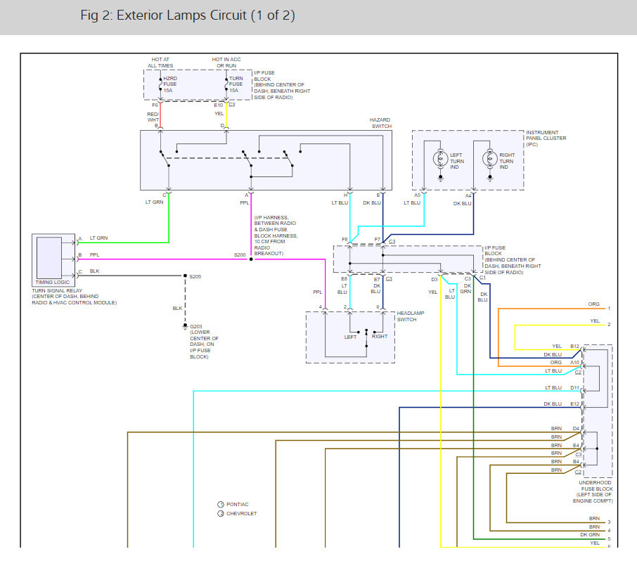
Two things come to mind, the first is the ignition switch has lost the power output to power the shared circuit that runs those items, or the BCM has gone out, here is a guide and wiring diagrams (below) to you can do some testing to see what is not getting power.

https://www.2carpros.com/articles/how-to-use-a-test-light-circuit-tester

and

https://www.2carpros.com/articles/how-to-check-wiring

Please run some tests and get back to us so we can continue helping you.

Cheers, Ken
Jun 16, 2017 at 7:34 PM
Avatar
OLEDANTUCKER65
  • MEMBER
  • 1 POST
I have a similar problem. My dash lights and running light are out but my brakes still work. I thought it was probably a bulb but after replacing them both I still have neither.
Feb 28, 2020 at 7:01 AM
Advertisement
Avatar
STRAILER
  • CERTIFIED EXPERT
  • 53,855 POSTS
it sounds like the tail light relay or the brake/hazard fuse is out. here is the wiring diagrams so you can see how the system works and a guide to check the relay with the relay and fuse locations as well:

https://www.2carpros.com/articles/how-to-check-an-electrical-relay-and-wiring-control-circuit

Check out the diagrams (below). Please let us know what you find. We are interested to see what it is.
Feb 28, 2020 at 10:05 AM