daytime running lights not working

2005 CHEVROLET SILVERADO
235,000 MILES • 5.3L • V8 • 4WD • AUTOMATIC
Avatar
BOOTD
  • MEMBER
  • 2 POSTS
the daytime running lights do not work. bulbs are good and the fuses are good.
Jun 29, 2014 at 10:48 AM
Advertisement
Avatar
HMAC300
  • CERTIFIED EXPERT
  • 48,601 POSTS
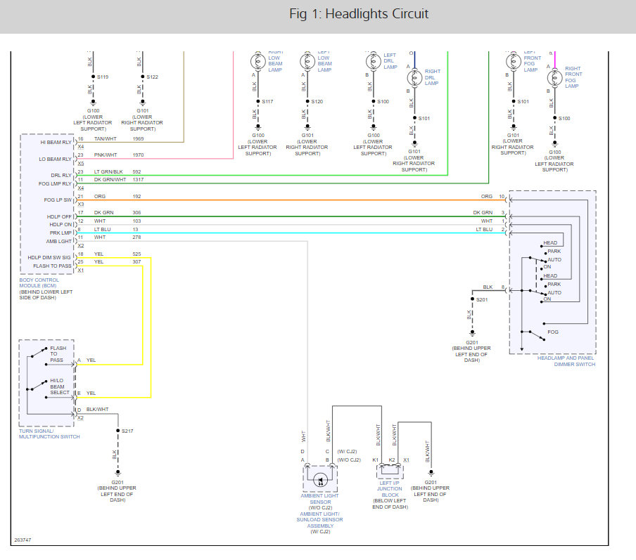
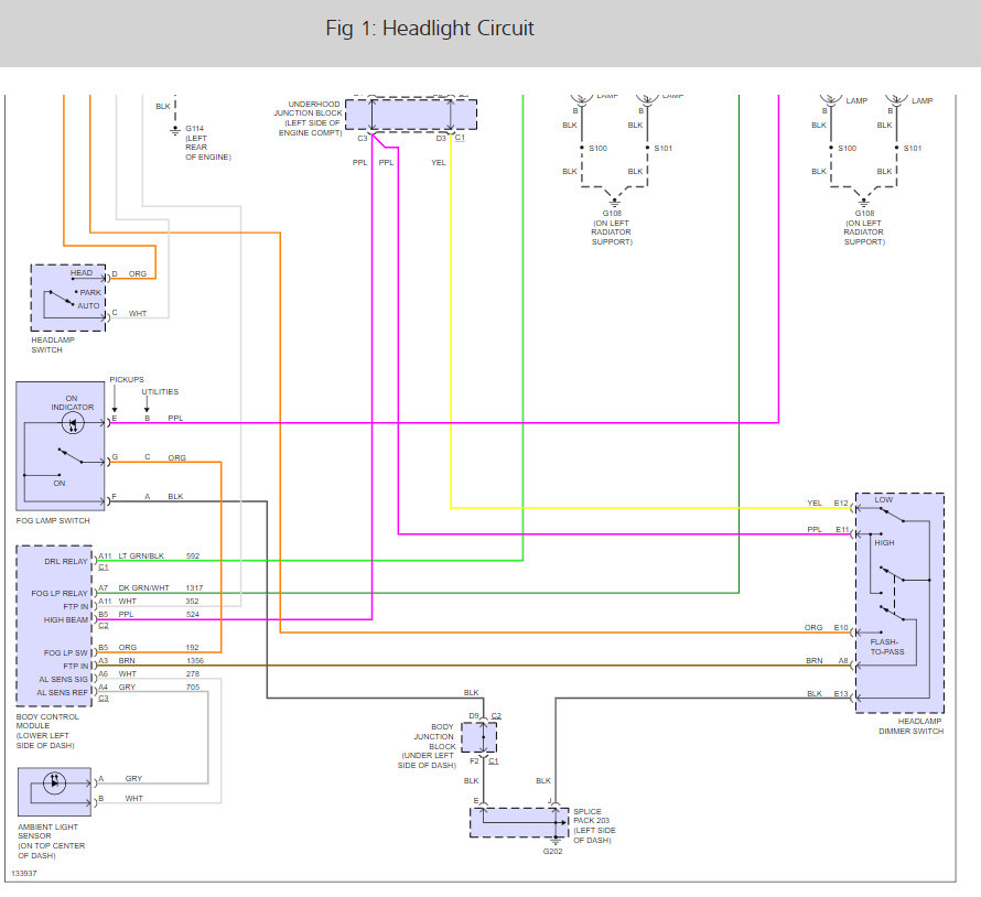
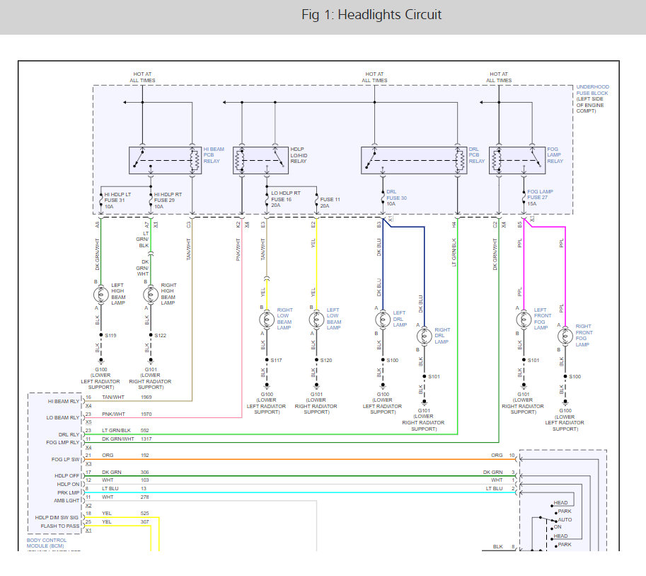
check relay under hood as well as fuse if you didn't already check that. switch relay with a like relay.it will be marked on fuse box cover. Here is a guide to help test it and the headlight and DRL wiring diagrams so you can see how the system works:

https://www.2carpros.com/articles/how-to-check-an-electrical-relay-and-wiring-control-circuit

Check out the diagrams (below). Please let us know what happens.
Jun 29, 2014 at 11:08 AM
Avatar
BOOTD
  • MEMBER
  • 2 POSTS
wouldn't the fuse blow before the relay went bad?
Jun 29, 2014 at 11:18 AM
Advertisement
Avatar
HMAC300
  • CERTIFIED EXPERT
  • 48,601 POSTS
not necessarily the relay gets it s' power from another source so when you hit the switch you just activate the relay so it may not be activating or wher eit plugs into fuse box may be corroded.
Jun 29, 2014 at 11:21 AM
Avatar
STEERMAN1724
  • MEMBER
  • 2 POSTS
The Daytime Running Lights will not come on during the day. I have checked all fuses both in the inside and inderhood boxes. The headlights come on both day and night as well as the dash lights stay on and work with the dimmer. I have tried it with the truck parked and the parking brake off as well as driving down the road. What can i do to isolate the problem.
Dec 18, 2019 at 10:42 AM (Merged)
Avatar
DOCFIXIT
  • CERTIFIED EXPERT
  • 18,828 POSTS
Under hood relay box find DRL relay swap with fog lamp if it works then replace. If no then BCM is suspect it grounds relay when engine is on.
Dec 18, 2019 at 10:42 AM (Merged)
Avatar
QUAGMIRE86
  • CERTIFIED EXPERT
  • 98 POSTS
Silly question, but did you make sure the DRL bulbs are not burnt out? (At night, the DRL's won't come on. The optical sensor on top of your dash will instruct the BCM to illuminate the Headlamps only. If the DRL bulbs both burn out, and it is daylight, you won't have running lights while in gear). If you have already confirmed the bulbs status, disregard.
Dec 18, 2019 at 10:42 AM (Merged)
Avatar
STEERMAN1724
  • MEMBER
  • 2 POSTS
Ok if the bulbs were burnt out (which thy arent) and the system was working wouldn't the headlights NOT come on? My headlights are staying on and the non-burnt out daytime running light are not coming on. The dash lights staying on indicates to me that the system is never switching to DRL mode.
Dec 18, 2019 at 10:42 AM (Merged)
Avatar
GREGHZL
  • MEMBER
  • 1 POST
My dtrl will not come on but my headlights will There on all the time instend of the day time running light. I can turn on and off the headlights from the switch, HELP!!!!!!!!!!!!
Dec 18, 2019 at 10:43 AM (Merged)
Avatar
GM4YRS
  • MEMBER
  • 5 POSTS
on 2000 + silverados, you can push the dome override 3-4 times and you will hear a chime. this will switch your lights off. Repeat this to return to headlights. Read your owners manual for more info. On 99 silverados, this will not work. Also, look on the dash, middle defrostor vent, for a black dome. Make sure a dash mat is not covering that. If covered, the sensor will think it's dark outside.
Dec 18, 2019 at 10:43 AM (Merged)
Avatar
ROCKWOOD84
  • CERTIFIED EXPERT
  • 103 POSTS
there is a fuse for the drl lights but if the headlights are on the drl won't be if the sensor on the top of the dash is covered up then the lights will stay on.
Dec 18, 2019 at 10:43 AM (Merged)
Avatar
BABYDOLL33X1
  • MEMBER
  • 1 POST
My daytime running lights will not work. I have changed plug, bulbs and fuse.
Dec 18, 2019 at 10:43 AM (Merged)
Avatar
MERLIN2021
  • CERTIFIED EXPERT
  • 17,250 POSTS
Probably the DRL(daytime running light relay) Could be one of 2, new or old style, new style is in the underhood fuse block near the radiator as seen below:


https://www.2carpros.com/forum/automotive_pictures/62217_DRL_relay_1.jpg

Old style is in the convenience center on the left side of the firewall. as seen below:


https://www.2carpros.com/forum/automotive_pictures/62217_old_style_DRL_1.jpg

Check out the DRL wiring diagrams (Below). Please let us know what happens. Cheers
Dec 18, 2019 at 10:43 AM (Merged)
Avatar
BABYDOLL33X1
  • MEMBER
  • 1 POST
thank you very much, great service! It was the relay.
Dec 18, 2019 at 10:43 AM (Merged)
Avatar
DEROGA
  • MEMBER
  • 1 POST
I have a 2000 Chevy Silverado 5.3L 3 door.
The daytime running lights are not working.
The bulbs are good.
All fuses are good and the relays are good.
All other lights work the way they are supposed to.
What am I missing.
Dec 18, 2019 at 10:43 AM (Merged)
Avatar
FASCARS
  • MEMBER
  • 3 POSTS
Read your owners manual, I believe you can program your daytime lights to burn or not burn.
Dec 18, 2019 at 10:43 AM (Merged)
Avatar
CHEVY22
  • CERTIFIED EXPERT
  • 1,375 POSTS
yes you can program them , i think on the left side of the dash near the headlight switch should be a push button , and if i remember right you hit it three times to turn on or off , but if not there may be another problem , sensor on top of the right speaker
jim
Dec 18, 2019 at 10:43 AM (Merged)
Avatar
DUMMY#7
  • MEMBER
  • 1 POST
I have been looking every where online. I have a 2007 Tahoe and the DRL's are not working. Not bulbs, not fuses. Assume the ambient sensor is working because headlights do come on at dark. Yes, car is on, no emergency brake, etc. Can't seem to find the location of the DRL relay or possible Diode to replace. Any help? Thanks
Apr 23, 2020 at 12:02 PM
Avatar
STRAILER
  • CERTIFIED EXPERT
  • 53,855 POSTS
We need to check the DRL relay which is controlled by the BCM. here is a guide to help us and the relay location as well along with the DRL wiring diagrams so you can see how the system works:

https://www.2carpros.com/articles/how-to-check-an-electrical-relay-and-wiring-control-circuit

Check out the diagrams (below). Please let us know what you find. We are interested to see what it is. If the relay is okay the BCM is probably bad.

Apr 25, 2020 at 2:47 PM