Clock is blank

2005 CHEVROLET CORVETTE
11,200 MILES • 6.2L • V8 • 2WD • AUTOMATIC
Avatar
PAUL KEECH
  • MEMBER
  • 13 POSTS
Hi, I had the Navi radio out to install a GM PAL adapter. After installing the clock in the radio is blank. I have read it may need a firmware update or does it take a few hours of driving for the clock to sync? The display comes on fine, When you first start up in nav mode it displays the no GPS flag which goes away in a few miles. I have also taken the PAL unit back out no difference. All functions work except the clock. The Pal adapter GM part 17800593 is a GM kit made for the C6 Corvette. On the Corvette forum more than five people are having the same problem. I took the Nav head out carefully and reinstalled carefully. All of the others say all they did was disconnect the battery. I am wondering if the Nav head has a battery inside that has gone bad? Please help.
Dec 18, 2018 at 9:54 PM
Advertisement
Avatar
STRAILER
  • CERTIFIED EXPERT
  • 53,855 POSTS
If others are having the same issue I would say the PAL unit is causing the issue. We need to scan the CAN to see which module is not working right. Here is a video:

https://youtu.be/InIlnsjOVFA

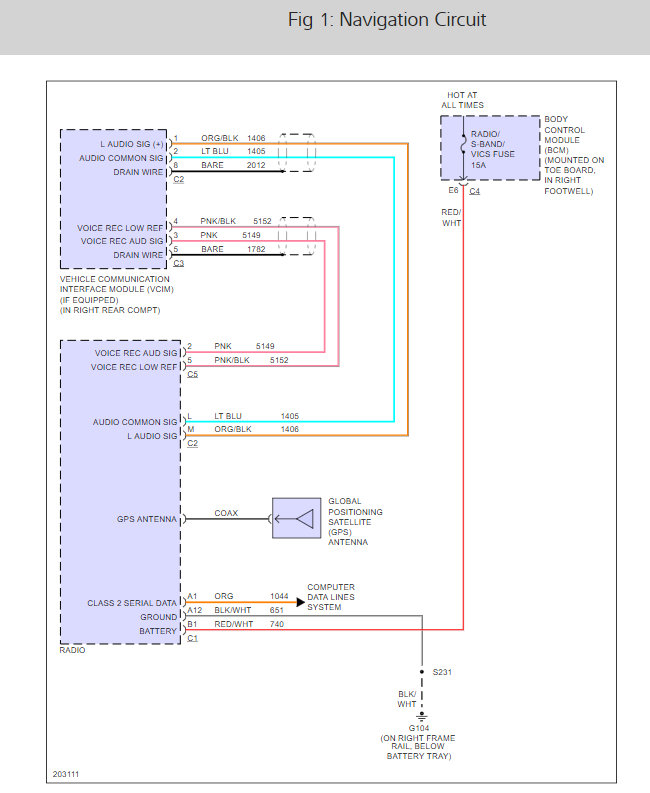
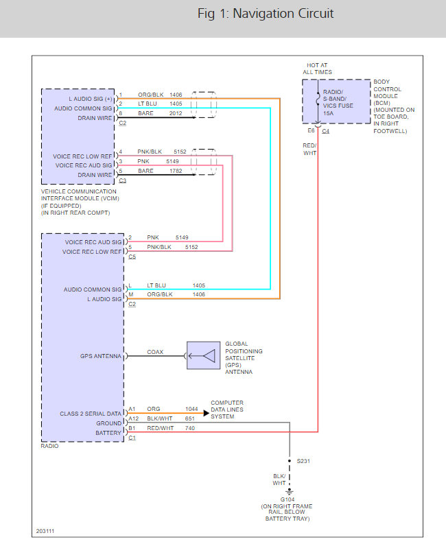
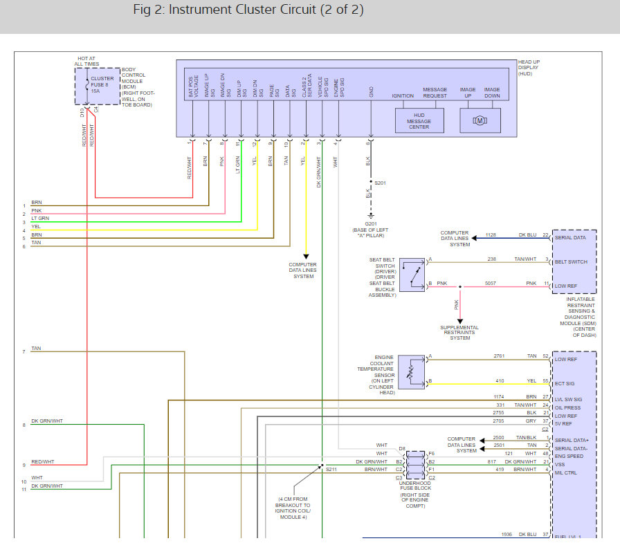
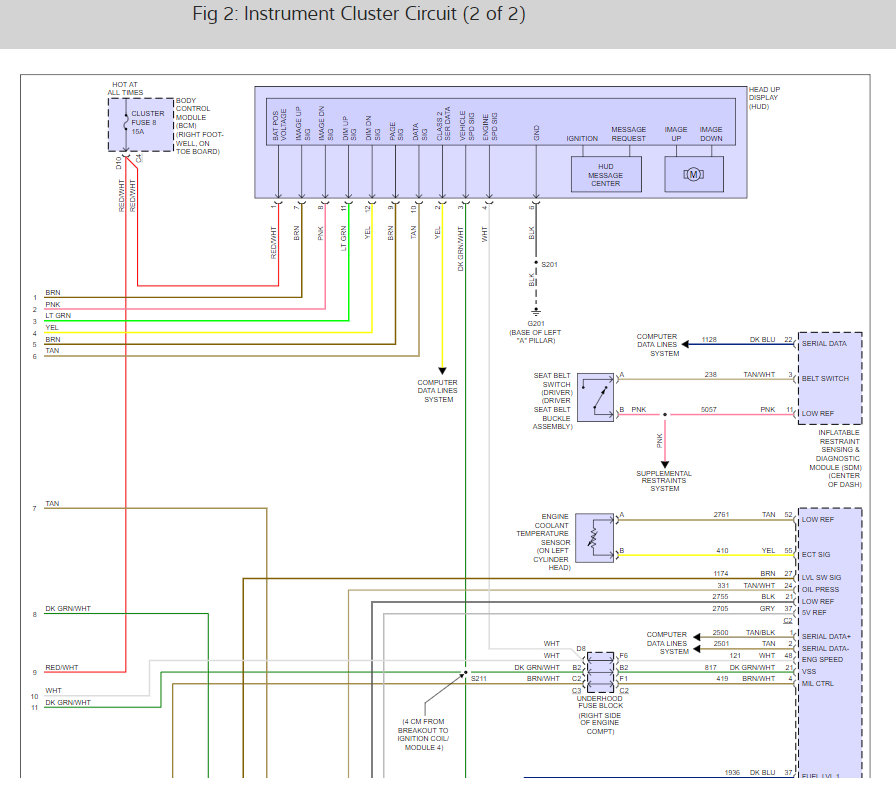
Let's check for power at fuses #8 (cluster) and radio S band fuse. Here is a guide and the fuse location as well below. Also, I have included the instrument cluster and heads up display wiring so you can see how it works.

https://www.2carpros.com/articles/how-to-check-a-car-fuse

Check out the diagrams (below). Please let us know what you find. We are interested to see what it is.
Dec 27, 2018 at 5:32 PM
Avatar
PAUL KEECH
  • MEMBER
  • 13 POSTS
You didn't read my reply or the corvette forum thread! I have removed the PAL and still no clock! 5 or 6 other C6s from 2005-2010 have done nothing more than disconnect the battery and the clock won't come back. If I had blown fuses the Radio wouldn't come back. we are all wondering if the GPS signal changed(unlikely) but there are 6 or 7 of us having this problem after dec 18. The Nav gets its time from military GPS sats. Very strange. 2 people are going to a Chevy dealer in FL tomorrow. Im in CA. so we must be on different satellites. One user went in for warranty work for the headlights, they unhooked the battery and boom No Clock. The PAL unit works just fine as does the AM, FM, XM and CD players. My nav will get me to the correct dest. 35 miles of curvy mountain roads and followed the map just fine.Doesn't lmake sense.
Dec 27, 2018 at 8:31 PM
Advertisement
Avatar
PAUL KEECH
  • MEMBER
  • 13 POSTS
Here is a picture. It won't adjust.
Dec 27, 2018 at 8:51 PM
Avatar
STRAILER
  • CERTIFIED EXPERT
  • 53,855 POSTS
It sounds like the vehicle communication module went out possibly from a voltage surge when connecting the battery but to be sure we should scan the CAN to see if the modules are talking. Here is a video that shows how to do it:

https://youtu.be/InIlnsjOVFA

Let me know what you find.

Dec 28, 2018 at 9:32 AM
Avatar
CBLEWISII
  • MEMBER
  • 2 POSTS
There are multiple Corvettes being affected by this. My 2008's clock went blank last week after it was in the shop and the battery was unhooked. I am in another thread where there are four or five of us that this has happened to within the past two weeks after the battery was unhooked and then re connected. Thinking it might be a satellite issue where it draws the clock info from. GM has been notified by multiple dealerships as of today.
Dec 28, 2018 at 12:42 PM
Avatar
CBLEWISII
  • MEMBER
  • 2 POSTS
Also, a guy in that thread had his working properly and offered to unhook his battery and test it out to see if it would happened to his 2007 also.. He did and it did the exact same thing. It's not a car issue, but is a signal issue it looks like.
Dec 28, 2018 at 12:44 PM
Avatar
PAUL KEECH
  • MEMBER
  • 13 POSTS
If the Communications Module went out we would have a lot more problems than no clock? Wouldn't we? Chevrolet told Corvettezman that the radio is bad. We will see. I ordered a 2011-2013 USB radio for it and a new antenna so we will see. Well there is a dozen of us that unhooked the battery and reconnected it in the last two weeks and no clock returns! Do you actually think that all our radios failed?
Dec 28, 2018 at 5:29 PM
Avatar
STRAILER
  • CERTIFIED EXPERT
  • 53,855 POSTS
I am not sure that why I wanted the CAN scan.
Dec 30, 2018 at 11:36 AM
Avatar
PAUL KEECH
  • MEMBER
  • 13 POSTS
I have R & Red the Nav Antenna so I am sure that if the new antenna acts the same as two used ones its not the antenna! LOL. I have read on navcen.gov that they are implementing changes(new clock signal have already been added) that will be started in April 2019 and may cause trouble on receivers that is firmware is ten years old. hmm 2010 corvette radios were probably made in 2008 or 2009 and may have problematic firmware. Others may start having problems. This may be a signal issue!
Dec 30, 2018 at 12:30 PM
Avatar
PAUL KEECH
  • MEMBER
  • 13 POSTS
It is not the Navi antenna! Tried a new one and two used ones all the same!
Dec 31, 2018 at 8:17 AM
Avatar
PAUL KEECH
  • MEMBER
  • 13 POSTS
Installed a 2012 radio and it all works now. Just got to do the VIN swap.
The jury is still out on it may be in need of a firmware fix. Thanks
Jan 3, 2019 at 9:09 PM
Avatar
MARVIN KLEIN
  • MEMBER
  • 1 POST
The military made a change to the GPS signal on or about 12/13/18. It impacted c6 Corvettes up to the 2010 models for sure. The firmware in the radio will need to be updated once GM has the fix. I opened a ticket with GM and suggest everyone that has this issue does the same. To avoid the problem you can insert a feature saver into your cigarette lighter when you change the car battery. Otherwise you will not be able to set the time until the software is fixed.
Apr 1, 2019 at 8:41 PM
Avatar
STRAILER
  • CERTIFIED EXPERT
  • 53,855 POSTS
Excellent addition to this thread! Please feel free to help out whenever you are on the site :)
Apr 2, 2019 at 11:29 AM
Avatar
JIMCL
  • MEMBER
  • 1 POST
Thanks to all for the posts! Having the exact same problem with 2005 C6. Unhooked battery two weeks ago and thought I "broke" the radio when no clock appeared and no way to set. Sorry for the stupid question but where do I open a ticket with GM?
Apr 2, 2019 at 5:42 PM
Avatar
PAUL KEECH
  • MEMBER
  • 13 POSTS
Chevrolet Customer Service. 1 (800) 222-1020
Apr 2, 2019 at 7:04 PM
Avatar
RONALD DAY
  • MEMBER
  • 1 POST
Thanks Paul Keech for the telephone number! I also have the same problem - clock not working
Jun 22, 2019 at 6:52 PM
Avatar
STRAILER
  • CERTIFIED EXPERT
  • 53,855 POSTS
Please let us know what you find. We are interested to see what it is.
Jun 25, 2019 at 1:06 PM
Avatar
PIRANA
  • MEMBER
  • 2 POSTS
Thank you Marvin Klein. I am having the same issue with my 2006 Grand Prix GXP. GM service document ID: 5355382 (Service Document is PIT5652E) references this issue of GPS not working after battery disconnected. Called GM Customer Service with issue. No way to escalate the issue any higher. Recommend that you take pictures and email them with description of problem and reference the GM document with the navi system option (U3U, U3Z, URB, US4 or YQ4) on your car. In the subject line, use the year / make / model. Email this to nhtsa.webmaster.gov Although it falls outside their scope as a driver assistance device or safety issue, they may take a further look at it if they see repeated emails. OH, feature saver was used in the cigarette lighter to keep power, but issue still occurred.
Sep 5, 2019 at 4:20 PM
Avatar
PAUL KEECH
  • MEMBER
  • 13 POSTS
Wala here's the answer. The Nav head made by Denso was doomed to fail from day one! The programmers missed what to do on the GPS week Rollover. Denso is now working on a fix for the 2005-2013 Corvettes and XLR Cadillacs. Not sure about the pontiac. I wa told the clock could be overridden on all other GM vehicles. Firmware fix is coming.
Sep 7, 2019 at 1:05 PM
Avatar
STRAILER
  • CERTIFIED EXPERT
  • 53,855 POSTS
Thanks for the update Paul, have a good weekend.
Sep 7, 2019 at 1:14 PM
Avatar
PIRANA
  • MEMBER
  • 2 POSTS
Thank you Paul. Did you contact Denso directly? if so, do you have an email address to share? There were 13 different GM vehicles that had this Denso system as an option.
Sep 10, 2019 at 5:45 PM
Avatar
DALE BRUETTING
  • MEMBER
  • 2 POSTS
Stop!!! Do not take anything apart--you cannot fix it. I know with 100% certainty it is a software problem and there will be a dealer recall fix "soon". You can read about this on Corvette Forum. The problem is covered in the GM #PIT5652E: Clock shows dashes and cannot be set after Battery Disconnect - (Jun 4, 2019) The makers of the unit software, DENSO are working with GM Engineers to come up with a permanent fix. Certain models do have access to the Maintenance function screen which does have a way to reset the clock. Some, like mine don't.. This affects 14 models of GM cars and trucks--Caddies STS, DTS, Avalanche, Corvette, Silverado, Suburban, Tahoe, Sierrs , Yukon, Denali, H2, Grand Prix and Saab years 2004-2012. I have been personally involved in the discussion since Jan 23, 2019 when I reconnected the battery and mine went out in my C6. The problem began in November 2019. Even installing a new GM NAV of the same vintage will not make the clock and ETA's on the map work. So stop and check with your dealer so you will be on the list for the recall. Sit tight, my sources say DENSO has requested some units from a radio overhaul company in NYC for beta testing within the past two weeks--Sep 2019. I got a call from GM today Oct 4, 2019 and they confirmed its close. Do not take anything apart--you cannot fix it
Oct 4, 2019 at 3:09 PM
Avatar
STEVE W.
  • CERTIFIED EXPERT
  • 15,116 POSTS
Thanks for the update Dale.
Oct 5, 2019 at 11:11 PM
Avatar
PAUL KEECH
  • MEMBER
  • 13 POSTS
That is what I said weeks ago! Denso the Manufacture will be releasing a firmware update through GM. All models but the Cadillac and Corvette can be overridden by the dealer and set your clock. Corvette and Caddies must get a firmware update.
Oct 6, 2019 at 8:02 AM
Avatar
STRAILER
  • CERTIFIED EXPERT
  • 53,855 POSTS
Nice car Paul, thanks for the update.
Oct 18, 2019 at 2:02 PM
Avatar
DALE BRUETTING
  • MEMBER
  • 2 POSTS
Sorry to apparently echo some of your previous findings. Only one piece of the thread came to me when I did a web search and I had very very very recent info.
Oct 18, 2019 at 3:23 PM
Avatar
PAUL KEECH
  • MEMBER
  • 13 POSTS
Just get a 2019 Corvette instead! LOL
Oct 18, 2019 at 5:34 PM
Avatar
STRAILER
  • CERTIFIED EXPERT
  • 53,855 POSTS
LOL nice! that is one way to fix it. Auto or manual transmission?
Oct 18, 2019 at 6:49 PM
Avatar
PAUL KEECH
  • MEMBER
  • 13 POSTS
Auto 8 speed paddle shift Grand Sport. I like C6s too. as you can see my 2005 coupe in the background. The fix is coming for 2005-10 Corvettes with Navigation, although I put a 2012 USB Navigation head in it and it is not affected!(For now LOL). The electronics in the C7 are way superior. Faster too with the 8 speed auto. In economy mode it approaches 30 mpg cruising at 65. Pretty good for 460hp, Cheers
Oct 18, 2019 at 7:15 PM
Avatar
STRAILER
  • CERTIFIED EXPERT
  • 53,855 POSTS
Super nice car! I have always been a fan of the Corvettes :) Please keep in touch.
Oct 19, 2019 at 10:40 AM
Avatar
DENNIS GRANGER
  • MEMBER
  • 1 POST
I've been following this thread for months and just found the fix posted. It's from a Chevy mechanic in CT. I'm off to try this now! https://www.corvetteblogger.com/2019/11/08/video-corvette-mechanic-paul-koerner-shares-c6-corvette-blank-clock-navigation-fix/
Nov 23, 2019 at 6:28 AM
Avatar
PAUL KEECH
  • MEMBER
  • 13 POSTS
Chevrolet now has the fix. It is also available on the Corvette forum.
Nov 23, 2019 at 9:15 AM
Avatar
STEVE W.
  • CERTIFIED EXPERT
  • 15,116 POSTS
Great to hear it. Thanks for keeping us in the loop.
Nov 23, 2019 at 10:37 AM