Hi,
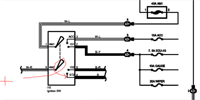
If you look below, I attached the wiring schematic for the starter circuit. What I need you to do is this. First, confirm the starter fuse is good and has power to and from it.
The fuse is located under the hood in the power distribution box. When you check it, it is important to confirm power to and from it.
Next, make sure the clutch safety switch is working. There will be a black wire with a yellow tracer at the clutch switch. With the clutch pedal depressed, check that wire for power when the key is in the start position.
If that is good, I need you to go to the starter motor. At the starter motor, there is a heavy gauge black wire with a red tracer. That is direct from the battery and has power at all times. There will be a smaller gauge wire that is black. I need you to check if the smaller gauge wire gets power when the key is in the start position. You will need a helper for this.
Lastly, I need you to check pin 16 in the data link connector for power. If there is no power, check the 7.5 amp OBD fuse in the fuse box in the vehicle. See pic 5.
Let me know what you find
Take care,
Joe
See pics below.
Images (Click to enlarge)
Dec 28, 2022 at 11:02 PM