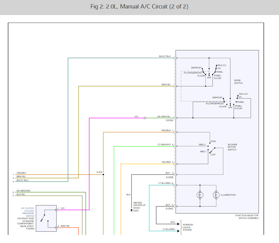
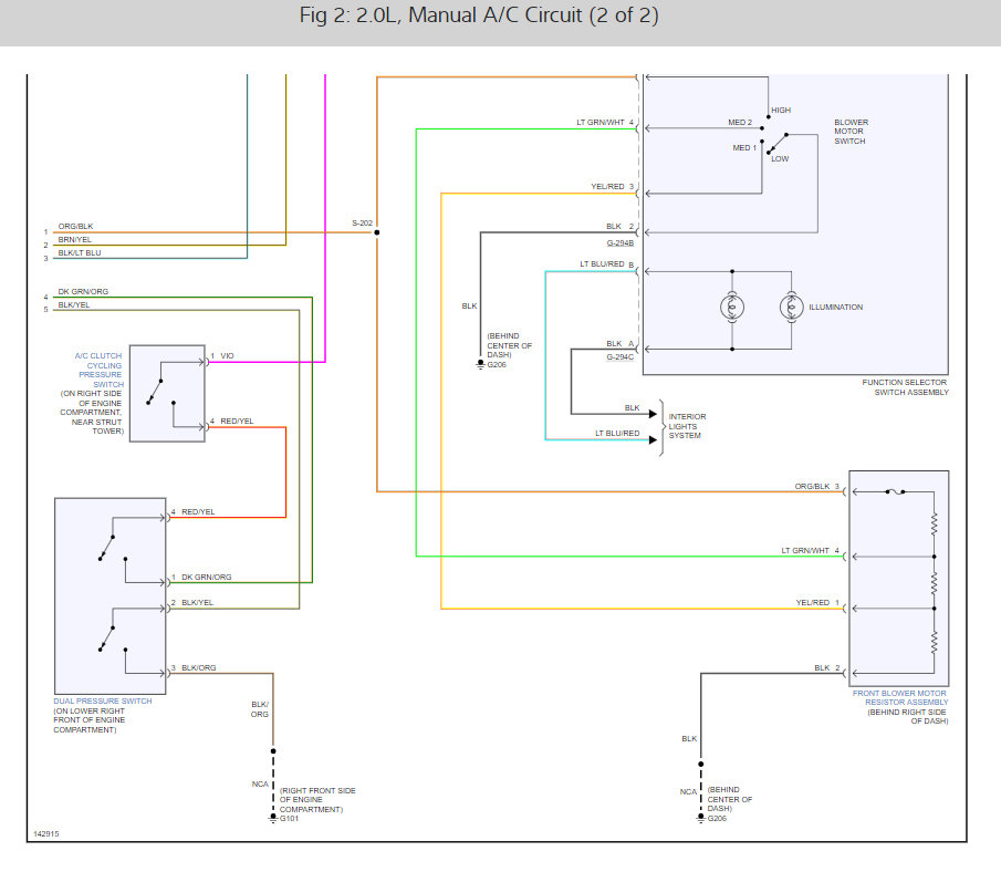
So A/C stopped producing cold air. It still blows in all speeds here is a list of things I have done:
Checked Pressure
Static - 80psi low / 110psi high
In operation - 80psi low / 110psi high
Fan Clutch does engage and turns the actual compressor
AC accumulator never gets cold nor do any of the ac lines.
Checked the sensors and they seem to be working (high pressure and low pressure cut off)
Next evacuated the system and removed ac compressor
inspected for leaks and turned the clutch to make sure a vacuum was created and it des make a vacuum
Next I pulled out the orifice tube and it was clean and I cleaned it some more and put it back in
I replaced the compressor and put everything back the way it was and I can seem to find the problem. Is it the Accumulator and how do I check that? Could it still be the AC compressor or does it just need to be flushed and recharged. I need help fast please
Checked Pressure
Static - 80psi low / 110psi high
In operation - 80psi low / 110psi high
Fan Clutch does engage and turns the actual compressor
AC accumulator never gets cold nor do any of the ac lines.
Checked the sensors and they seem to be working (high pressure and low pressure cut off)
Next evacuated the system and removed ac compressor
inspected for leaks and turned the clutch to make sure a vacuum was created and it des make a vacuum
Next I pulled out the orifice tube and it was clean and I cleaned it some more and put it back in
I replaced the compressor and put everything back the way it was and I can seem to find the problem. Is it the Accumulator and how do I check that? Could it still be the AC compressor or does it just need to be flushed and recharged. I need help fast please
Aug 25, 2015 at 5:59 AM



