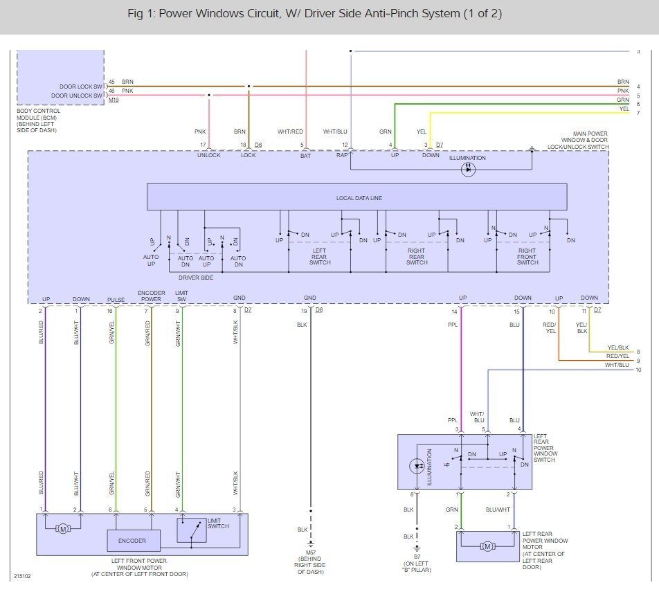
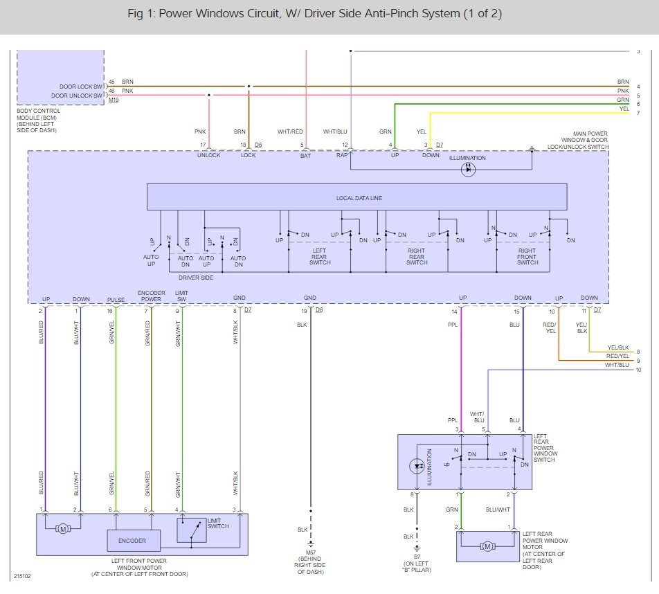
My power windows and locks stopped working. None of the controls on any of the doors seem to work except for the side view mirror controls. The power locks do still work with the remote though. Also, not sure if it's related but at about the same time, the front driver side door stopped opening from the outside but still works from inside.
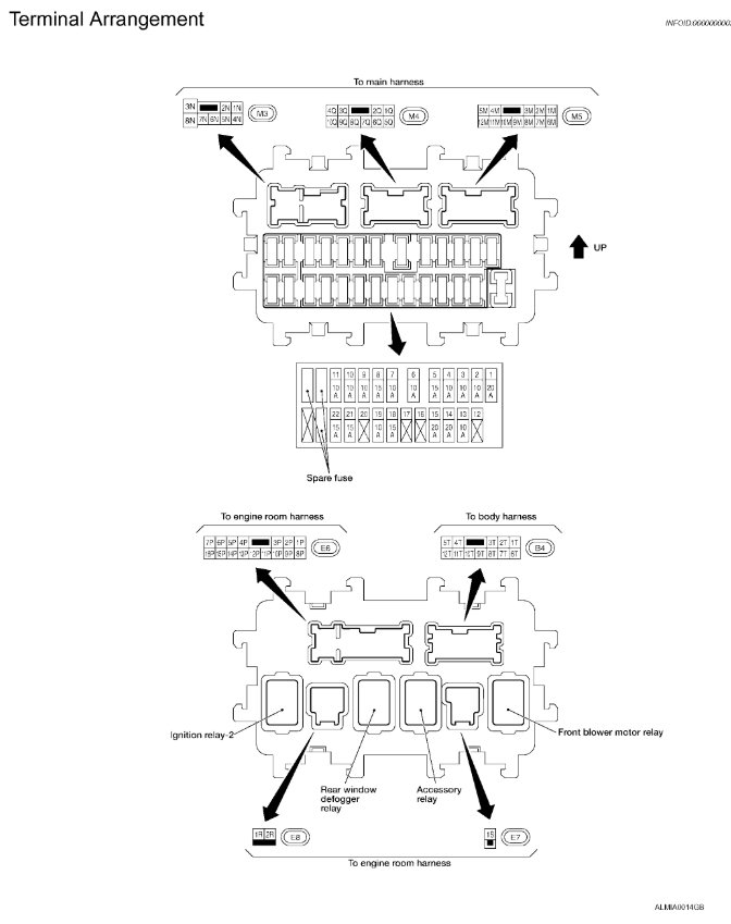
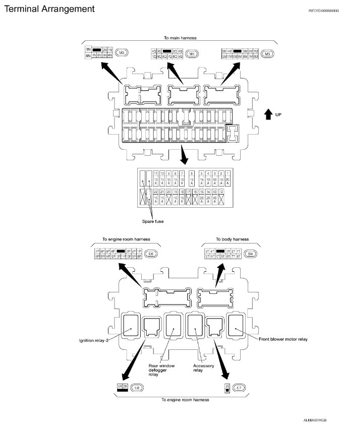
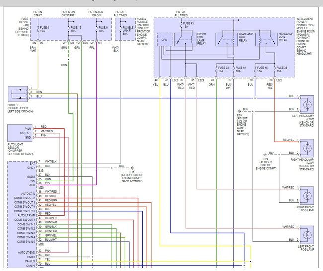
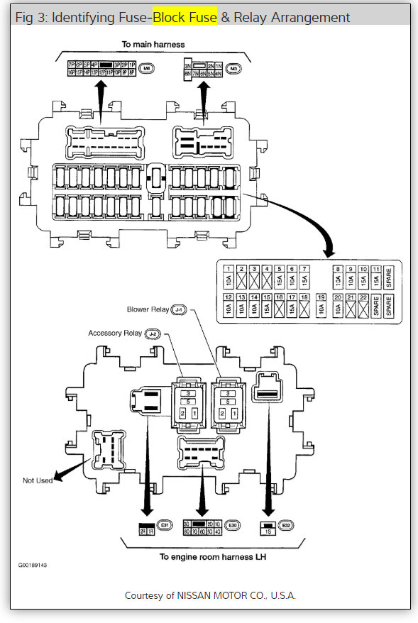
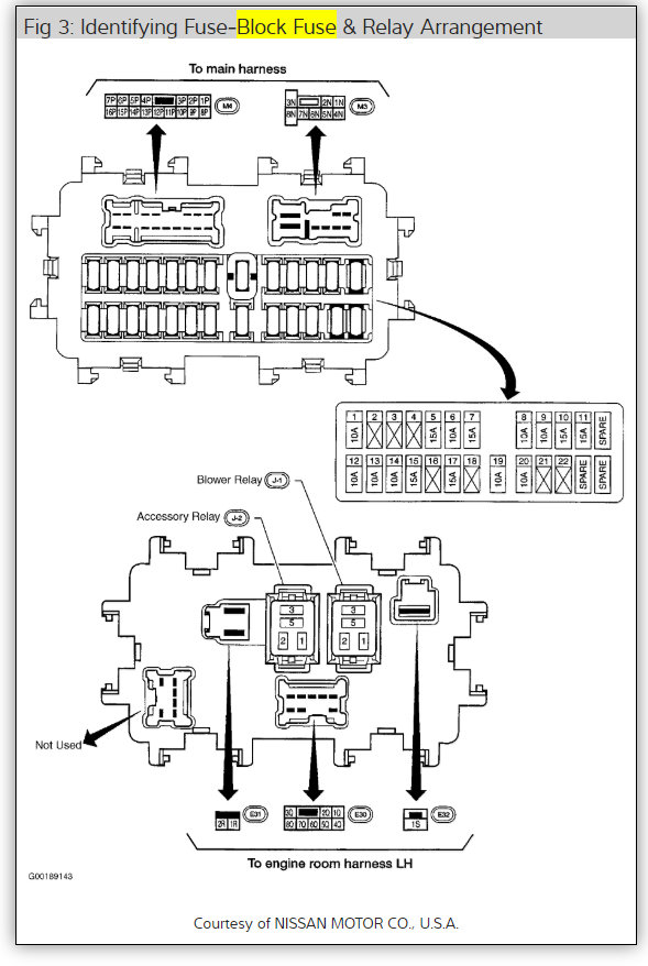
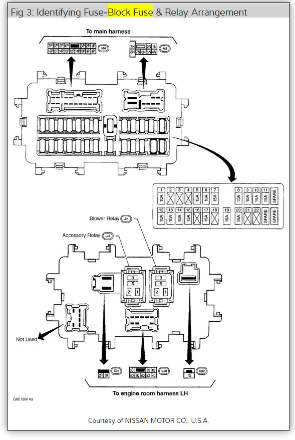
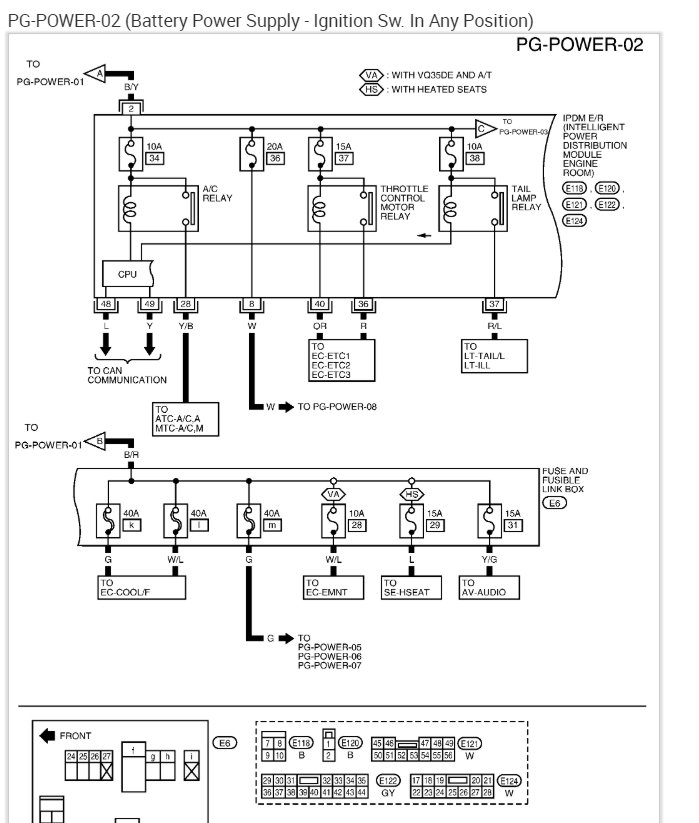
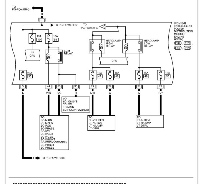
Which fuse controls the power windows and door locks? Or should they all be pulled and inspected? Nissan does not have any fuses on the Altima that are labeled "Windows" or "PW" and there is no fuse box diagram explaining what each fuse is for in the owner's manual.
By the way, the factory installed fuses are not transparent and you cannot see a blown fuse just by looking at it so you will need to replace and test to determine if the fuse is bad. And without knowing which fuse controls the power windows you will NOT be able to determine if you have tested the right fuse.
I have the same problem - no power windows or door locks (but power locks work with key fob so power is getting to the locking mechanism) and I am desperate for a real answer.
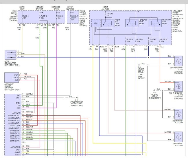
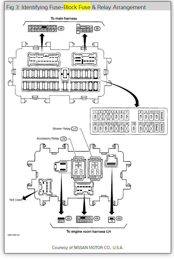
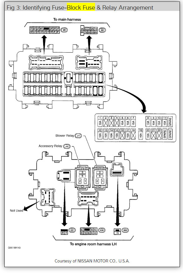
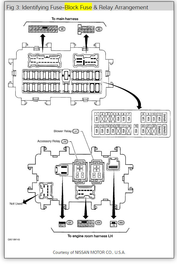
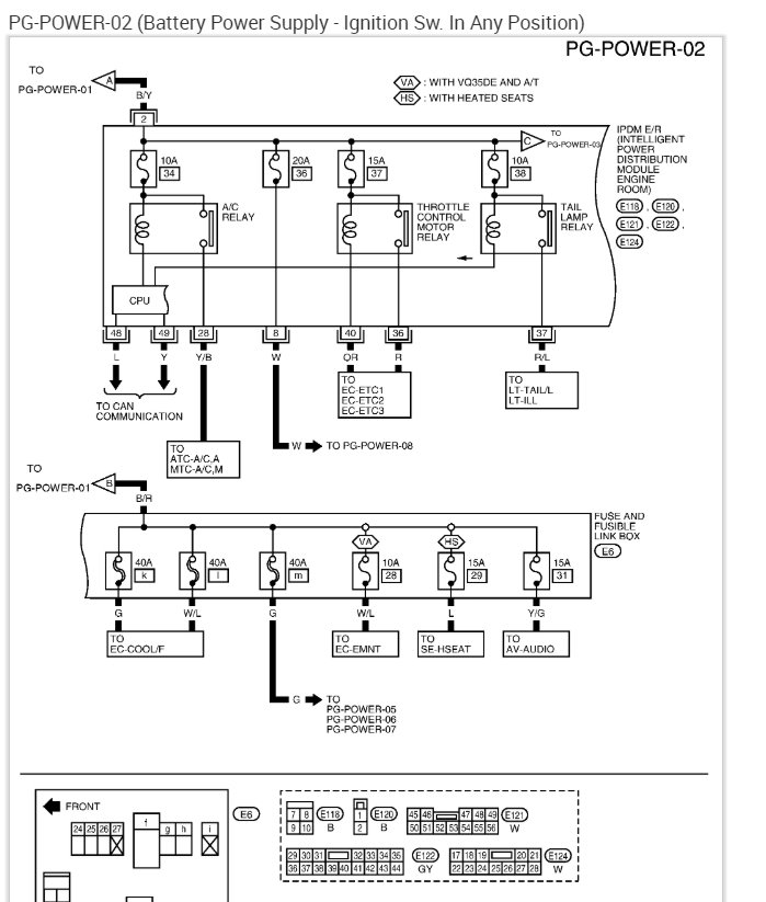
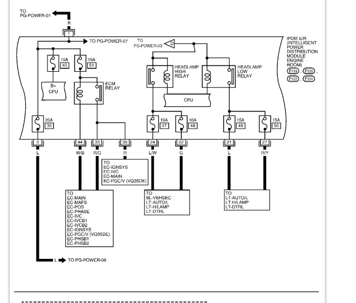
Which fuse controls the power windows and door locks? Or should they all be pulled and inspected? Nissan does not have any fuses on the Altima that are labeled "Windows" or "PW" and there is no fuse box diagram explaining what each fuse is for in the owner's manual.
By the way, the factory installed fuses are not transparent and you cannot see a blown fuse just by looking at it so you will need to replace and test to determine if the fuse is bad. And without knowing which fuse controls the power windows you will NOT be able to determine if you have tested the right fuse.
I have the same problem - no power windows or door locks (but power locks work with key fob so power is getting to the locking mechanism) and I am desperate for a real answer.
Aug 25, 2013 at 3:48 PM














































