Seats are not working can I get a wiring diagram please?

2006 FORD EXPEDITION
96,500 MILES
Avatar
ANONYMOUS
  • MEMBER
  • 1 POST
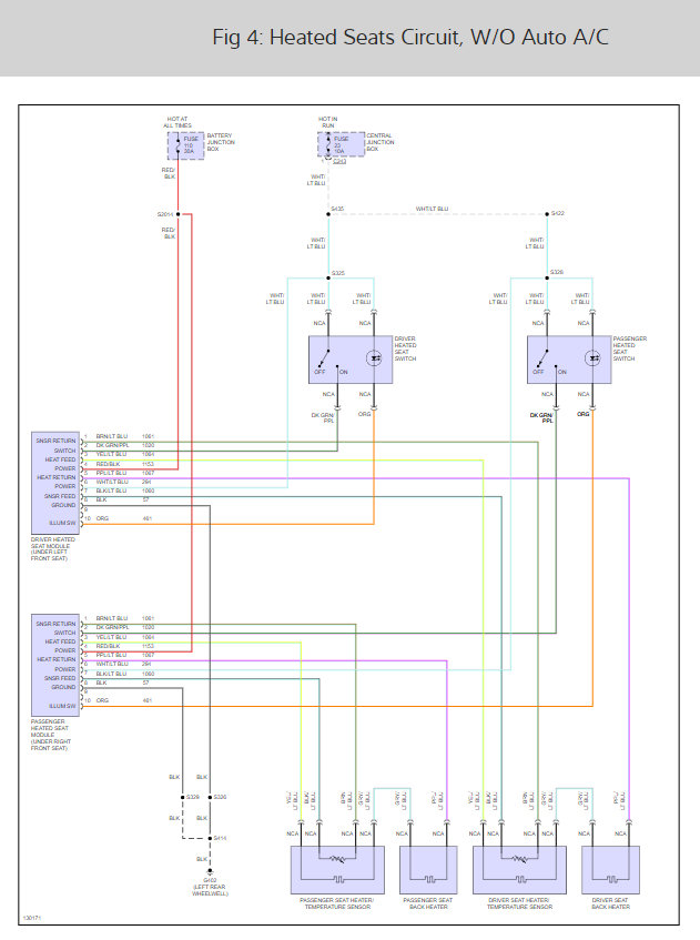
How can I check fuse for seat Warmer's?
Oct 24, 2012 at 11:02 PM
Advertisement
Avatar
RASMATAZ
  • CERTIFIED EXPERT
  • 75,992 POSTS
Sounds like its not heating up-correct if so check fuse below if okay have the climate controlled seat module checked/tested at under driver's seat -see pic below

Oct 25, 2012 at 1:10 AM
Avatar
MMMERED
  • MEMBER
  • 1 POST
I purchased a new rear captain seat arm rest from Ford parts and don't know how to install it? I thought I'd just have to push it on and the metal clip would snap but it doesn't stay on and is too loose. How do I install the arm rest? The fitting is a hard plastic circular hole which the bolt fits into but I can't figure out how to keep it tight.

Ford Part number #4L1Z7867112AAA
Dec 14, 2020 at 8:54 AM (Merged)
Advertisement
Avatar
MERLIN2021
  • CERTIFIED EXPERT
  • 17,250 POSTS
Removal and Installation 1. To access the armrest locking metal clip, pull the armrest material back on the top side of the armrest for access to the release clip. Fig. 273: Pushing Release Button At Hinge Point Courtesy of FORD MOTOR CO. 2. Use a tool such as a flat-bladed screwdriver to push the release button at the hinge point. The clip will release and the armrest will slide off the pin. 3. To install, reverse the removal procedure.  To install the armrest, push the release button and slide the armrest on the pin. CAUTION: To remove armrests, do not pull them off with force. The locking metal clip will be damaged and a new armrest will need to be installed. NOTE: Armrest removed to show detail of release button mechanism. CAUTION: To install armrests, do not push them on with force. The locking metal clip will be damaged and a new armrest will need to be installed. 3/11/2010 ...


https://www.2carpros.com/forum/automotive_pictures/62217_Armrest_1.jpg

Dec 14, 2020 at 8:54 AM (Merged)
Avatar
THEKID33
  • MEMBER
  • 1 POST
Problem with the drivers heated seat. Passenger side works fine. The drivers seat worked up to Dec. 2009.

When turning on the seat, heat switch lights for 2-4 seconds and then turns off. Any sugestions and do you have the wiring diagram for this??

Thanks Jim
Dec 14, 2020 at 8:54 AM (Merged)
Avatar
JACOBANDNICKOLAS
  • CERTIFIED EXPERT
  • 110,175 POSTS
Jim:
Chances are the switch is bad. What you need to do is check to see if there is power going to and from the switch when the light goes out. If there was a short, it would blow a fuse. Something tells me the switch can't handle the load and is disconnecting itself.

Let me know.

Joe
Dec 14, 2020 at 8:54 AM (Merged)
Avatar
JDWALTON
  • MEMBER
  • 1 POST
I had this problem a year ago and Ford said it was a short in the wire and they replaced the wiring harness. It was an invasive procedure (according to them) and it was $400.

Q#1:Can I replace this harness myself? I dont mind buying repair manual and tackling this. I just dont know whats involved to get the harness out. I installed my nav unit (avic-d3) and know enough to be dangerous.

Q#2: Also, is there a manual way of moving the seats up/down?
Dec 14, 2020 at 8:54 AM (Merged)
Avatar
STRAILER
  • CERTIFIED EXPERT
  • 53,855 POSTS
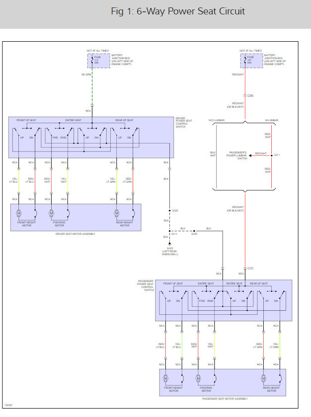
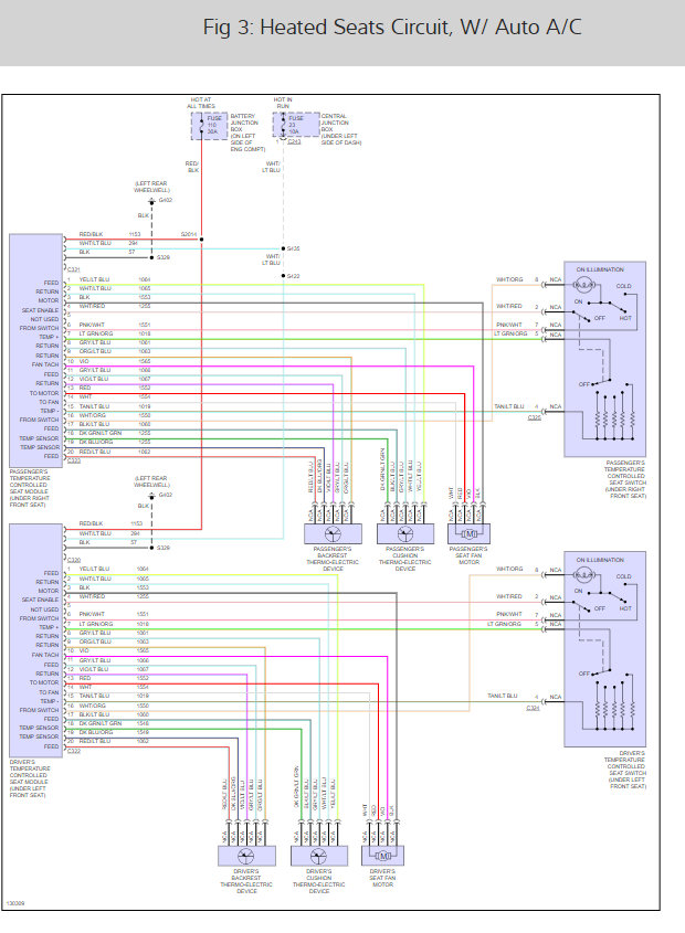
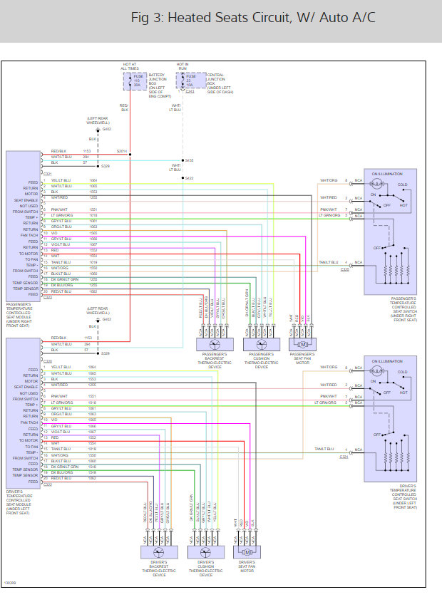
I think you can just fix the old harness here is the guide to help and the seat wiring diagrams so you can see how the system works. Also there are two relays and three fuses that need to be checked as well,

https://www.2carpros.com/articles/how-to-check-an-electrical-relay-and-wiring-control-circuit

and

https://www.2carpros.com/articles/how-to-check-a-car-fuse

and

https://www.2carpros.com/articles/how-to-check-wiring

Check out the diagrams (Below). Please let us know if you need anything else to get the problem fixed.
Dec 14, 2020 at 8:54 AM (Merged)
Avatar
JCLARK0622
  • MEMBER
  • 6 POSTS
I have a 2003 Ford Expedition. The driver side power seat will not move back or forth but will move up or down. I do hear a clicking noise when I try to move it back or forth what could this be?
Dec 14, 2020 at 8:54 AM (Merged)
Avatar
JACOBANDNICKOLAS
  • CERTIFIED EXPERT
  • 110,175 POSTS
Have you checked the switch to see if power is present both in and out?
Dec 14, 2020 at 8:54 AM (Merged)
Avatar
JCLARK0622
  • MEMBER
  • 6 POSTS
How do you check that?
Dec 14, 2020 at 8:54 AM (Merged)
Avatar
JACOBANDNICKOLAS
  • CERTIFIED EXPERT
  • 110,175 POSTS
Remove the switch. Behind it will be wiring. One of the wires should be hot all the time. With a test light, check if power goes out the other wires when you place the switch in different positions.
Dec 14, 2020 at 8:54 AM (Merged)
Avatar
JCLARK0622
  • MEMBER
  • 6 POSTS
Thanks I will try that
Dec 14, 2020 at 8:54 AM (Merged)
Avatar
JACOBANDNICKOLAS
  • CERTIFIED EXPERT
  • 110,175 POSTS
Let me know what you find.

Joe
Dec 14, 2020 at 8:54 AM (Merged)
Avatar
STRAILER
  • CERTIFIED EXPERT
  • 53,855 POSTS
You can't move it manually, it sounds like the drive gear for the seat track is stripped or the motor drive gear is missing its teeth. Here is how you can fix it in the diagrams below. Check out the diagrams (below). Please let us know what happens.
Dec 14, 2020 at 8:54 AM (Merged)
Avatar
CHRIS DUFFY
  • MEMBER
  • 2 POSTS
I took this SUV in on trade and found out the above mentioned issue. I was wandering if a relay or something is the reason for that? And also the interior lights don't come on when you open the door and the radio keeps playing even after you shut the car off and open the door. any help would be greatly appreciated. thanks
Dec 14, 2020 at 8:54 AM (Merged)
Avatar
JACOBANDNICKOLAS
  • CERTIFIED EXPERT
  • 110,175 POSTS
Hi,

The components you mentioned are on different circuits, so I don't feel it is one thing causing all problems. Have you checked the main fuses under the hood?

Here are a few links you may find helpful:

https://www.2carpros.com/articles/how-a-car-fuse-works

https://www.2carpros.com/articles/how-to-check-a-car-fuse

https://www.2carpros.com/articles/how-to-use-a-test-light-circuit-tester

https://www.2carpros.com/articles/how-to-use-a-voltmeter

https://www.2carpros.com/articles/how-to-check-wiring

___________________________________

Other than a fuse issue, it could be related to the body control module. However, I suggest checking fuses first.

Let me know what you find.

Joe

Dec 14, 2020 at 8:54 AM (Merged)
Avatar
CHRIS DUFFY
  • MEMBER
  • 2 POSTS
Where is the fuse box under the hood? I haven't been able to find it anywhere.
Dec 14, 2020 at 8:54 AM (Merged)
Avatar
KASEKENNY
  • CERTIFIED EXPERT
  • 18,907 POSTS
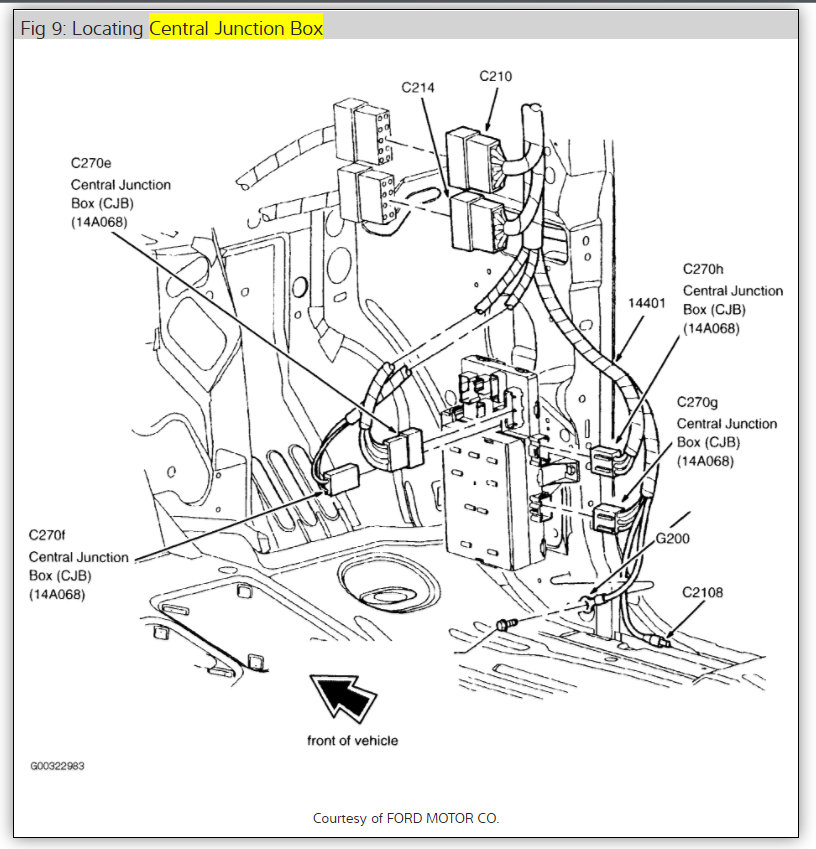
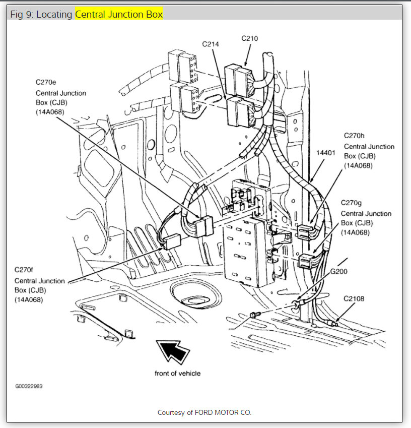
I was just running through open questions and can provide what you requested. Joe is on the right path that if these are related then you may have a body control issue, however, I would run through these as he suggested.

Here are all your fuse boxes:
Dec 14, 2020 at 8:54 AM (Merged)
Avatar
DOLPHINRICH
  • MEMBER
  • 1 POST
My drivers side power seat will no longer move forward or backward. It is currently stuck at the midway position, which is very uncomfortable.

Is there a manual way of moving the seat backward? I was hoping there may be some sort of latch, that allows it to move freely, instead of by the motor.

Please let me know. Thank you in advance.
Dec 14, 2020 at 8:54 AM (Merged)
Avatar
BMRFIXIT
  • CERTIFIED EXPERT
  • 19,053 POSTS
Hello,

It sounds like you have a switch for the seat that is out. But to be sure here is the wiring diagram and a guide to confirm the problem. Also make sure the fuse is good.

https://www.2carpros.com/articles/seat-position-switch-replacement

Please run down this guide and report back

Cheers
Dec 14, 2020 at 8:54 AM (Merged)
Avatar
DOLPHINRICH
  • MEMBER
  • 1 POST
The fuse is good so I used the guide you gave me and found the switch was bad once replaced the seat started moving again.

The switch cost me $35.22 FYI
Dec 14, 2020 at 8:54 AM (Merged)
Avatar
JASON040613
  • MEMBER
  • 1 POST
2009 Ford Expedition the seat won’t move forward or back on the driver side. Neither will the pedals move like they use to.
Tried looking for wires that may associate itself to the proper color wires that show in different schematics but with no luck. Any help would be greatly appreciated.
Dec 14, 2020 at 8:54 AM (Merged)
Avatar
JOETECHPRO
  • CERTIFIED EXPERT
  • 705 POSTS
Hey JASON040613,

Please can you enter your fault in a new thread?

Follow the link below and input you vehicle details and fault condition in as much detail as you can.

Please post your new question here, you must be logged in:

https://www.2carpros.com/questions/new

We will get to it as soon as we can.

Regards, Joe
Dec 14, 2020 at 8:54 AM (Merged)
Avatar
KEITH LEWIS
  • MEMBER
  • 1 POST
My power seat is stuck, the switch works and you hear the motor but it's making a skipping sound and doesn't move. how can i move it manually?
Dec 14, 2020 at 8:54 AM (Merged)
Avatar
FOUNDONTHEROADDEAD
  • MEMBER
  • 1 POST
Hello and thank you for this service. My seat heater in the driver's seat is not fully working. It does work, but the heater now takes a long time to wam the seat up and it is luke warm at best. This just started happening last week. It also seems to turn off (light on the button goes off) and so we have to hit the button again to turn it back on - still doesn't seem to matter on the heat output.

My question is - any ideas on what might be happening? How hard is it to replace the heater and is that something that a person with a little mechanical knowledge can perform?

Thanks in advance for your help,

Mike
Dec 14, 2020 at 8:54 AM (Merged)
Avatar
FLEXY5
  • CERTIFIED EXPERT
  • 512 POSTS
The heat pad is probably bad. I have had to replace several of them. They require the seat to be removes and then the seat back removed. The uphostery on the lower seat then needs to be removed in order to change the heater. I will let you be the judge of your own abilities.
Dec 14, 2020 at 8:54 AM (Merged)
Avatar
RALPH TATUM
  • MEMBER
  • 1 POST
1998 Ford Expedition V8

driver side heated seat not working
Dec 14, 2020 at 8:55 AM (Merged)
Avatar
BUDDYCRAIGG
  • CERTIFIED EXPERT
  • 2,262 POSTS
check for power at the connector under the seat.
if you have power the heating pad needs to be replaced.

if you dont have power, then we'll have to do some testing upstream.
Dec 14, 2020 at 8:55 AM (Merged)