alternator wiring diagram? alternator bad or is it a faulty sense circuit?

2006 FORD TAURUS
105,000 MILES • 6 CYL • 2WD • AUTOMATIC
Avatar
AWESOME BILL
  • MEMBER
  • 1 POST
The "Check charging System" warning light comes on although the baterry reads 12.5 Vdc without the engine running and 14.5Vdc with the engine running. I also looked at the AC voltage with the engine running, 32.9Vac. Is the alternator bad or is it a faulty sense circuit?
Jun 4, 2011 at 4:12 PM
Advertisement
Avatar
CARADIODOC
  • CERTIFIED EXPERT
  • 34,308 POSTS
Nice to know you understand about ripple and AC voltage, but are you sure that was 39 volts? .39 volts would be typical. 39 millivolts would be better but is unrealistic. If the AC voltage really is that high, that would point to a defective diode. When one of the six diodes is open or shorted it will reduce the generator's capacity to very close to one third of its maximum rating. That means you'll be lucky if you can get 30 amps from a 90 amp unit. 30 amps is just enough to run an electric fuel pump, ignition system, head lights, and radio with little else left to charge the battery. Most charging system load testers today measure ripple along with maximum output current.

Here is a guide to help check the wiring with the alternator wiring diagrams below so you can see how the system works and the wires to test.

https://www.2carpros.com/articles/how-to-check-wiring

Check out the diagrams (Below). Please let us know what you find. We are interested to see what it is.
Jun 4, 2011 at 7:48 PM
Avatar
JDBEAULOYE
  • MEMBER
  • 1 POST
had to replace the alternator cost me $134.00
Nov 13, 2019 at 12:25 PM
Advertisement
Avatar
  • MEMBER
  • 7 POSTS
hello, i have another question that i would like to ask you. i have my new alternator on now and the yellow hot wire i have not connected back up yet. can i start the car now after i hook the hot wire back up without plugging the computer plug in the alternator and if i do will it do any damage to the computer or anything? i have just got through putting a new battery on it? Can you tell me what the red, blue and green wires are for that are on the alternator plug? I think the first checks on voltage and sends it back to the computer what it is charging at. can you please help me again as soon as possible?
Jul 28, 2021 at 2:30 PM (Merged)
Avatar
DANNY L
  • CERTIFIED EXPERT
  • 5,648 POSTS
Hello, I'm Danny.

Here is the information you requested. First here is a tutorial for you to view on how to test wiring:

https://www.2carpros.com/articles/how-to-check-wiring

I've a wiring diagram below of the charging system for your car that shows the wire colors of your alternator and the locations of where they go. Hope this helps and thanks for using 2CarPros.
Jul 28, 2021 at 2:30 PM (Merged)
Avatar
SKAMEGO
  • MEMBER
  • 3 POSTS
the alternator drops out intermittently. The alternator is a rebuilt one from a reputable shop, they have inspected it and found no problems. Battery is the second brand new battery, the first died from being discharged too deeply. The problem seems completely intermittent and I can't reproduce it, it just happens randomly. When working it charges beautifully, it regulates at 14.2V and drops to 14.1 with headlights & ac on.

The diagram from Chiltons & Haynes manual both list the alternator as having a Yel/Wht charging wire, an Org/Lt Blu wire which goes to battery, Lt Grn/Red which goes to instrument cluster, and Wht/Blk wire which goes back to alternator on cars w/ 3.0L 12Valve & FFV only.

This alternator actually has Yel/Wht which is charging line to battery, Or/Yel which goes to battery, Lt Grn/Red which I can't figure out, and Gry/Wht or Yel which I can't figure out.

Anyone know what the wires actually go to? It doesn't seem to quite match up with the diagram, neither the color codes or the signals. The Grn/Red line seems to change with varying load, like the comptuer feeds the alternator some regulating voltage, I.E. when headlights are switched on, there is a few volts on the line until it brings the battery up to 14.2V, then it drops off. I assume the Gry/Wht or Yel line goes to the instrument cluster, as when the alternator was in fault, the line was .6VDC which would turn the light on, and when it is working it is 4-6VDC.

I'm out of ideas, I'm just trying to help a guy who's down on his luck and just lost his job. He can't afford a new alternator, and I'm not sure if it's even bad. He doesn't know why it was replaced in the first place, but my suspicion is the original may not have been bad. At this point, I think he may just have to replace the alternator again, but if I can find out what the lines actually do or at least where they go I may stand a chance.
Jul 28, 2021 at 2:31 PM (Merged)
Avatar
MERLIN2021
  • CERTIFIED EXPERT
  • 17,250 POSTS
First, like the tech bulliten said, are there misfire codes? check engine light on, with p0300 or P03xxx up to P0306? Or P0316? If not, and he never had this problem before, suspect a bad or incorrect alternator!


https://www.2carpros.com/forum/automotive_pictures/62217_Charging_Circuit_1.jpg


https://www.2carpros.com/forum/automotive_pictures/62217_Gen_Specs_1.jpg

Jul 28, 2021 at 2:31 PM (Merged)
Avatar
SKAMEGO
  • MEMBER
  • 3 POSTS
Unfortunately, I have lent my code reader out so I couldn't let him borrow it. The check engine light was on so we went to the local auto parts place but the light had gone off by the time we got there & they couldn't pull any codes. He said the light came back on last night so I told him to get it to the dealership asap, hopefully there will be a code. I don't know if he's had this problem before, I really don't have a good history of this car. The alternator and battery were replaced for some reason, he didn't know why though. I wouldn't be surprised if the alternator shop just put a new regulator in it that physically fit and it may not be electrically proper for this car. It looks like they've used a few different pinouts over the years so it's definitely possible. What's strange is it works fine most of the time and regulates beautifully, it just randomly stops charging until it dies. Jump it and it'll start charging again. If it was the wrong regulator I wouldn't think it would work at all.

I appreciate the help on this. I'm sure you've gathered I'm not a mechanic, just trying to help a friend out, so your input has been really valuable. I had no idea there was a TSB for this problem, honestly I didn't even think to look for one.

I'll post the response he gets from Ford once I hear back.
Jul 28, 2021 at 2:31 PM (Merged)
Avatar
MERLIN2021
  • CERTIFIED EXPERT
  • 17,250 POSTS
I know a few mechanics that wouldnt have tested as much as you have!
Jul 28, 2021 at 2:31 PM (Merged)
Avatar
SKAMEGO
  • MEMBER
  • 3 POSTS
He got the codes read. He said they said there was a bad crankshaft sensor & misfire on cyl 3, but the only code # on the paper was P0316. I told him to get his butt to Ford and see what they think, and if they flash the computer we'll see if it still has troubles afterwords.
Jul 28, 2021 at 2:31 PM (Merged)
Avatar
MERLIN2021
  • CERTIFIED EXPERT
  • 17,250 POSTS
I agree!
Jul 28, 2021 at 2:31 PM (Merged)
Avatar
JPG148
  • MEMBER
  • 1 POST
i replaced the alternator with a re-built one. but before i replaced the old alternator i noticed the red charging lead had burned off at the alternator, I replaced the connection with a soldered on identical lead, battery is good.the problem i am having is that the alternator is charging at 13.5 to 14.0 volts all the time at some point the alternator starts a high pitch wine, if I disconnect the voltage regulator leads (2 wire clip plug) from the alternator the high pitch wine stops.and the red alternator lead comming off the alternator cool down.

after re-connecting the regulator leads back to the alternator it will run quiet for a while then start the high pitch wine for a while and the red terminal lead gets real hot. can you help. I do have a certificate of automotive mechanic for basic auto studies.
Jul 28, 2021 at 2:31 PM (Merged)
Avatar
MJR346
  • CERTIFIED EXPERT
  • 132 POSTS
Usually a whine means something with the bearings, but it may be the unit is making noise due to the high output it's trying to do.

Soldering a connection like that, is one of the times it's kind of frowned upon as the amount of amperage that is flowing thru the wire at times can actually heat up the soldier of the connection. Best for a good crimp and soldier or new wire.

I'd check that first , but I've found that some value line alternators are actually rebuilt have issues from the rebuilder including the battery light staying on due to the regulator being bad.

Voltage at idle with no load is normally 14.0 volts but no higher than 14.5 volts with a low of about 13.5 volts or so .. But an amp meter that can actually measure output is best
Jul 28, 2021 at 2:31 PM (Merged)
Avatar
IMPALASS
  • CERTIFIED EXPERT
  • 3,112 POSTS
Hello - Thanks for the info............... My first suspect is the voltage regulator is not working correctly.....that is moutned internally and cannot be repaired. System consists of a 130-amp generator, voltage regulator, battery, charge warning indicator, related fuses and wiring. Charge warning indicator illuminates with ignition on, engine off as a bulb-check. Voltage regulator is mounted internally. Internal regulators cannot be serviced separately. Please go to Auto Zone (AZ) or O'Reilly's (OR) and for FREE they can pull the codes to the car. Most important: Once they check your codes, if they find something and you don't get it fixed and need to get back with us, please make sure you tell us exactly what the code was, number and all. Example, if the code was E0568 O2 Sensor bad. Then make sure you give us all of that. While there for FREE also they can bring their tester out and check your battery and alternator. I have also attached the wiring diagram of the system.....


https://www.2carpros.com/forum/automotive_pictures/248015_Wiring_2.jpg

Jul 28, 2021 at 2:31 PM (Merged)
Avatar
ONLYBULLSEYES150
  • MEMBER
  • 6 POSTS
I have 2000 Ford Taurus. I have replaced the starter and solenoid, alternator, serpentine belt, tensioner, battery and 15a fuse in the #19 slot in the fuse box. Battery still will not receive charge.
Jul 28, 2021 at 2:31 PM (Merged)
Avatar
HMAC300
  • CERTIFIED EXPERT
  • 48,601 POSTS
check the items in pic and clean battery terminals. check battery for condititon including load test. auto parts/tire stores do for free
Jul 28, 2021 at 2:31 PM (Merged)
Avatar
ONLYBULLSEYES150
  • MEMBER
  • 6 POSTS
Are those in-line fuses going to the alternator?
Jul 28, 2021 at 2:31 PM (Merged)
Avatar
WRENCHTECH
  • CERTIFIED EXPERT
  • 20,761 POSTS
I would also check that 175amp fuse.
Jul 28, 2021 at 2:31 PM (Merged)
Avatar
ONLYBULLSEYES150
  • MEMBER
  • 6 POSTS
I will check these fuses. Thanks!
Could the battery cables, if they would have a bare spot on a bad connection be causing this problem?
Jul 28, 2021 at 2:31 PM (Merged)
Avatar
HMAC300
  • CERTIFIED EXPERT
  • 48,601 POSTS
if it's a bare spot then it is maybe grounding out but that would fry something as well. poor connections like not cleaning battery terminal ends will do it as well. or not tight
Jul 28, 2021 at 2:31 PM (Merged)
Avatar
PACHYAUTO63
  • MEMBER
  • 40 POSTS
Put three alternators on car. Battery tested 14 amp, but battery light is still on and power windows will not work now. Fuses are good and control panel is showing power but will not roll up.
Jul 28, 2021 at 2:31 PM (Merged)
Avatar
ONLYBULLSEYES150
  • MEMBER
  • 6 POSTS
OK, Its a new battery so the terminals are clean. I am just going to replace the battery cables and see if that does the trick. Thanks.
Jul 28, 2021 at 2:31 PM (Merged)
Avatar
STRAILER
  • CERTIFIED EXPERT
  • 53,855 POSTS
Can I ask what brand of alternator you are installing? I think the charging and window problems are going to be separate. Here is an alternator and window wiring diagram along with a guide to help you see whats going on:

https://www.2carpros.com/articles/how-to-check-wiring

You can see the systems do not touch.

Check out the diagrams (below). Please let us know what happens.

Cheers, Ken
Jul 28, 2021 at 2:31 PM (Merged)
Avatar
HARLEY1059
  • MEMBER
  • 1 POST
I am in Iraq. My son installed a new battery for me and installed the batery backwards. We have replaced all blown fuses. He also replaced the alternator with a proven working new one. The alternator is still not charging. Thier is no power on the single plug in lead to the alternator. Are there any fuseable links involved. I am going home for Rand R . Please any help is good help
Jul 28, 2021 at 2:31 PM (Merged)
Avatar
BMRFIXIT
  • CERTIFIED EXPERT
  • 19,053 POSTS


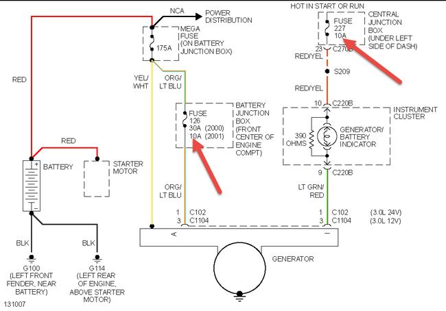
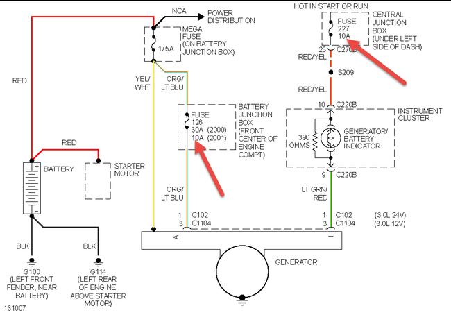
https://www.2carpros.com/forum/automotive_pictures/99387_Graphic1_177.jpg

You have 3 fuses one on the right side of the battery junction box 175A one # 26 front center of engine compartment its 30A one is under left side of dash check for battery power at the big wire back of alternator
Jul 28, 2021 at 2:31 PM (Merged)
Avatar
JACKIEGREG
  • MEMBER
  • 1 POST
I need the wiring diagrams for the alternator
Jul 28, 2021 at 2:31 PM (Merged)
Avatar
RASMATAZ
  • CERTIFIED EXPERT
  • 75,992 POSTS
Check fuse no.11 5amp in the instrument fuse panel and also alternator fuse no.26 30amp in the engine compartment fuse/relay box. See below EWD.


https://www.2carpros.com/forum/automotive_pictures/12900_EWD_2.jpg

Jul 28, 2021 at 2:31 PM (Merged)