Hi!
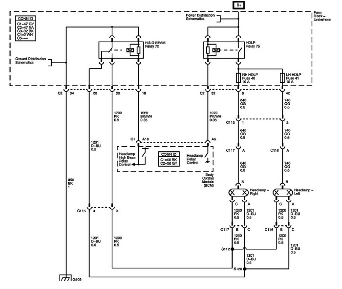
I have a Hummer H3-2006. I wounder how the DRL-lights work. On my car I have separate DRL lights in he front witch is integrated with my turning signals. The DRL lamps also works as mý parking lights. Now, to my problem. The other day I noticed that the DRL didn't come on i auto mode, the lamps are intact because when i put the light **** in parking mode or headlight mode they come on. I have checked the fuse and it seems ok. Could it be the relay? Another question, is the DRL only suppose to work when the transmission is in drive or also in parking on a Hummer H3-2006?
I really appreciate the help! There isn't many Hummer mechanics here in Sweden where i live.
PS. Sorry for my bad English, been a while sense I wrote in English. D.S
Best regards! /Jim
I have a Hummer H3-2006. I wounder how the DRL-lights work. On my car I have separate DRL lights in he front witch is integrated with my turning signals. The DRL lamps also works as mý parking lights. Now, to my problem. The other day I noticed that the DRL didn't come on i auto mode, the lamps are intact because when i put the light **** in parking mode or headlight mode they come on. I have checked the fuse and it seems ok. Could it be the relay? Another question, is the DRL only suppose to work when the transmission is in drive or also in parking on a Hummer H3-2006?
I really appreciate the help! There isn't many Hummer mechanics here in Sweden where i live.
PS. Sorry for my bad English, been a while sense I wrote in English. D.S
Best regards! /Jim
Feb 26, 2011 at 9:23 AM

