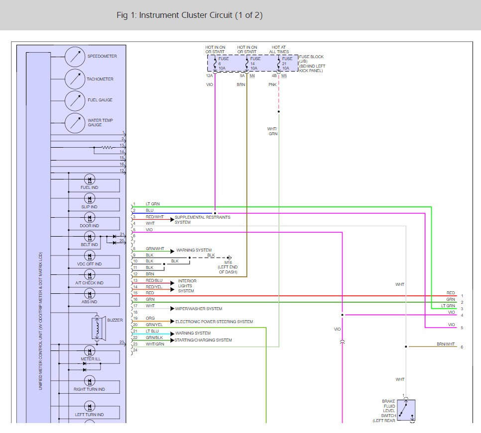
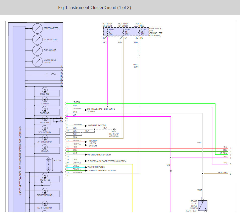
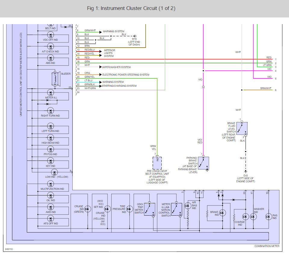
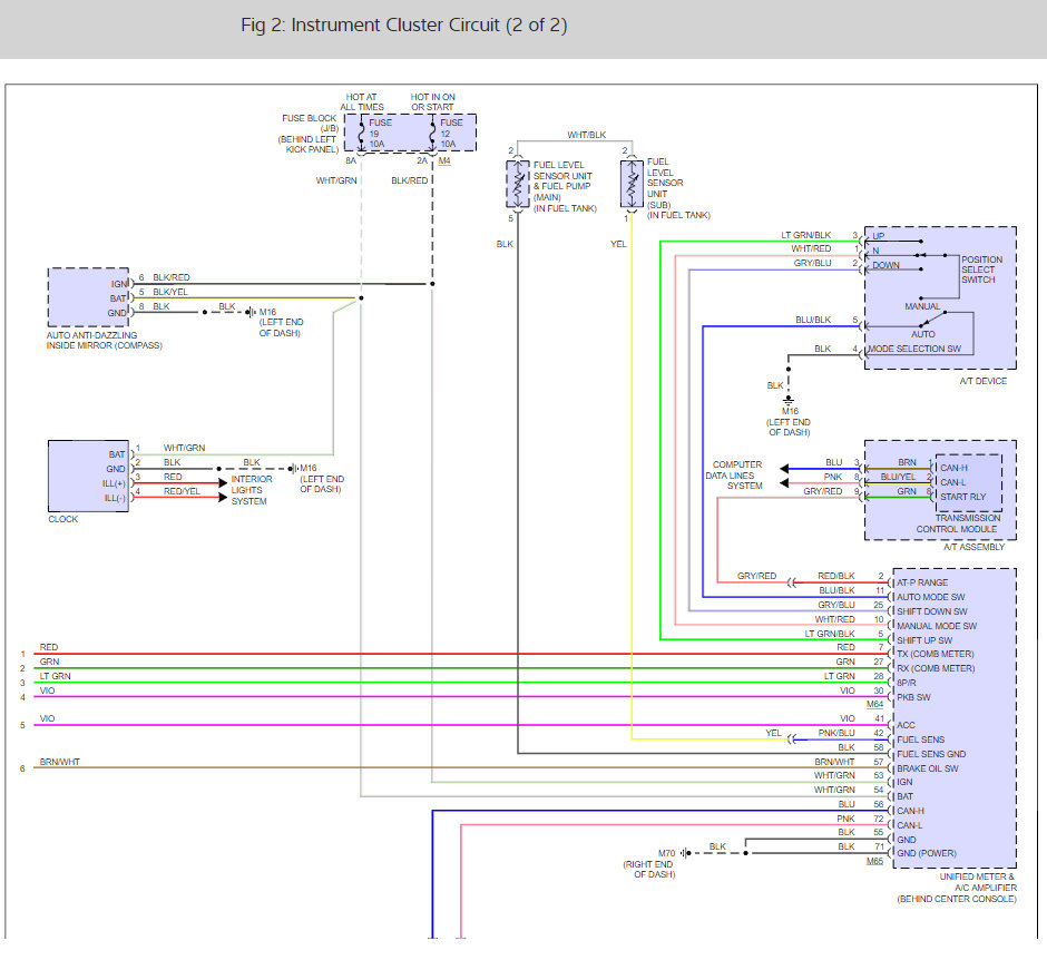
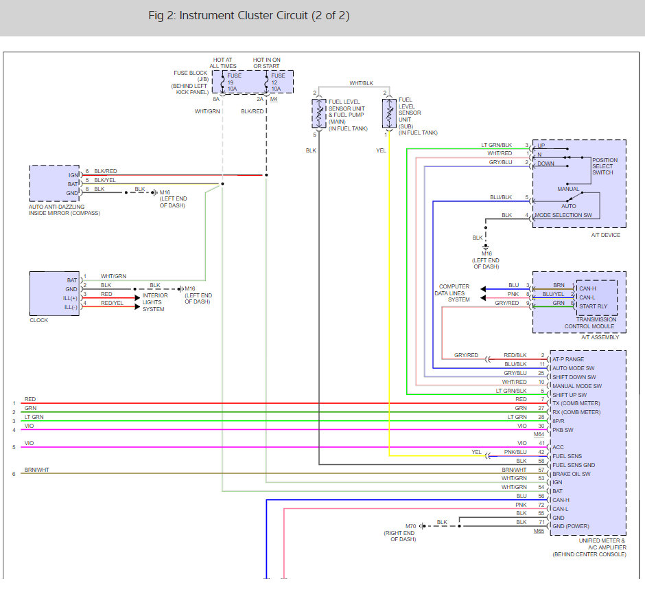
I have a 2006 m45. All the gauges in the cluster light up but don't work. The electronic prndl lock won't disengage unless I use the manual press button. The climate control and blowers stopped working too. I do have radio..what fuse blew and where is it located?
Aug 29, 2013 at 7:19 PM


















