That information was not correct.
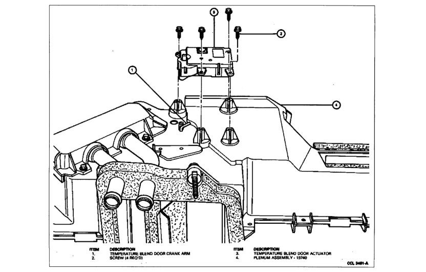
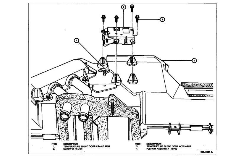
It is on top of the heater case and the dash has to come out.
Procedure
Roy
Removal
1. Position wheels straight ahead.
2. Disconnect battery ground cable.
3. Raise vehicle on hoist.
4. Remove RF wheel and tire assembly.
5. Remove retaining nut in radiator coolant recovery reservoir area.
6. Remove bolt retaining front fender apron to front fender.
7. Position front fender splash shield out of the way.
8. Lower vehicle.
9. Tag and remove wiring connectors.
10. Remove retaining screw in parking brake control. Remove parking brake control.
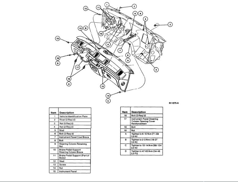
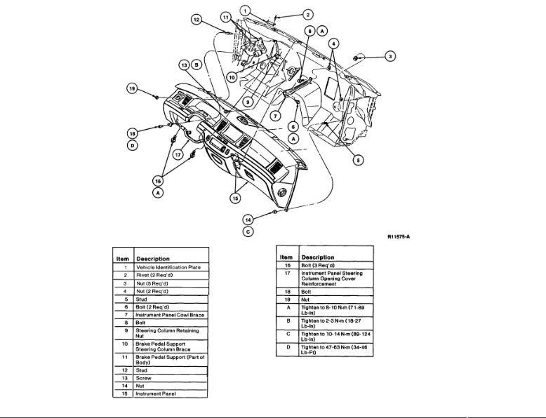
11. Remove screw retaining instrument panel steering column opening cover reinforcement.
12. Remove steering column assembly.
13. Remove from the LH and RH cowl side trim panels.
imageOpen In New TabZoom/Print
14. Remove lower cowl side trim panels.
15. Tag and disconnect wiring connectors in LH and RH cowls.
16. Remove ground wire assembly.
17. Remove retaining rivet in the passenger side of the instrument panel.
imageOpen In New TabZoom/Print
18. Unsnap the instrument panel finish panel, center and RH.
19. Unsnap the instrument panel finish panel, (LH).
20. Remove and disconnect the radio chassis.
21. Remove retaining screw in the instrument panel finish panel.
22. Position the instrument panel finish panel out of the way.
23. Tag and disconnect the wiring connectors.
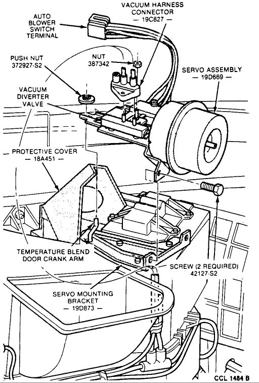
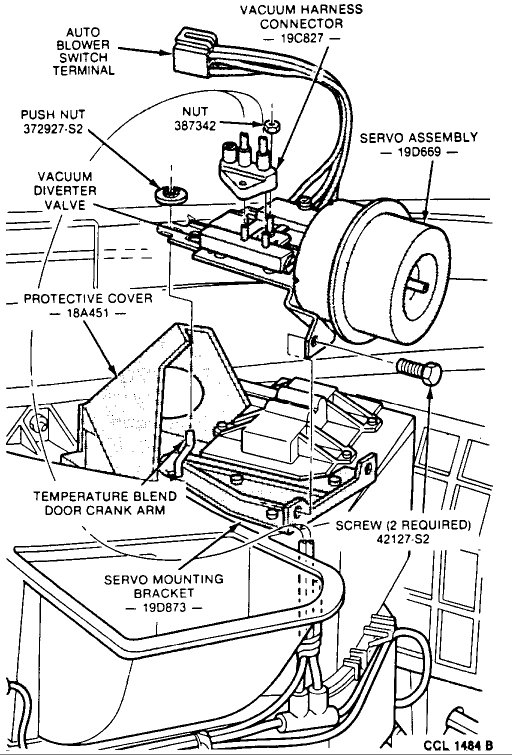
24. Remove retaining screw in the passenger side air bag module.
25. Disconnect the electrical connector to the passenger side air bag module.
26. Remove and disconnect the instrument panel upper finish panel.
27. Remove instrument panel to cowl brace retaining screw.
28. Remove retaining nut on the instrument LH and RH lower finish panel.
29. Remove instrument panel cowl brace.
30. Disconnect vacuum hose on the harness assembly.
31. Remove upper and lower screws retaining instrument panel finish panel to dash panel.
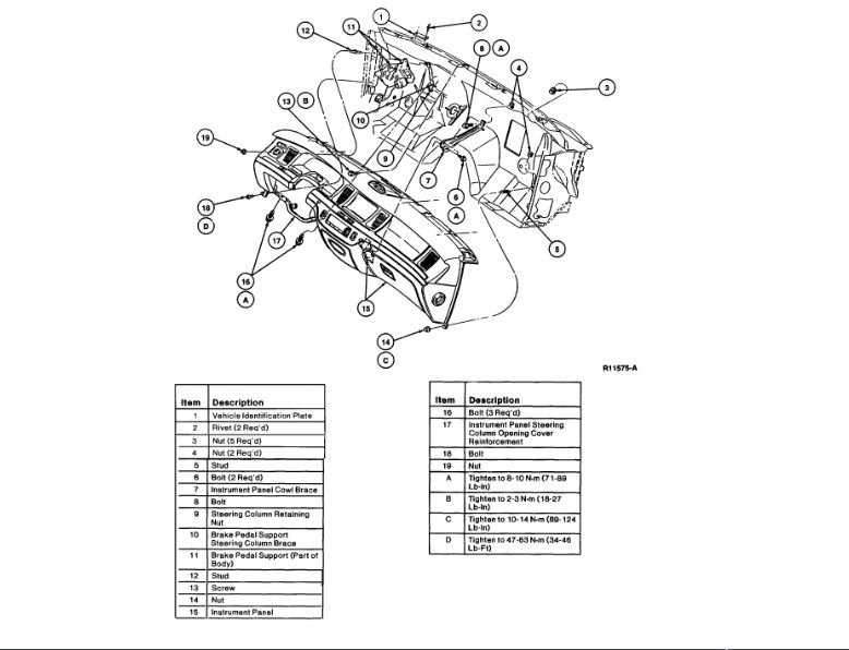
32. If instrument panel is being replaced, transfer all parts to the new instrument panel.
imageOpen In New TabZoom/Print
Images (Click to enlarge)
Dec 15, 2020 at 6:59 PM
(Merged)