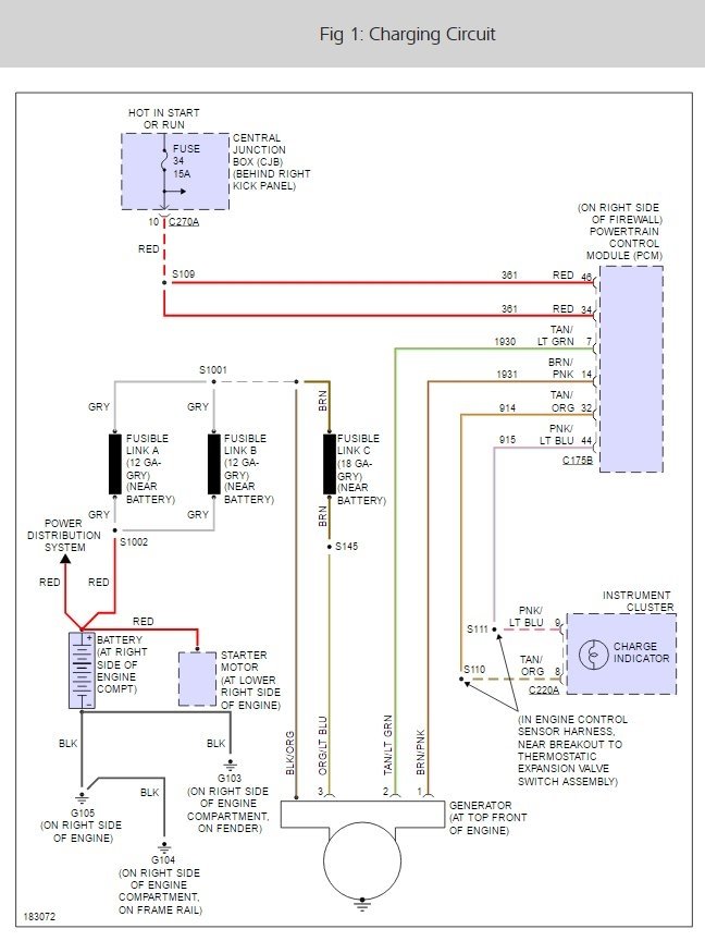
the check charging system light comes on randomly, along with red battery icon lighting up.
Autozone checked battery and alternator. Both good.
Has slight hesitation when accelerating occasionally.
Always use premium gas. Runs good otherwise.
Any ideas?
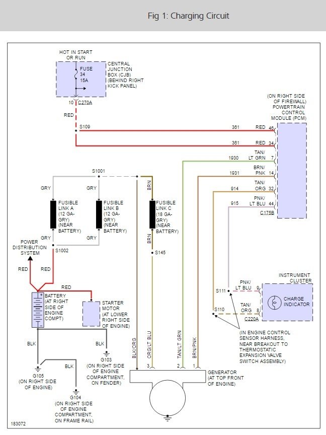
Autozone checked battery and alternator. Both good.
Has slight hesitation when accelerating occasionally.
Always use premium gas. Runs good otherwise.
Any ideas?
May 15, 2017 at 6:46 AM
