Driver's window at times stops working, won't go up or down

2006 TOYOTA CAMRY
85,000 MILES
Avatar
ANONYMOUS
  • MEMBER
  • 1 POST
Driver's window at times stops working, won't go up or down. I removed window switch and reinstalled it, has been working since. How do I diagnose whether it is a switch or a regulator problem?
Oct 21, 2012 at 10:44 PM
Advertisement
Avatar
CADIEMAN
  • CERTIFIED EXPERT
  • 3,544 POSTS
this sounds like window motor.try holding the switch and bang on the door panel see if it starts working.only other way you need a test light for quick voltage checks.test that voltage going through the switch to the motor. This guide will show you how.

https://www.2carpros.com/articles/electric-window-repair

Here are the window wiring diagrams so you can see how the system works. Also check the system fuses and the power relay locations below.

https://www.2carpros.com/articles/how-to-check-a-car-fuse

and

https://www.2carpros.com/articles/how-to-check-an-electrical-relay-and-wiring-control-circuit

Check out the diagrams (Below). Please let us know what you find. We are interested to see what it is.
Feb 18, 2021 at 2:11 PM
Avatar
PLBULLA
  • MEMBER
  • 1 POST
it was the power relay for me all fixed got the part from Toyota cost me $36.00 worth it!
Feb 19, 2021 at 6:49 PM
Advertisement
Avatar
FVARELA
  • MEMBER
  • 1 POST
Electrical problem
1999 Toyota Camry 4 cyl Two Wheel Drive Automatic 70k miles
----------------------------------------------------------------
My driver's window has an issue - the wondow goes down fine but then on the way up, it stops about half way. You then have to wait 5 to 10 minutes before you can close the window. If you do not wait long enough, it may push the window up a little bit and stall out again. It's almost as if "loses strength and it needs some time to gather the strength to finish pushing the window up". Is the motor bad and I have to replace it, or is the problem elsewhere? thanks!
Feb 19, 2021 at 6:51 PM (Merged)
Avatar
GNH
  • MEMBER
  • 1 POST
Have same problem with both a front and rear- Window would go down and stall on the way up. Always worked again after about 5 minutes . Was told there is a thermistor in the motor circuit to prevent overload that goes bad. I removed rear regulator and motor - replaced the motor only and it works fine.
Feb 19, 2021 at 6:51 PM (Merged)
Avatar
ROSE22
  • MEMBER
  • 2 POSTS
I had the motor (rebuilt) replaced last year on drivers side power window because it would not go up all the way , all the time. 11 months later, I now can not move the window at all - I don't think motor is working - no noise when flipping switch. All other windows work without a problem

Could this be a problem with the motor again or possible fuse ? Someone said that it's possible it coule be a fuse if there is a separate fuse for each window. Not sure if Toyota has that.

Any help would be appreciated. Don't really feel like spending another $300 to replace motor again. THANK YOU !~
Feb 19, 2021 at 6:51 PM (Merged)
Avatar
KHLOW2008
  • CERTIFIED EXPERT
  • 41,814 POSTS
Hi Rose22,

Not sure if there are separate fuses so you need to check the fuse boxes, If there are more than 1 indicated, then it most probably has a separate fuse.

It could be the switch or motor that is faulty. It could also be the wiring.
Feb 19, 2021 at 6:51 PM (Merged)
Avatar
ROSE22
  • MEMBER
  • 2 POSTS
Thanks for response. It started working again yesterday. First thing I tried when it happened was the Child safety locks and that didn't work. I tried it again yesterday for the heck of it (it was pouring cats n dogs!) and it worked ! Tonight it stopped again - i LOCKED the child safety lock and drivers window started working again but the other windows were locked. Crazy. Well it does sound like some sort of wiring issue

Thanks again !
Feb 19, 2021 at 6:51 PM (Merged)
Avatar
KHLOW2008
  • CERTIFIED EXPERT
  • 41,814 POSTS
Hi Rose22,

Most probably the master switch is having some bad contacts.
Feb 19, 2021 at 6:51 PM (Merged)
Avatar
SMAROTTA
  • MEMBER
  • 1 POST
Hi,
Just recently the power windows stopped working at each door location. When I depress the driver's window switch on the master switch, there is a buzzing noise. My local dealer thought it would be the master switch, so I purchased the master switch, but it did not fix the problem.

I certainly appreciate any insight.

Thanks,
Steve
Feb 19, 2021 at 6:52 PM (Merged)
Avatar
KHLOW2008
  • CERTIFIED EXPERT
  • 41,814 POSTS
Hi Steve,

You need to check for open circuit in wiring from driver door. Start from the driver door to body pillar wire harness. It is prone to wire breaking off due to openig and closing of door.
Feb 19, 2021 at 6:52 PM (Merged)
Avatar
08MIKEY66
  • MEMBER
  • 1 POST
Hi hope you can help.

The Power Master switch on my 97 Camry does not work properly. The drivers side window will not go up or down useing the master switch. Nor will it activate the passenger windows. All three passenger windows ( including the power door locks )will go up and down & work when using their own door switches. The only buttons that work on the master switch is the window lock & the door unlock button. The door lock button will only unlock the doors it will not lock them.I have replaced the Power Master switch on the drivers side as it had burnt out this was the origanal problem to start with.Thought a new master switch would fix the problem but it hasnt. I have checked all the fuses even the pink 30amp. But obviously if it was blown no window/door lock would work.If there was to be a loose wire/connection where would the best place to start looking. Any help would be great...
Feb 19, 2021 at 6:52 PM (Merged)
Avatar
TOYODAMASTERTECH
  • MEMBER
  • 25 POSTS
I would start by looking inside the rubber boot at the drivers side door hinge area. It is common for the wiring harness to have severed wires inside the boot where the harness goes from the drivers kick panel to the door.
Feb 19, 2021 at 6:52 PM (Merged)
Avatar
SWAY69
  • MEMBER
  • 1 POST
My passenger window do'nt work
Feb 19, 2021 at 6:52 PM (Merged)
Avatar
MHPAUTOS
  • CERTIFIED EXPERT
  • 31,937 POSTS
Hi there,

You will have to remove the inner trim panel and check for power at the motor, there are two wires power up and power down. if power at motor motor is faulty. if no power start checking at switch pack and see if the switch is working .

Mark (mhpautos)
Feb 19, 2021 at 6:52 PM (Merged)
Avatar
OLDPOSSUM
  • MEMBER
  • 3 POSTS
Instant problem...no warning or suggestion of pending problem.
The electric windows quit working, along with the speedmeter/odometer. I don't know if it could be related, but the transmission isn't shifting as it should.
Thanks very much -
Jerry
Feb 19, 2021 at 6:52 PM (Merged)
Avatar
BLUELIGHTNIN6
  • CERTIFIED EXPERT
  • 16,542 POSTS
hello

There is a common fuse #10 in the passenger fuse panel. Here is a guide to help check it and the fuse location in the diagrams below.

https://www.2carpros.com/articles/how-to-check-a-car-fuse

Check out the diagrams (Below). Please run this test and get back to us.
Feb 19, 2021 at 6:52 PM (Merged)
Avatar
OLDPOSSUM
  • MEMBER
  • 3 POSTS
Thanks for your response.

None of the windows, collectively or individually. I've checked all the fuses and they SEEM to be ok.

Thanks much
Feb 19, 2021 at 6:52 PM (Merged)
Avatar
BLUELIGHTNIN6
  • CERTIFIED EXPERT
  • 16,542 POSTS
How about the door locks? Are they workign fine? If so then test out the door lock control relay and power main relay.
Feb 19, 2021 at 6:52 PM (Merged)
Avatar
OLDPOSSUM
  • MEMBER
  • 3 POSTS
I appreciate your info I checked the fuse and it was bad, everything is working again!
Feb 19, 2021 at 6:52 PM (Merged)
Avatar
BLUELIGHTNIN6
  • CERTIFIED EXPERT
  • 16,542 POSTS
Nice work, we are here to help, please use 2CarPros anytime.
Feb 19, 2021 at 6:52 PM (Merged)
Avatar
CBRASSO
  • MEMBER
  • 43 POSTS
Okay, 30 amp fuse under steering wheel was blown so I replaced it. All windows and locks work except for driver window. Now I checked voltage at the plug that goes into the switches and I have 3 wires having 12v. I’m assuming I should have 4? I used multi-meter and found to have continuity from the kick panel to the Sam plug in the door on all but the red and I believe blue which are the colors of the wires that go into window motor. Is it possible both those wires happen to be cut in between the kick panel and plug are am I missing something?
Feb 19, 2021 at 6:53 PM (Merged)
Avatar
JACOBANDNICKOLAS
  • CERTIFIED EXPERT
  • 110,175 POSTS
Welcome to 2CarPros..

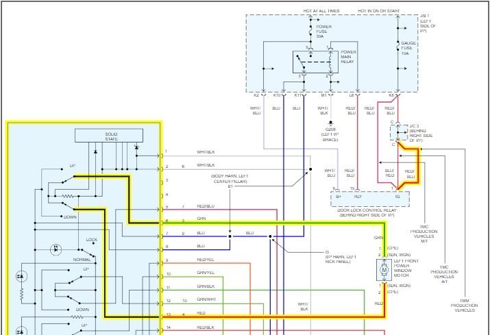
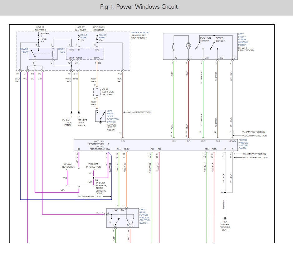
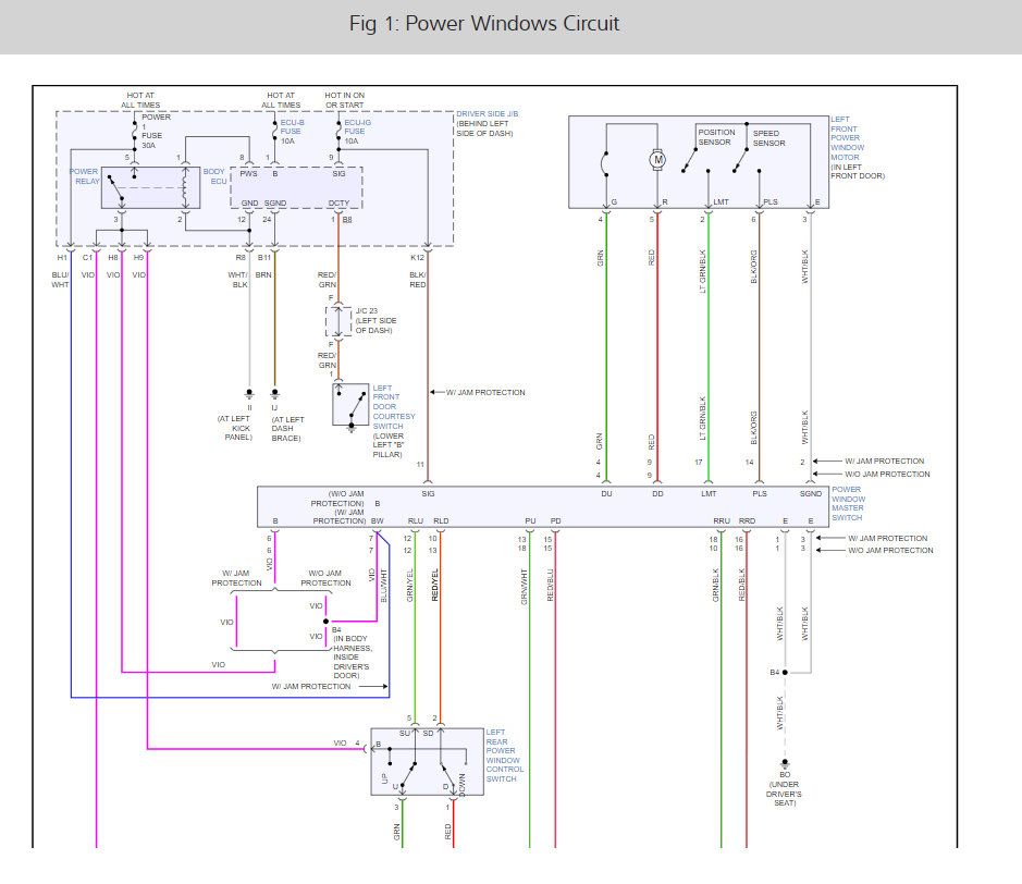
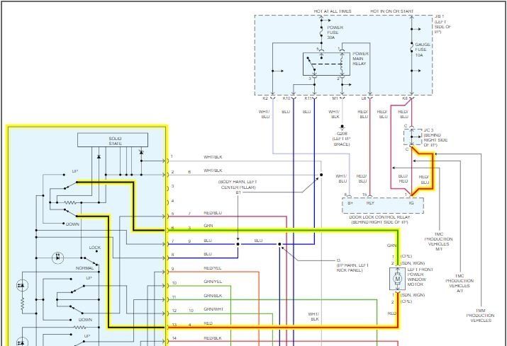
First, the green and red wires going to the left front (driver's) window will only have power based on the direction selected. See picture 1. Red is for down, and the green is up.

What I have done is attach the entire wiring schematic for you to review. I had to break it into two different pics for it to fit, but you will see all the wires and colors to help guide you. Also, I did overlap the pics so you can follow one to the next.

Take a look through it and let me know exactly which wires you are checking and what you are finding.

Take care,
Joe
Feb 19, 2021 at 6:53 PM (Merged)
Avatar
CBRASSO
  • MEMBER
  • 43 POSTS
Joe that was really helpful! I’ll save this for future reference! Turns out the motor is bad I was a bit confused on the wiring. Thanks a bunch!
Feb 19, 2021 at 6:53 PM (Merged)
Avatar
JACOBANDNICKOLAS
  • CERTIFIED EXPERT
  • 110,175 POSTS
Welcome back:

You are very welcome. Let me know if you have questions in the future.

Take care,
Joe
Feb 19, 2021 at 6:53 PM (Merged)
Avatar
TIFFANYWILDE
  • MEMBER
  • 3 POSTS
Replaced the power window/power lock fuse under driver side kick panel and tried two different master power window/lock switches. Power locks work on front passenger side door. Locks and unlocks all four doors. None of the window switches work. Every time I close the driver side door I hear click-click click-click.
Feb 19, 2021 at 6:55 PM (Merged)
Avatar
ASEMASTER6371
  • CERTIFIED EXPERT
  • 52,796 POSTS
you need to start with basics. check for power to the master switch and all other window switches. it sounds light you have a power supply issue and you need to find out where.

Roy
Feb 19, 2021 at 6:55 PM (Merged)
Avatar
TIFFANYWILDE
  • MEMBER
  • 3 POSTS
pretty sure the switch is not getting power. Where does the power for this switch come from?
Feb 19, 2021 at 6:55 PM (Merged)
Avatar
CADIEMAN
  • CERTIFIED EXPERT
  • 3,544 POSTS
first was the fuse blown
?with a testlight test that u have power to the locks and windows switchs this has to be a wiring or a relay.try to explain your problom better
Feb 19, 2021 at 6:55 PM (Merged)
Avatar
TIFFANYWILDE
  • MEMBER
  • 3 POSTS
Fuse appeared to be fine. replaced it anyway. trying to inspect the wires between the door and the body but I cant figure out how t remove the grommet. it extends into the door about 3". Any ideas about that. After inspecting wires I will try the main power relay.
Feb 19, 2021 at 6:55 PM (Merged)
Avatar
MHPAUTOS
  • CERTIFIED EXPERT
  • 31,937 POSTS
That grommet will peel out it can be a bit hard but it will come out.take the door trim of and check from that side if you cant move it.
Feb 19, 2021 at 6:55 PM (Merged)
Avatar
CADIEMAN
  • CERTIFIED EXPERT
  • 3,544 POSTS
dont go there yet.remove the switchs and check voltage to all the switchs and that power is their.
Feb 19, 2021 at 6:55 PM (Merged)