2007 Buick Rendezvous Warning Lights Flashing

2007 BUICK RENDEZVOUS
90,500 MILES
Avatar
WF2304
  • MEMBER
  • 3 POSTS
Like another questioner, when the engine is pushed to accelerate quickly, the battery warning lights come on and when pushed very hard all of the warning lights on the dashboard come on and the seatbelt alarm rings as well. at times under the hard push the engine seems to bog down a little bit as well. I've had the battery checked, the battery changed, the alternator changed and nothing seems to fix the problem. There is a spike in voltage happening upon acceleration and the technicians are stumped. Any thoughts on resolving this problem?
Jul 10, 2013 at 1:47 PM
Advertisement
Avatar
HMAC300
  • CERTIFIED EXPERT
  • 48,601 POSTS
recommended belt and tensioner replacement is 60k try that it may be letting alternator slip and not charge enough
Jul 10, 2013 at 3:18 PM
Avatar
WF2304
  • MEMBER
  • 3 POSTS
Thanks, I'll share that with the service tech tomorrow.
Jul 10, 2013 at 4:31 PM
Advertisement
Avatar
CIERRASDAD
  • MEMBER
  • 1 POST
Also, please let me know the outcome. My 2007 Buck Rendezvous just started doing this last week, and its frustrating not know what is happening. I dont want to replace the alternator unless i know that is 100% The problem. Thanks!!!
Aug 8, 2013 at 5:53 AM
Avatar
HMAC300
  • CERTIFIED EXPERT
  • 48,601 POSTS
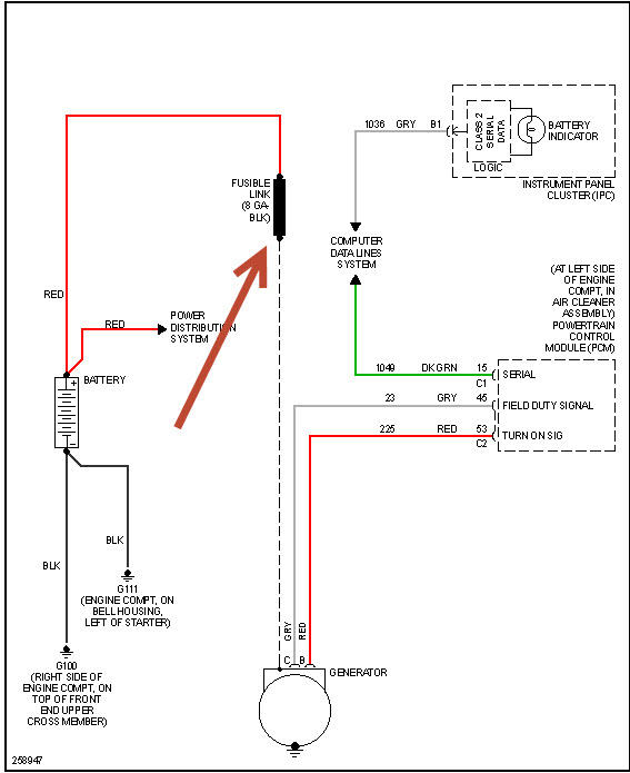
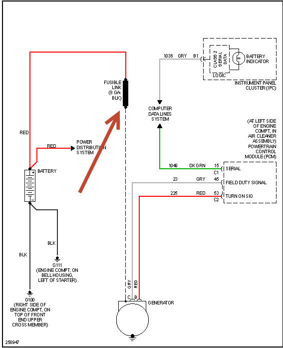
Not much I can add except in the pic I'm sending there is a fusible link. Check this for having only a few strands connected and not completely burnt up. It may be ok when at idle but when rpm's increase so does charging amps and it may not be enough to push through to let know it's charging. The round circular thing on your negative cable tells the alternator when to charge so check wiring going to that as well, that may be screwed up causing the problem.
Aug 8, 2013 at 6:04 AM
Avatar
BOB1986
  • MEMBER
  • 1 POST
Hi, I had this same problem on my 2006 Buick Rendezvous. From the research I did I found that some of the diodes go bad in the alternator. Initially my battery light would go on occasionally. Eventually it started going on more regularly. It seemed to occur while accelerating up to highway speed. I performed a charging system test and found no fault. I replaced the alternator with an ACDelco rebuilt alternator and I have not had the problem since. The alternator is at the back of the motor near the firewall on the passenger side. You will need to unbolt the front engine mounts and use a pull strap to pull the motor forward. You will also need to remove the windshield washer container and the belt tensioner pulley to give you enough clearance to pull the alternator out. Not a terrible job but it will take you 2 to 3 hours.
Dec 19, 2015 at 12:52 PM