the heated and cooling seats dont work on either side?

2007 CADILLAC ESCALADE EXT
80,000 MILES
Avatar
KEN MCG
  • MEMBER
  • 2 POSTS
when i turn on the heat or cooling on either side, i can hear the module click on and then clicks off in 5 seconds. i have replaced the module under the passenger seat but didnt fix the problem. the display stays on on the dash. every once and a great while it will work for a day or two but then acts up again. please help.
Jan 6, 2012 at 12:37 AM
Advertisement
Avatar
DRCRANKNWRENCH
  • CERTIFIED EXPERT
  • 3,380 POSTS
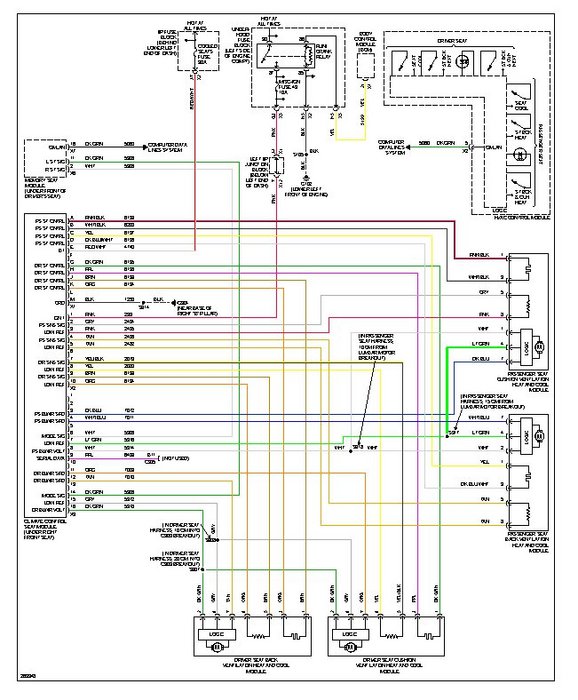
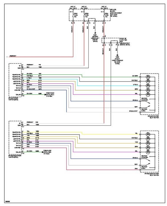
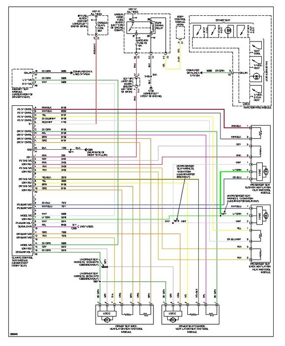
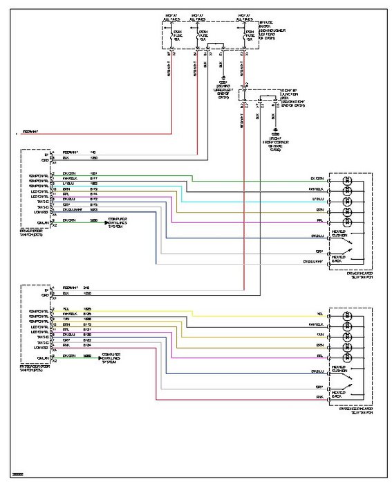
I am providing you with the wiring diagrams for the seat heater circuit, 2 of them, and the climate control circuit, 1 of them.
Inspect all grounds for tight, corrsosion free fir that has good contact with bare metal. Then inspect wiring for bare spots where insulation has come off. You may have to run the trouble codes to get a better idea. Any Advance Auto or Auto Zone will do this for free.
You may have a bad heating element, but I I understand you right the A/C cooling circuit cuts out too. Try to find common electrical components or wires in the wriing diagrams that are shared betrween systems and inspect those.
Jan 6, 2012 at 3:25 AM
Avatar
FACTORYJACK
  • CERTIFIED EXPERT
  • 4,159 POSTS
You do not have heating elements, you have what is called thermo-electric devices(TED), and the chance of having four of them inoperative is unheard of. When you replaced the module, did you notice any sign of charring, or did you look at the connector terminals. Usually, what happens is the power, or ground develops some poor contact, and the heat causes it to open further. There would be heat damage on the connector body, from the terminal side. Another place to visually inspect, is the harness connectors from the seat to the body harness, on either side. You will find the same condition, evidence of heat damage.
Jan 6, 2012 at 4:04 AM
Advertisement
Avatar
KEN MCG
  • MEMBER
  • 2 POSTS
ok, i will look into it tomorrow. thanks
Jan 6, 2012 at 4:35 AM