ignition module location

2007 CHEVROLET MALIBU
101,000 MILES • 2.2L • 4 CYL • FWD • AUTOMATIC
Avatar
BOB CLEVE
  • MEMBER
  • 1 POST
need to know where the ignition module on a 2007 chevy Malibu 2.2 liter
Jul 19, 2014 at 5:43 PM
Advertisement
Avatar
ERIC HENRY2
  • MEMBER
  • 1 POST
Having the same issue of finding the ignition control module location on my 2007 malibu. There is no coil cassette on top of my engine.
Jul 8, 2017 at 1:47 PM
Avatar
STRAILER
  • CERTIFIED EXPERT
  • 53,855 POSTS
Hello,

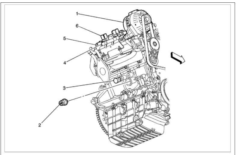
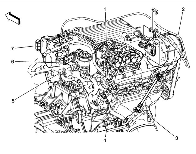
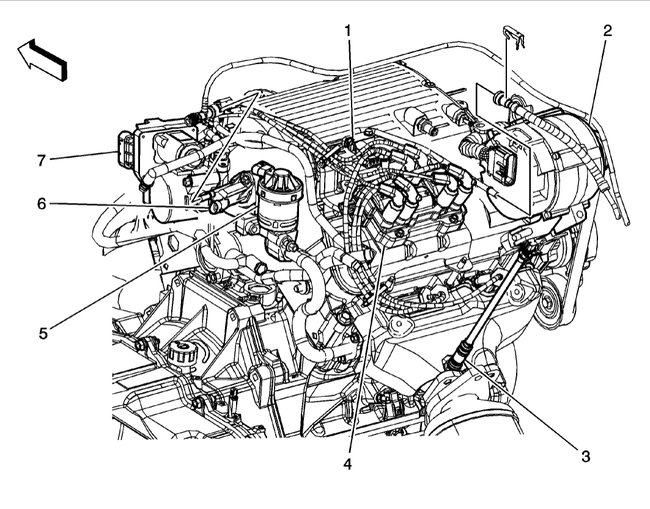
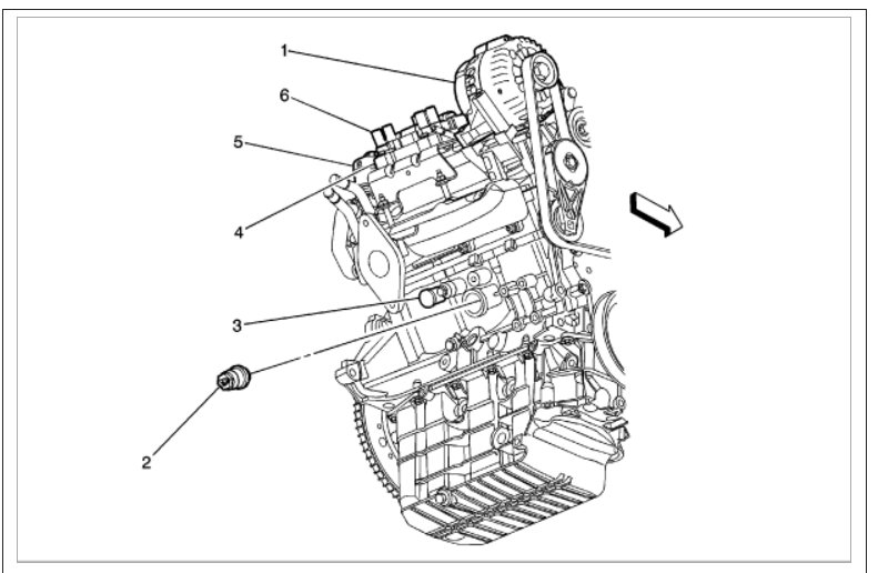
The ignition module is with the ignition coil check out the diagrams below it shows all engines for the car. Some cars don't have them in this year because the PCM does the job.

Please let us know if you need anything else to get the problem fixed.

Cheers, Ken
Jul 10, 2017 at 12:27 PM
Advertisement