replace the right front brake flex hoses

2007 CHEVROLET UPLANDER
49,450 MILES • 3.9L • V6 • FWD • AUTOMATIC
Avatar
KRE
  • MEMBER
  • 1 POST
plan on keeping it until it crumbles around me due to the cost. I would like to replace the right front brake flex hoses
Oct 14, 2014 at 6:42 PM
Advertisement
Avatar
DANNY L
  • CERTIFIED EXPERT
  • 5,648 POSTS
Hello, I'm Danny.

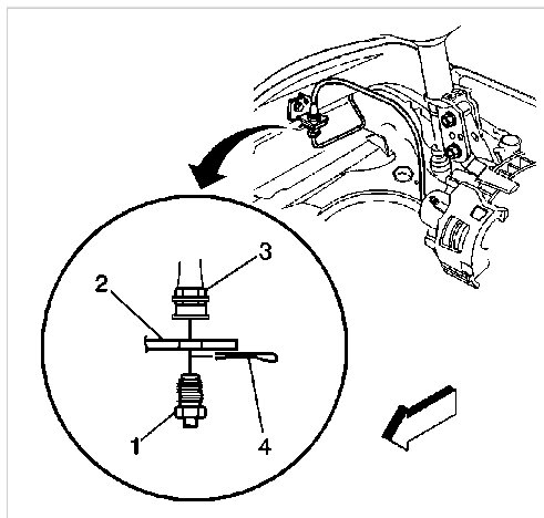
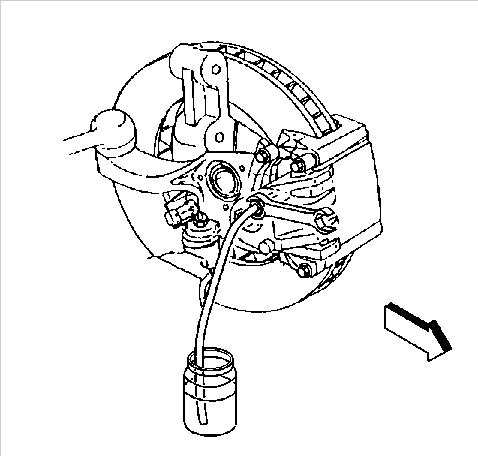
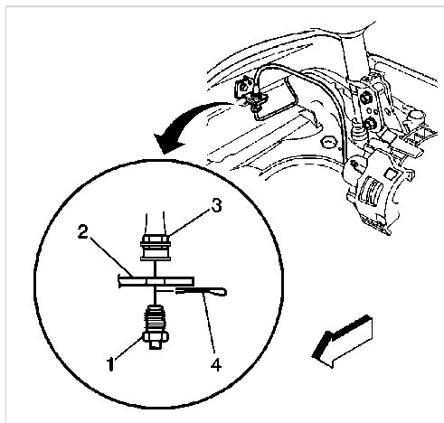
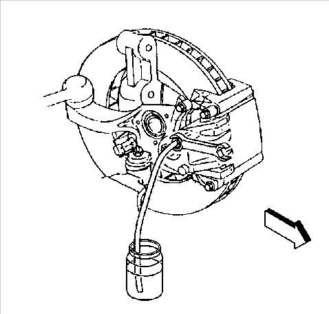
Here is the information you requested for brake line flex hose replacement. After replacing the line you will have to bleed the system to remove the air from opening the system. Here is a tutorial showing how to bleed the brake system after repair:

https://www.2carpros.com/articles/how-to-bleed-or-flush-a-car-brake-system

I've attached picture steps below on how to change the brake hose on your truck. Hope this helps and thanks for using 2CarPros.
Apr 8, 2021 at 8:50 PM