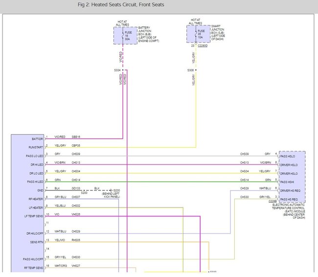
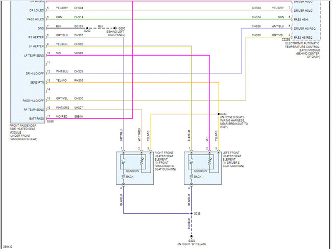
When the button for the heated front seats, either left or right, is pushed, the light comes on for about 4 or 5 seconds then goes out. The seats do not heat up.
I checked the fuse under the hood, it's good. I checked the wire harnesses under both front seats and all connectors seem to be plugged in and tight.
I believe it's something they both have in common, but I'm not sure what.
Do you know if there is a relay that controls both heated seats?
If so, what is the location?
I checked the fuse under the hood, it's good. I checked the wire harnesses under both front seats and all connectors seem to be plugged in and tight.
I believe it's something they both have in common, but I'm not sure what.
Do you know if there is a relay that controls both heated seats?
If so, what is the location?
Oct 30, 2013 at 12:54 PM














