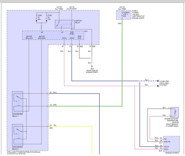
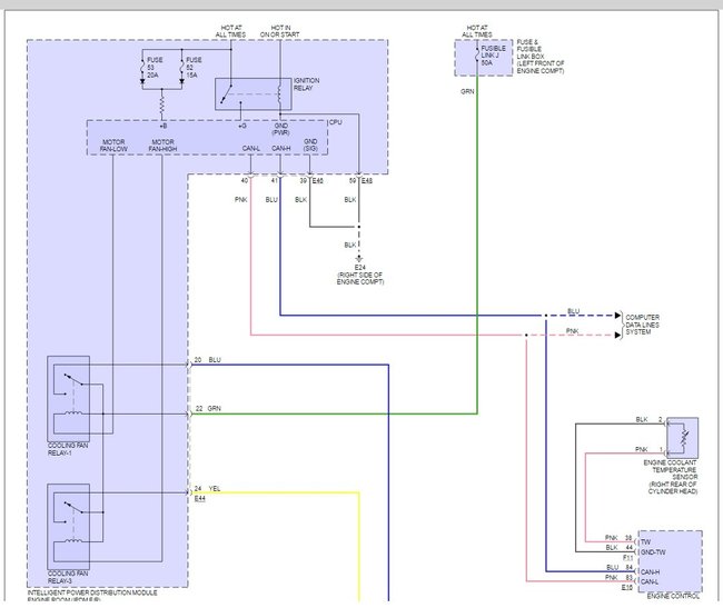
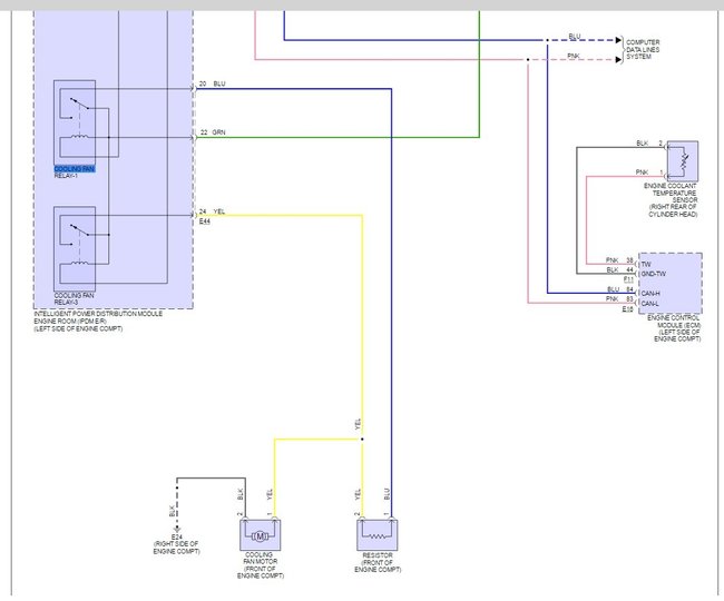
Check engine light on, code is p1652. What does this means? The vehicle will not give a continuous rev above 2,500 rpm. While driving the vehicle whenever you reach 2,500 rpm the vehicle stutters and cut its speed until you take your foot off the acceleration pedal.
Aug 7, 2013 at 11:59 AM

