when i turn the key it doesn't start?

2008 CHEVROLET UPLANDER
45,000 MILES
Avatar
JESSE KUEKER
  • MEMBER
  • 1 POST
I have a 2008 chevy uplander - But the horn goes off and the wipers turn on the lights blink but it wont start what do i do. first time this happened but wife was stranded and unhappy help me make her happy
Feb 12, 2012 at 2:47 PM
Advertisement
Avatar
JACOBANDNICKOLAS
  • CERTIFIED EXPERT
  • 110,175 POSTS
Is the security light coming on? It sounds related to it. Check the battery it could be low on charge. Here is a guide

https://www.2carpros.com/articles/car-battery-load-test

Please run down this guide and report back.
Feb 12, 2012 at 5:55 PM
Avatar
TURBOJAY
  • MEMBER
  • 2 POSTS
I had this problem and guide helped me see the battery was the problem got a new one for 124.00 all set :) I love this site.
Jul 9, 2019 at 5:36 PM
Advertisement
Avatar
ARC77079
  • MEMBER
  • 1 POST
Car starts and then wont start. First thing I check was the battery and terminals battery is good and terminals are tight. In dash system shows battery to be between 12 and 13.9 volts so I know there is enough power to start. When I turn the key all power comes on without surge. Second position I can hear the "click" that engages the starter but when I get to the third key position the engine will not turn over. It makes no sound, no clicking to tell me the starter is bad, no sound at all. Is this the solenoid? How do I find out what the problem is. I am not a mechanic but am very inclined so I don't have volt meters or anything like that. On an old car I would just stick a screw driver in the solenoid but on a newer car I don't know what to do. Any help is appreciated. Thanks
Jul 9, 2019 at 5:37 PM (Merged)
Avatar
SATURNTECH9
  • CERTIFIED EXPERT
  • 30,869 POSTS
Get a test light and see if you have power to the small purple wire at the starter with the key in the start position when it doesn't start?If battery and connections are good and you have power there when it doesn't start bad starter.
Jul 9, 2019 at 5:37 PM (Merged)
Avatar
BULL1772
  • MEMBER
  • 2 POSTS
I have lights, locks, but no instrument panel power sliding doors and it will not even try to turn over, nothing. no clicking of starter, nothing. However, if the starter is jumped it starts up but shuts off immediately after removing power.
Jul 9, 2019 at 5:37 PM (Merged)
Avatar
STRAILER
  • CERTIFIED EXPERT
  • 53,855 POSTS
Hello,

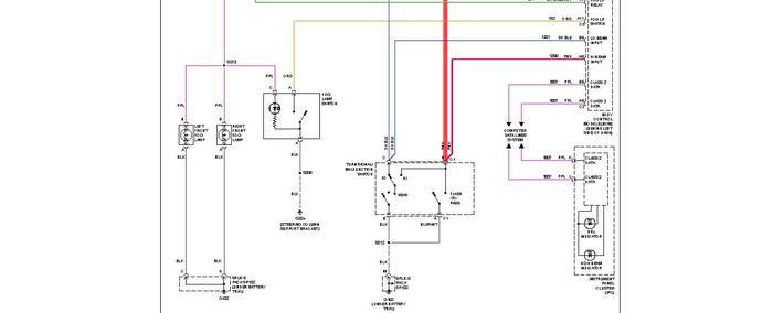
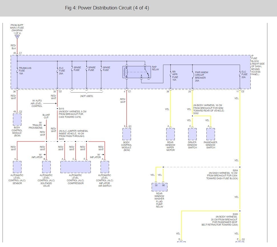
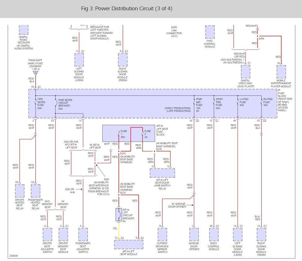
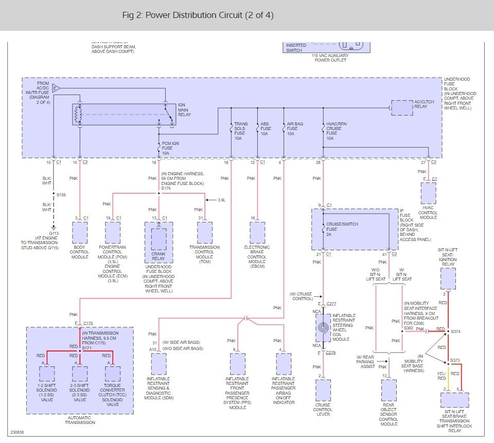
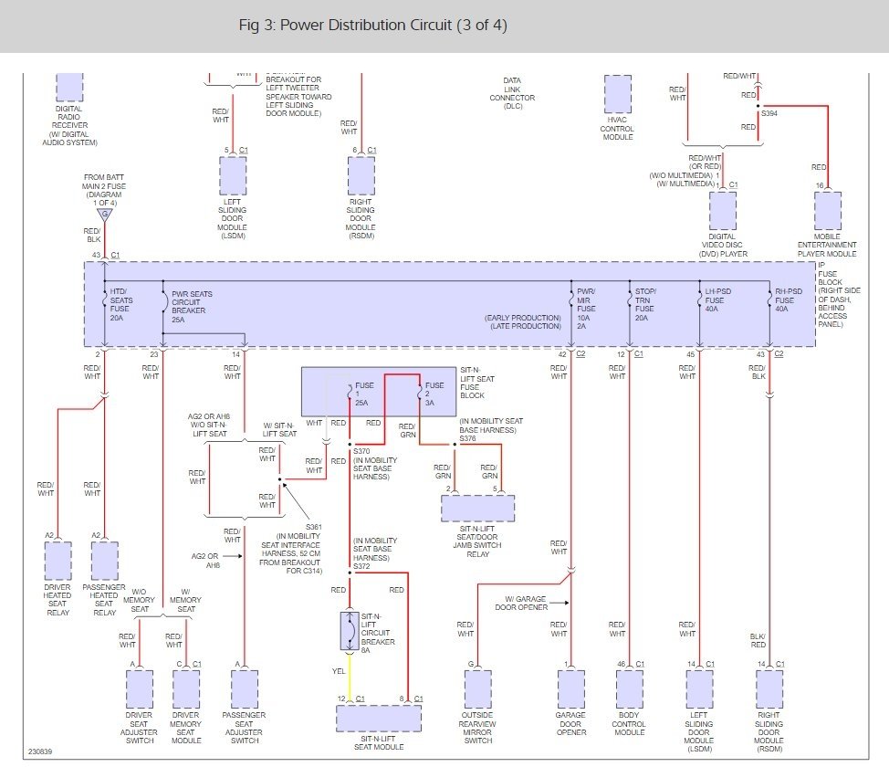
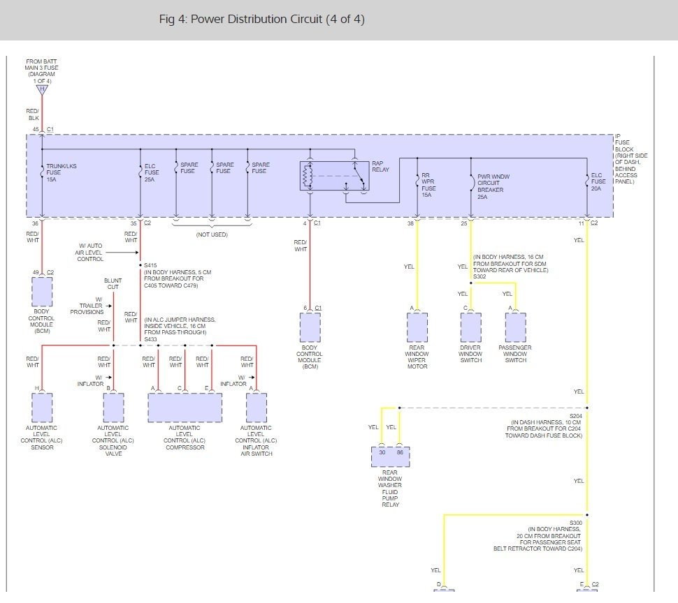
It sounds like either the ignition switch is bad or you lost a fusible link. Here is a guide to help you get started along with the wiring diagrams for your car. Use the test light to test for power at the switch and the fuse panel.

https://www.2carpros.com/articles/how-to-use-a-test-light-circuit-tester

Please let us know what happens, we are interested to see what it is.

Cheers, Ken
Jul 9, 2019 at 5:37 PM (Merged)
Avatar
BULL1772
  • MEMBER
  • 2 POSTS
Thanks but I found the issue. It was the digital media/radio amp. I'm assuming it was interfering with the security system. Pulled the fuse (#4) for the amp and it started right up.

Thanks again, Scott
Jul 9, 2019 at 5:37 PM (Merged)
Avatar
STRAILER
  • CERTIFIED EXPERT
  • 53,855 POSTS
Nice work, we are here to help, please use 2CarPros anytime.

Cheers, Ken
Jul 9, 2019 at 5:37 PM (Merged)
Avatar
LWBB
  • MEMBER
  • 1 POST
Engine Performance problem
2007 Chevy Uplander 6 cyl Front Wheel Drive Automatic

ran out of gas, put gas in-ran 1 mile and black smoke came out of tailpipe and it died and will not start again. it will turnover but will not crank
Jul 9, 2019 at 5:37 PM (Merged)
Avatar
SERVICE WRITER
  • CERTIFIED EXPERT
  • 9,123 POSTS
Cranking and turning over both mean the same, but I get what you mean.

IF fuel is supect, try shooting carb cleaner into the throttle body and see if it starts. If so, check the fuel pressure to see if it is in spec.

IT may be valuable to know if any codes were set in the computer, although none may be present.
If you are under 36,000 miles you should still be under factory warranty.
Jul 9, 2019 at 5:37 PM (Merged)
Avatar
DRUAA5
  • MEMBER
  • 1 POST
i have a 2006 chevy uplander. when you start it you have to give it gas or it won't start. also has a remote start and it does not always start with it.
Jul 9, 2019 at 5:37 PM (Merged)
Avatar
DR LOOT
  • CERTIFIED EXPERT
  • 2,311 POSTS
replace fuel filter to start
Jul 9, 2019 at 5:37 PM (Merged)
Avatar
CHUCKITUNA
  • MEMBER
  • 1 POST
There is no fuel filters on these models, no one has a part #
Jul 9, 2019 at 5:37 PM (Merged)
Avatar
JLNESVOLD
  • MEMBER
  • 1 POST
2005 Chevy Uplander

We live in Northern Minnesota, and when it gets cold here, the starter on our Uplander doesn't work. It will try once, for about five seconds, then just click. It's a fast click. Wait twenty minutes, try again, same thing. We hook it to some jumper cables and another vehicle, and it starts right away. Is there some sort of battery-protection trigger in there? And how can we make it stop doing this?
Jul 9, 2019 at 5:37 PM (Merged)
Avatar
SATURNTECH9
  • CERTIFIED EXPERT
  • 30,869 POSTS
i would start by having ur battery tested it sounds like u have a weak battery because if u can jumpstart it then i wouldnt suspect a starter or anything else except the battery also have the alternator checked as well.let me know what u find.
Jul 9, 2019 at 5:37 PM (Merged)
Avatar
2CP-ARCHIVES
  • MEMBER
  • 4,540 POSTS
car won't start. When you turn ignition key the door locks go up & down, the horn starts blowing & engine wont start.
Jul 9, 2019 at 5:37 PM (Merged)
Avatar
ASEMASTER6371
  • CERTIFIED EXPERT
  • 52,796 POSTS
does it crank???

Roy
Jul 9, 2019 at 5:37 PM (Merged)
Avatar
ROBERTBURDSAL
  • MEMBER
  • 1 POST
Same issue with my 07 Uplander - and it does not crank.
Jul 9, 2019 at 5:37 PM (Merged)
Avatar
2CP-ARCHIVES
  • MEMBER
  • 4,540 POSTS
Yesterday i drove vehicle to the store. When i got back in car i tried to start the car it would not start. When you open the door you hear a clicking noise and the interior lights blinks on and off. When i tried to jump start the car and start it the horn blows. Every time i turn the key to start the horn blows. When you take the jumper cables off the car and try to start it, the vehicle goes dead except display menu, radio, and the clicking and blinking light. Brought the car used it did not come with a key fob. What could this be?
Jul 9, 2019 at 5:37 PM (Merged)
Avatar
CJ MEDEVAC
  • CERTIFIED EXPERT
  • 11,004 POSTS
Remove battery.....to reset stuff

Recharge your battery ---- or have it tested --obtain a new one if needed

It needs to be fully charged upon installation

Regardless, have the battery and charging system tested at a popular auto parts store.....this is usually free!

Need a new one?

See this 1st

Http://www.2carpros.com/questions/1977-jeep-cj7-front-wheel-wont-into-4-low/page/2

Return with good news

Your turn

The medic

Jul 9, 2019 at 5:37 PM (Merged)
Avatar
OREO3
  • MEMBER
  • 1 POST
Engine Performance problem
2005 Chevy Uplander 6 cyl Front Wheel Drive Automatic
----------------------------------------------------------------
Sometimes when i go to start the vehicle, i let go of the key and the vehicle still tries to start by itself and then it go woof and stalls. It never got to start. This has happened periodicly since i have bought it in 2005 brand new. The chevy dealer said he can only pinpoint the problem when it does it.well.....it never did it repeatedly to where i could take it in to the dealer. It was randomly occurring. Well, it is now doing it more frequencely with more of a vengence,but, still at random. I don't want to be in the middle of the new jersey pinelands when it finally breaks down all together. Can you help?
Jul 9, 2019 at 5:37 PM (Merged)
Avatar
MHPAUTOS
  • CERTIFIED EXPERT
  • 31,937 POSTS
Hi there,

The fault i feel will be in either the ignition switch , starter relay or the starter. i would be thinking relay first, start there.

mark (mhpautos)
Jul 9, 2019 at 5:37 PM (Merged)
Avatar
2CP-ARCHIVES
  • MEMBER
  • 4,540 POSTS
van wont start,it just clicks still have power to lights and stuff just wont start.
Jul 9, 2019 at 5:37 PM (Merged)
Avatar
RASMATAZ
  • CERTIFIED EXPERT
  • 75,992 POSTS
Go to this walk thru link for more information: https://www.2carpros.com/articles/car-engine-will-not-crank-over
Jul 9, 2019 at 5:37 PM (Merged)