where is the fuse located the tail lights and dashboard lights?
2008 DODGE AVENGER
38,000 MILES
JOHNBEECHAM221
MEMBER
1 POST
FOLLOW
dashboard and tail lights not working. when you turn the lights on the dash flashes 5 times and then stops...no lights?
Jan 22, 2012 at 7:09 PM
Advertisement
STRAILER
CERTIFIED EXPERT
53,855 POSTS
Hey JOHNBEECHAM221,
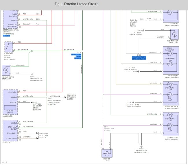
There are 3 fuses # 17, 3 and 33 that run the system that must be checked if all are okay it looks like it might be the integrated control module. Here is a guide and a wiring diagrams below that will help you check the fuses
Check out the diagrams (Below). Please let us know what you find. We are interested to see what it is.
Images (Click to enlarge)
Dec 14, 2016 at 5:10 PM
LISAMOOTHERY
MEMBER
1 POST
My dashboard lights will not come on everything else works. Please help me. what should I look for fuse? How do I get into the dashboard to change the light bulb?
Feb 4, 2019 at 3:21 PM
(Merged)
Advertisement
HMAC300
CERTIFIED EXPERT
48,601 POSTS
if the fuse was blown all interior lights would not work. have a mechanic scan for codes to see if it is the TPIM module causing the problem. it probably is.