Hi,
The first thing I would suggest is to check the brakes. There are steel sensors on the pads which rub the rotor when the pads are bad. That is likely what you hear. Pay attention to see if the pitch changes when the brakes are applied.
If you find the pads are the issue, here is a link that shows in general how to replace pads and rotors. It's isn't too hard of a job.
https://www.2carpros.com/articles/how-to-replace-front-brake-pads-and-rotors-fwd
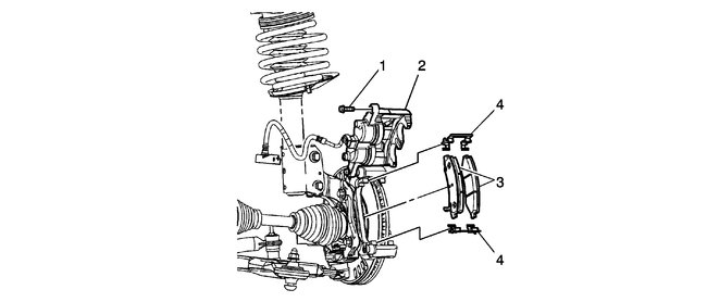
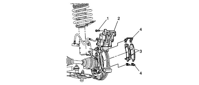
Here are directions specific to your vehicle, The actual directions are in the pictures.
I hope this helps. Let me know if you have questions or need help.
Take care and God Bless,
Joe
Images (Click to enlarge)
Mar 29, 2021 at 12:26 PM