4Lo blinking?

2009 TOYOTA LANDCRUISER
6 CYL • 4WD
Avatar
JAISHANET
  • MEMBER
  • 1 POST
4Lo blinking, what does it mean? Is there something wrong with the car? What shall I do? How can I fix the problem?
Jun 10, 2014 at 5:46 AM
Advertisement
Avatar
STRAILER
  • CERTIFIED EXPERT
  • 53,855 POSTS
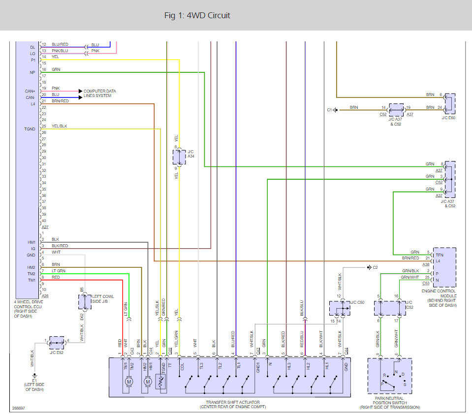
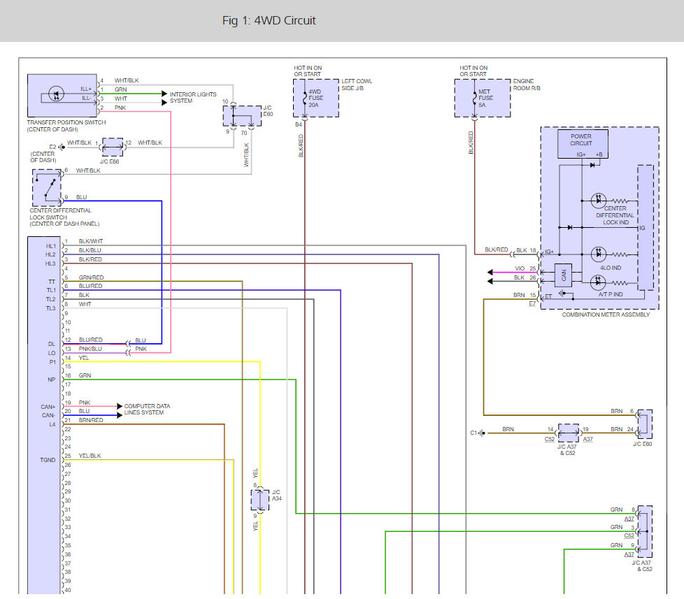
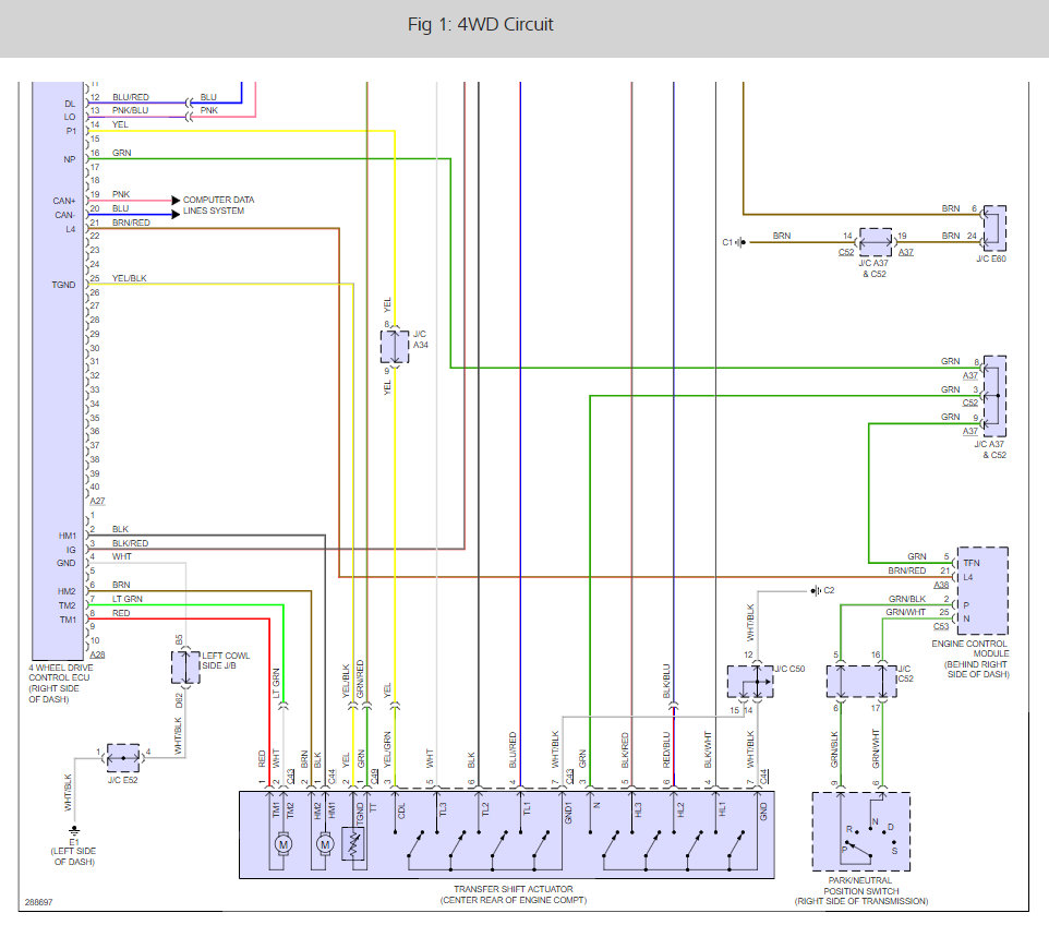
When the light blinks it means the 4wd is not working. Nine time out of ten it is the transfer case actuator which had big problems is that car. I have included two diagrams. The first shows where the actuator is and the other shows the switch and control module location in case the actuator checks out okay.

I would also check the fuse 4WD and MET because these are the two that run the system if one is out then the system will blink.

https://www.2carpros.com/articles/how-to-check-a-car-fuse

Here is the wiring diagram for the 4wd system and a guide on how to check it

https://www.2carpros.com/articles/how-to-check-wiring

If it all checks out the 4 wheel drive module is out, try to get a used one to save money. The dealer or a repair shop may need to program it in for you.

Please let us know happens so it will help others.

Best, Ken
Dec 9, 2016 at 11:47 AM
Avatar
ARYA AZAD
  • MEMBER
  • 1 POST
4lo with engine indicators lights are on do you know what this means so crazy? I love this site.
Oct 27, 2017 at 3:57 PM (Merged)
Advertisement
Avatar
STRAILER
  • CERTIFIED EXPERT
  • 53,855 POSTS
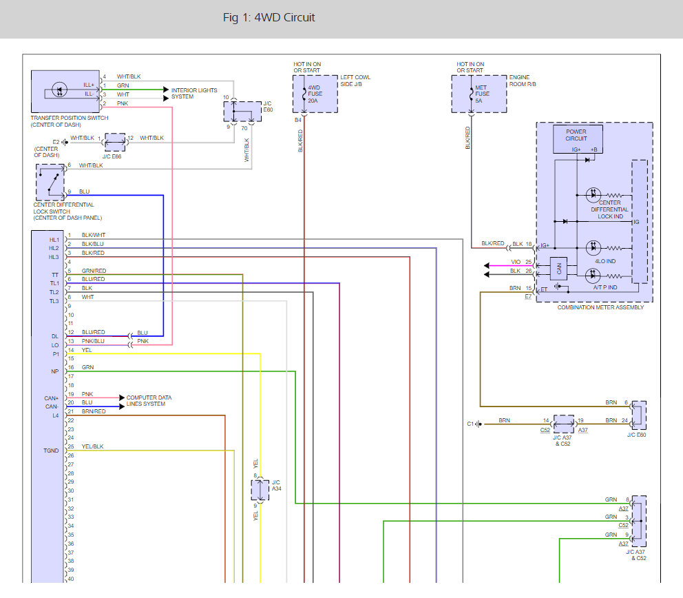
This means the transfer case is in 4 wheel drive low. If the car is driving normal and this light is on it means the position switch has come part internally and needs to be replaced, Here is a diagram that shows the switches location. (below)

https://www.2carpros.com/articles/how-to-use-a-test-light-circuit-tester

If the switch tests okay I would check the actuator motor circuits and connections.

Here is another guide that can help

https://www.2carpros.com/articles/how-to-use-a-voltmeter

Please let us know what happens.

Cheers, Ken
Oct 27, 2017 at 3:57 PM (Merged)
Avatar
CRISTIAN2
  • MEMBER
  • 4 POSTS
Hello ppl.
I have this 2009 Land cruiser, and the 4lo light is blinking, together with the check engin light ON. I checked the fuses, are ok. If I remove the battery for few minutes, the 4lo and check engine lights are gone, 4Lo is working perfect, difflock same. All working good. But after 2/3 days, when i start the engine in the morning, the lights are back, and 4lo not working.
Can someone please tell me approximately where to search for the problem?
Thanks!
Jan 15, 2018 at 7:39 AM
Avatar
KHLOW2008
  • CERTIFIED EXPERT
  • 41,814 POSTS
Hi Christian2,

You should start with a diagnostic scan to retrieve the trouble codes. Let us know the EXACT Diagnostic Trouble Code and we will try to help you figure this out.
Jan 15, 2018 at 5:56 PM
Avatar
CRISTIAN2
  • MEMBER
  • 4 POSTS
Hello again.
Sorry for taking so long, I worked today.
So I will attach the test report. Thanks for your help
Jan 16, 2018 at 6:27 AM
Avatar
KHLOW2008
  • CERTIFIED EXPERT
  • 41,814 POSTS
The diagnostic scan indicates 3 items related to the Check Engine and 4WD blinking.

P2240 and P2241 are faults with the O2 sensors and these results in the Check Engine Light coming on. These are usually due to faulty sensors and rectified by replacing them.

C1268 is a fault with the 4WD switch or its wiring. you would need to check for wiring or switch fault.
Jan 16, 2018 at 9:39 PM
Avatar
CRISTIAN2
  • MEMBER
  • 4 POSTS
Okay than. I will try to check them by my self. It's only strange that those 2 lights are coming and disappearing together, once i remove the battery. Do you think it's also possible to be a faulty ecu or ecm or something like this? It's not my area of expertise, so sorry if I ask stupid question :D
Jan 16, 2018 at 9:51 PM
Avatar
STEVE W.
  • CERTIFIED EXPERT
  • 15,113 POSTS
When you remove the battery the codes are erased from memory. Then when you reconnect it and run the engine they will return because the problems have not been repaired. Completely normal.
The codes all indicate circuit faults, KHLOW2008 is correct in having you check the wiring from the sensors and transfer case harnesses, these codes could all be caused by a short or broken wire in the circuit. Especially as they are intermittent. Look at the harness and any sharp corners or brackets including hitting the exhaust.
Jan 18, 2018 at 9:18 PM
Avatar
CRISTIAN2
  • MEMBER
  • 4 POSTS
So I found this problem in the engine compartment, but I cannot figure it out what it is. I cannot find anything on Google. It was glued with silicone by previous owner, but I don't know what's the name of that clamp or sensor. I would appreciate if you have any information. Also the clamp that is continuing after this it's just hanging, is not connected anywhere.
And a lot of melted cables from the exhaust, under the car. Most of them replaced.
Jan 20, 2018 at 2:09 AM
Avatar
STEVE W.
  • CERTIFIED EXPERT
  • 15,113 POSTS
That would be the power steering pressure sensor.
Toyota part # 8944834020
Wells # PS686
Good work finding the melted wiring.
Jan 20, 2018 at 5:50 AM
Avatar
ARNOLD MAGAñA
  • MEMBER
  • 3 POSTS
Question: I have a 2008 and my 4Lo is blinking and I have one code: 2440 - secondary air injection switching valve bank one is open. Thoughts on what is going on? Are the blinking 4Lo and the code related?
Jul 13, 2018 at 10:14 AM
Avatar
STEVE W.
  • CERTIFIED EXPERT
  • 15,113 POSTS
That code would not cause the 4Lo light to blink. You have two different problems. For the blinking 4 lo a factory level scan tool can pull the codes that are stored in the TCM/TCCM and give you a better idea of what to check.
Jul 13, 2018 at 2:53 PM
Avatar
ARNOLD MAGAñA
  • MEMBER
  • 3 POSTS
Thank you! I will have it checked out. Factory level scan sounds like a dealer scan?
Jul 13, 2018 at 2:57 PM
Avatar
STEVE W.
  • CERTIFIED EXPERT
  • 15,113 POSTS
Dealer or a good shop. Not the free scan places, as the tools that most of them use will not read the codes in that module.
Jul 13, 2018 at 5:02 PM
Avatar
ARNOLD MAGAñA
  • MEMBER
  • 3 POSTS
So the dealer told me it is the air injection pump that has failed and causing all the error messages. Since this will be my first repair on. Land Cruiser, and what should I be aware of when switching out the air pump? Any advice is appreciated!
Jul 19, 2018 at 6:39 AM
Avatar
STEVE W.
  • CERTIFIED EXPERT
  • 15,113 POSTS
That would set the EGR codes as they are not getting the air that they need to operate. It is behind the splash shield on the drivers side on the US version. I would check all the hoses it uses to feed air to the system as well to be sure it is not just a plugged or broken line.
The replacement is not hard. Remove the fender liner and remove and replace the pump. Check that the connector is clean and apply a bit of dielectric grease to it to keep it dry.
Jul 19, 2018 at 10:21 PM
Avatar
MOHAMMED EBRAHIM
  • MEMBER
  • 2 POSTS
what is the number in box of the fuse 4LO should I change it, could you please send photo of it.
Sep 30, 2019 at 10:26 PM
Avatar
STEVE W.
  • CERTIFIED EXPERT
  • 15,113 POSTS
What issue are you having with the 4WD that makes it seem like the fuse is bad? There isn't a separate fuse for 4LO, The system is powered by the single fuse labelled 4WD Fuse. If the other modes work but not 4LO you have a different issue. What vehicle are you working on?
Oct 1, 2019 at 2:08 PM
Avatar
MOHAMMED EBRAHIM
  • MEMBER
  • 2 POSTS
the car TOYOTA LAND CRUISER 2010, they check everything in the car no error, and running good, the Flashing of 4LO sometime coming and going
Oct 2, 2019 at 3:09 AM
Avatar
STEVE W.
  • CERTIFIED EXPERT
  • 15,113 POSTS
Sounds like an intermittent. That could be anything from a loose connection to a dirty switch in the 4X4 system. Probably the first thing I would try would be to find a patch of loose dirt or sand and switch it into and out of 4WD low a few times to cycle the switches and see if it cleans it up and stops the light flashing. Other than that it would require testing when the light is actually flashing to catch the problem.
Oct 2, 2019 at 10:05 AM
Avatar
MIKELEW
  • MEMBER
  • 1 POST
Get this,,, started up 2010 4Runner Limited (140,000mi) and 3 warning lights came on. The check engine light, a flashing 4Lo light and VCS OFF indicator light. Took the 4Runner to Oreilly Auto Parts and they hooked up a Bosch Diagnostics Meter to the vehicle's multi-pin diagnostic cable to determine reason(s) for the 3 warning lights. The meter indicated "check gasoline tank filler cap". Sure enough the cap was loose. After tightening the cap all 3 warning lights went off.
Oct 10, 2019 at 10:54 AM
Avatar
STEVE W.
  • CERTIFIED EXPERT
  • 15,113 POSTS
Welcome to 2CarPros. That is a strange one, My guess is that the CEL was turned on by the large vacuum leak that would have set an EVAP code. Toyota likes to link systems together and when the CEL came on it would limit the 4WD so fuel cannot leak out of the "open" filler. Any change in the 4WD status or transmission will turn off the Stability Control.
Oct 10, 2019 at 1:24 PM
Avatar
WALATA
  • MEMBER
  • 1 POST
i drive a Land Cruiser Prado 201. i have the 4lo on with check engine light blinking. the car did not start. please what could be the problem?
Dec 17, 2020 at 5:06 AM
Avatar
STEVE W.
  • CERTIFIED EXPERT
  • 15,113 POSTS
The blinking check engine light means a failure that can damage the emissions system, usually it means a cylinder misfire code is stored. First thing to do would be to use a scan tool and read the codes that are turning on the lights then go from there.
Dec 17, 2020 at 7:09 PM
Avatar
ABID SAOOD
  • MEMBER
  • 1 POST
Hi Steve,

i have 2013 Sequoia. 4Lo blinking along with TRC and engine repair light on. i checked the code and the code is P0974 Shift Solenoid "A" Circuit high (S1 solenoid). i replaced the one solenoid. some time the light gone but come back again and i am not able to have 4th gear while driving. please let me know what could be the problem.
Jul 2, 2021 at 11:36 AM
Avatar
STEVE W.
  • CERTIFIED EXPERT
  • 15,113 POSTS
That is a circuit code showing an open circuit for that solenoid. As it returned I would suspect the wiring to it as the issue. A way to test it would be to go to the connector for the transmission and check the red wire on pin 8. If you use a test light connected to battery power and touch the pin on the transmission side it should ground through the solenoid and light. Then connect the light to a ground and back probe the same wire with it connected and see if it shows power while shifting. It's somewhat common for the connector to develop problems if they get any moisture in them.
Jul 2, 2021 at 7:26 PM
Avatar
ANDY MU
  • MEMBER
  • 2 POSTS
hello.. i have this problem...ENGINE, SLIP and 4LO warning.. when i scan, its show Code P0420 ( exhaust catalytic converter )... i already change the sensor cable both catalytic, but after few hours, the warning come again... please help... :(
Aug 2, 2021 at 6:03 AM
Avatar
STEVE W.
  • CERTIFIED EXPERT
  • 15,113 POSTS
A P0420 is indicating the catalytic converter isn't working within proper range. If your scan tool can display live data you could look at both the front and rear O2 sensors and verify that by watching the rear sensors as the engine runs.
https://www.2carpros.com/articles/how-to-test-a-catalytic-converter

This could set the lights off but it's more likely something in the ABS or traction control, which, depending on the scan tool you have it may not read those codes.
I would start with checking the converter for function then use a dealer level scan tool to see if there are any hidden codes.
Aug 2, 2021 at 9:12 AM