Engine ticks and it leaks oil

2010 HONDA ODYSSEY
218,000 MILES • 3.5L • 6 CYL • 2WD • AUTOMATIC
Avatar
BUYRITEAUTO21
  • MEMBER
  • 31 POSTS
My van has an engine tick and leaks oil. I brought it to a shop and they said the timing belt needed replacing and the valve cover gaskets were leaking. The front gasket leaked and spilled oil onto the alternator. This caused the battery to drain. I had the front gasket replaced and several months later it is now leaking onto the alternator again. My question is, the oil that is leaking now, is it coming from the timing belt wear or would a gasket fail after about 6,000 miles?
Jun 28, 2021 at 6:47 PM
Advertisement
Avatar
JACOBANDNICKOLAS
  • CERTIFIED EXPERT
  • 110,175 POSTS
Hi,

The timing belt wouldn't cause a gasket to fail and leak oil. Which gasket is it that is leaking? Is it the valve cover again?

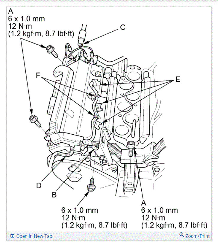
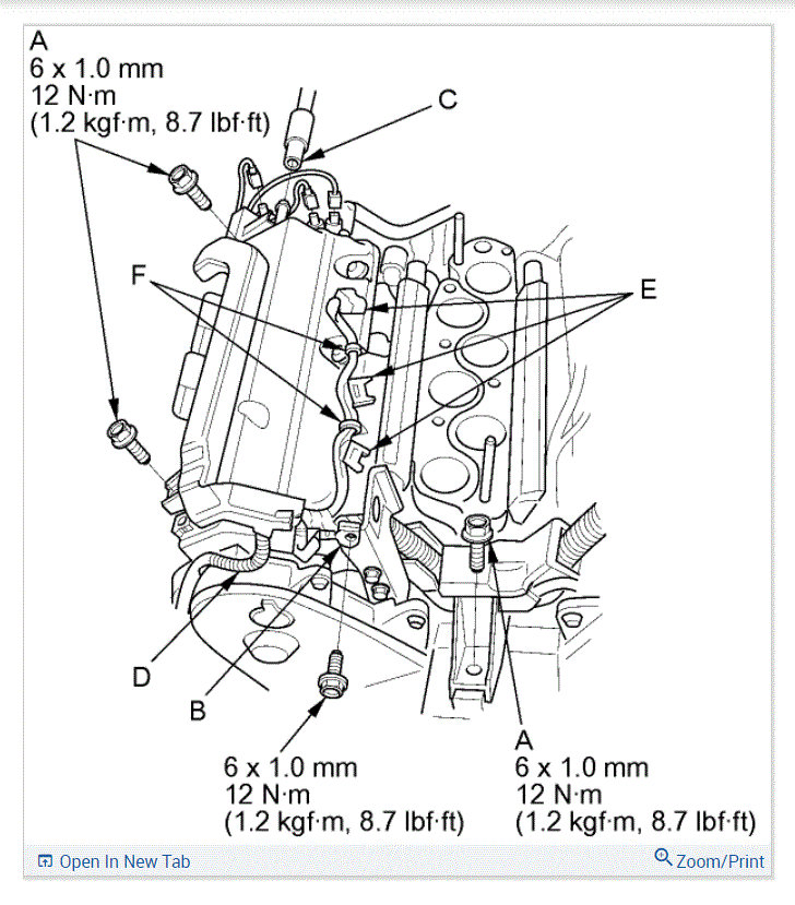
If it is, I attached the directions below specific to this vehicle for replacement if you would like to do it yourself. As far as the timing belt, when was it last changed? Also, is the tick loud enough for you to record and upload for me to hear?

Let me know.

Joe

See pics below.

Jun 28, 2021 at 10:16 PM
Avatar
BUYRITEAUTO21
  • MEMBER
  • 31 POSTS
The battery light is illuminated again. The alternator has already been changed 2 times in the last 6 months. Now the engine is making a whining noise as heard in the video. Also there is smoke coming out the exhaust, which hasn’t happened before. Any help is appreciated!
Jun 30, 2021 at 5:23 AM
Advertisement
Avatar
JACOBANDNICKOLAS
  • CERTIFIED EXPERT
  • 110,175 POSTS
Hi,

White smoke from the exhaust is usually an indication that engine coolant is entering the combustion chamber as a result of a bad head gasket. Check the coolant level to see if it's low.

I listened to the videos. Was the AC on? That noise could be from the compressor, but since the alternator light is on, chances are that is making the noise. I didn't notice a ticking sound. Was it present?

First, take a look through these links and let me know what you found:

https://www.2carpros.com/articles/head-gasket-blown-test

https://www.2carpros.com/articles/how-to-check-a-car-alternator

Let me know.

Joe
Jun 30, 2021 at 9:49 PM