fog light upgrade light's

2011 CHEVROLET AVALANCHE
158,621 MILES • 5.3L • 6 CYL • 2WD • AUTOMATIC
Avatar
ROYCAR71
  • MEMBER
  • 359 POSTS
I'm upgrading to 5202 LED Fog Light Kit ironwall. The old halogen lights work, but when I replace with led lights they don't turn on. Do I need to upgrade relay in circuit?
Feb 20, 2021 at 1:31 AM
Advertisement
Avatar
STRAILER
  • CERTIFIED EXPERT
  • 53,855 POSTS
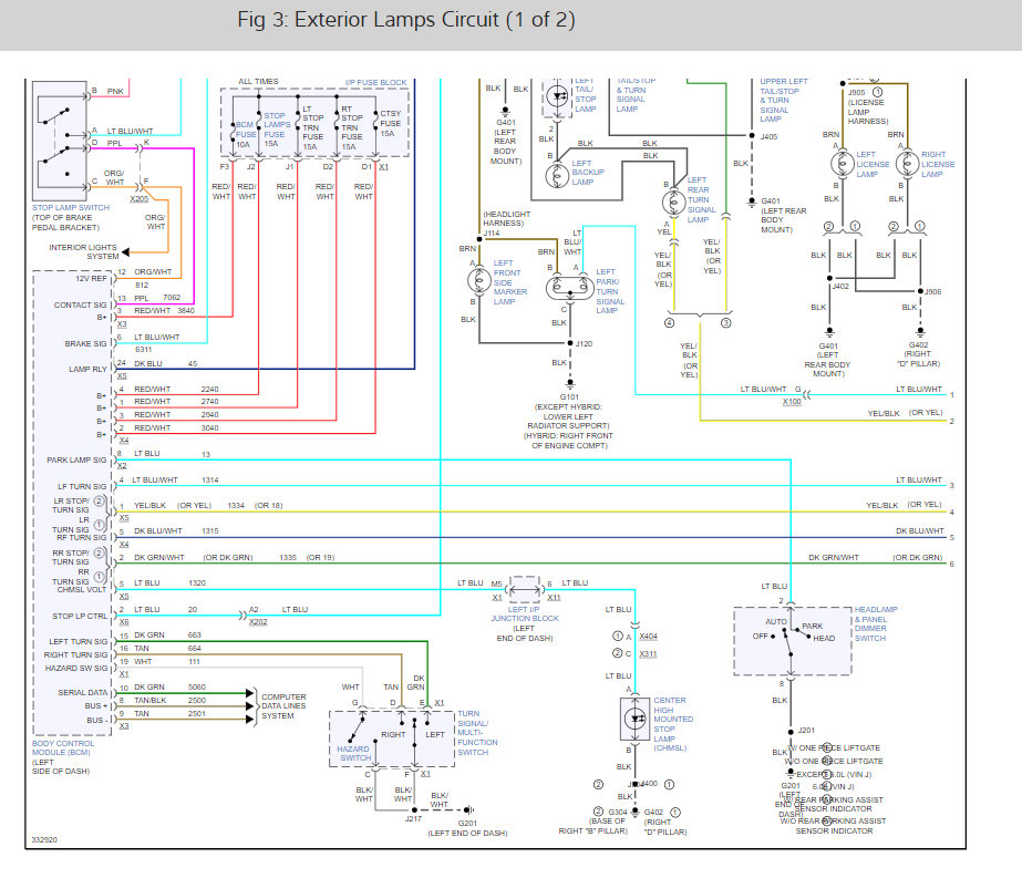
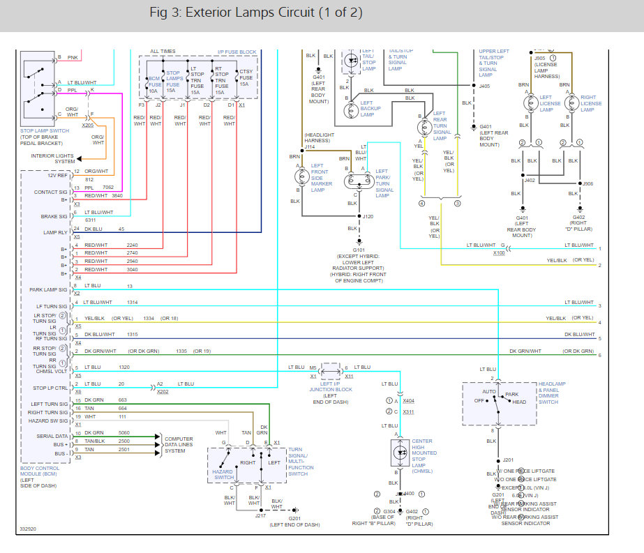
Nope, they should work. you can check for power and ground using this guide with the fog light wiring diagrams below to show you how the system works:

https://www.2carpros.com/articles/how-to-check-wiring

Check out the diagrams (below). Please let us know what happens.
Feb 21, 2021 at 9:54 AM
Avatar
ROYCAR71
  • MEMBER
  • 359 POSTS
Quick note. The wiring and fog lights are after market I installed. It came with 30 amp relay and 15 amp fuse. This setup works fine with regular halogen bulbs. But new led lights with fan in back they won't. Is that a sign that it's not getting enough power?
Feb 22, 2021 at 3:34 AM
Advertisement
Avatar
STRAILER
  • CERTIFIED EXPERT
  • 53,855 POSTS
It could be. let's check using a voltmeter. this guide can help us figure out what's going on:

https://www.2carpros.com/articles/how-to-use-a-voltmeter

Please run down this guide and report back.
Feb 25, 2021 at 8:02 AM