Back-Up Camera Not Working

2012 DODGE DURANGO
35,000 MILES
Avatar
CARCHJACK
  • MEMBER
  • 1 POST
The back up camera located in front of my tag seems to have stopped working overnight. Not sure what's wrong. When I place the vehicle in reverse, my touchscreen is totally black, I cannot see anything behind me on the screen. What could the issue be? Thanks!
Jul 10, 2013 at 3:07 PM
Advertisement
Avatar
JACOBANDNICKOLAS
  • CERTIFIED EXPERT
  • 110,175 POSTS
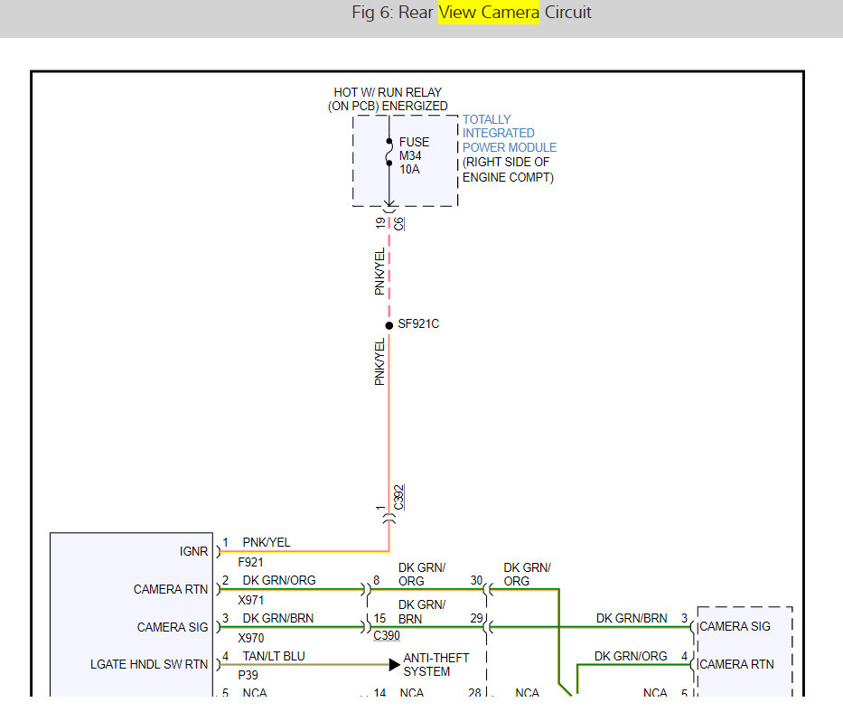
Make sure nothing is obstructing the camera. If it looks clean lets check the fuse (m34) here is a guide to help and the fuse location as well in the diagrams below.

https://www.2carpros.com/articles/how-to-check-a-car-fuse


Here is the wiring diagrams so you can see how the system works. Check out the diagrams (Below). Please let us know what you find. We are interested to see what it is.
Jul 10, 2013 at 3:36 PM