Stereo Wiring Please?

2012 TOYOTA COROLLA
FWD • AUTOMATIC
Avatar
NEIHN
  • MEMBER
  • 2 POSTS
I am looking for a wiring diagram for a 2012 Toyota Corolla. More specifically I need the one for the 28 pin connector that plugged into the back of the factory unit. I am looking for the Speed Pickup Sensor wire so I can properly connect my new navigation unit. The stereo came out was a factory non-navi unit model number 86120-02F90.
Mar 25, 2014 at 12:34 PM
Advertisement
Avatar
HMAC300
  • CERTIFIED EXPERT
  • 48,601 POSTS
Here is a guide to help you test the wiring with the radio wiring diagrams below for both navigation and non navigation models below.

https://www.2carpros.com/articles/how-to-check-wiring

Check out the diagrams (Below). Please let us know if you need anything else to get the problem fixed.


Mar 26, 2014 at 6:50 AM
Avatar
NEIHN
  • MEMBER
  • 2 POSTS
TMC made. I found another thread by you for a 2011 Toyota Corolla w/o Navi TMC made with schematics that are of a viewable size for me. But I will wait for you to say if they are the same or not before I bother pulling the dash apart again.

I had first found this site through google that took me to a thread by Rivermikerat but those images were to small to see and he no longer had access to that information.
Mar 26, 2014 at 12:29 PM
Advertisement
Avatar
HMAC300
  • CERTIFIED EXPERT
  • 48,601 POSTS
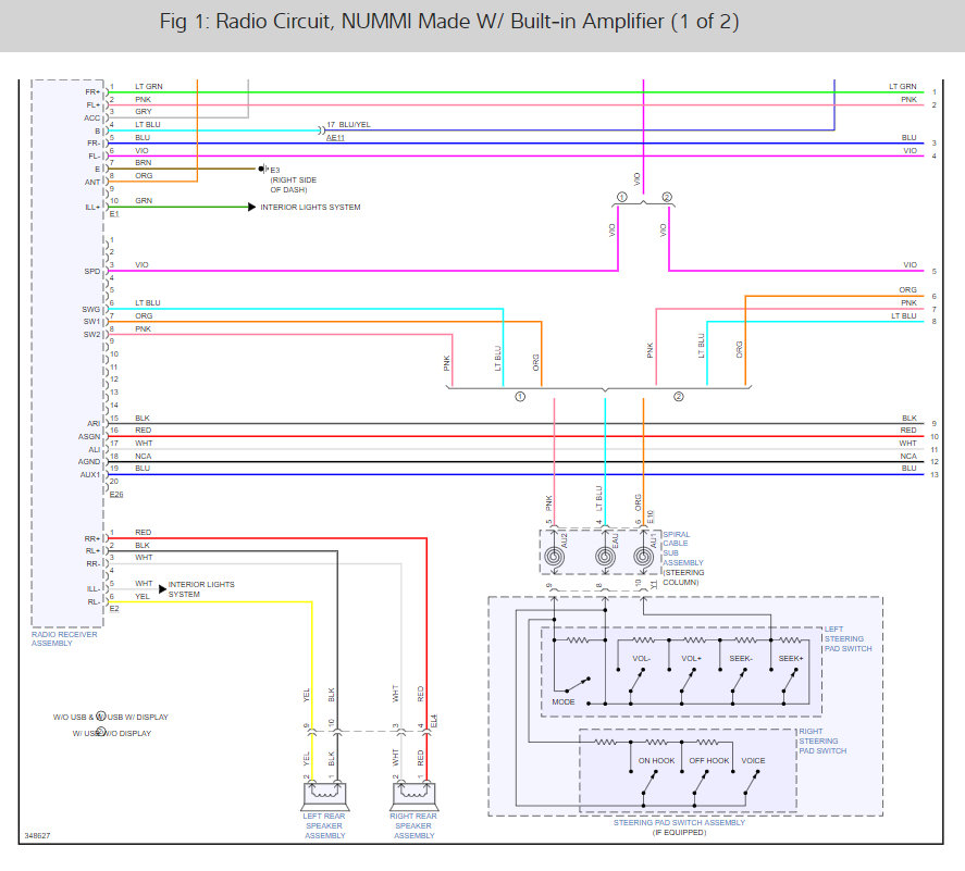
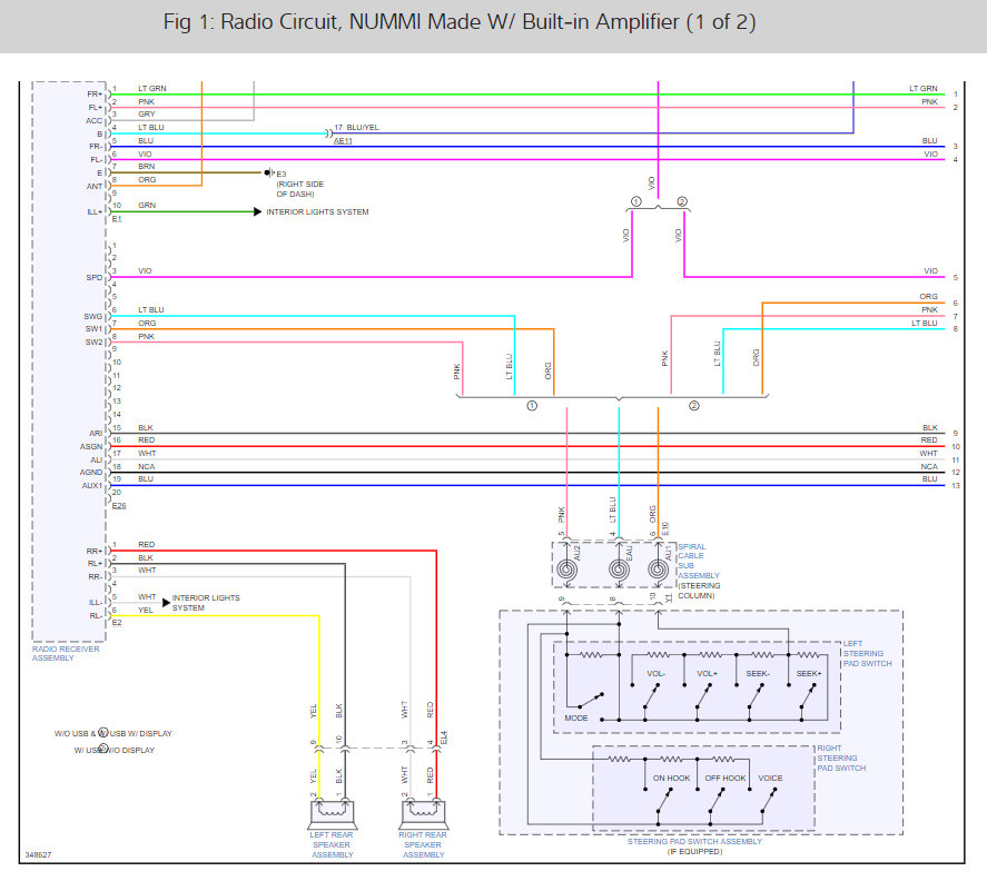
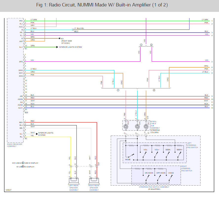
on the 2012 model both nummi and tmc have the violet wire that goes to spd on radios. pin 3 is without usb and pin17 is with usb.
Mar 26, 2014 at 12:40 PM
Avatar
TRUYEENX
  • MEMBER
  • 1 POST
Pls give me wiring diagram for Panasonic 86120-02D20 installed 2011 Toyota corolla
(Without Nav and with built-in amp. Model 86120-02D20)

Thanks
Sep 25, 2020 at 10:17 AM (Merged)
Avatar
HMAC300
  • CERTIFIED EXPERT
  • 48,601 POSTS
yep here are the radio wiring diagrams for your car let me know if you need anything else. (below)
Sep 25, 2020 at 10:17 AM (Merged)
Avatar
JALIS_21
  • MEMBER
  • 7 POSTS
i want upgrade my speakers in my 2011 corolla and i also want to add AMP in my car to i want to know color code for wire so that i connect my speaker. Can anyone help me getting 2011 corolla wiring diagram for CD receiver. Thanks in advanced.
Sep 25, 2020 at 10:17 AM (Merged)
Avatar
ASEMASTER6371
  • CERTIFIED EXPERT
  • 52,796 POSTS
be careful adding any amps. computers are very sensitive to all these and you can do a lot harm to the electrical system. Here is a guide to help you check the wiring with the radio wiring diagrams below.

https://www.2carpros.com/articles/how-to-check-wiring

Check out the diagrams (Below). Please let us know if you need anything else to get the problem fixed.
Sep 25, 2020 at 10:17 AM (Merged)
Avatar
JALIS_21
  • MEMBER
  • 7 POSTS
here is my head unit photos of 2011 corolla i want to know color coding of wire like speakers, power etc. I want to replace my factory speakers and add amp to my car i also got RCA level input device. please help me.........
Sep 25, 2020 at 10:17 AM (Merged)
Avatar
JESERV74
  • MEMBER
  • 1 POST
I did the install while battery was disconnected and made sure all circuits are complete before i hooked battery back up. when the ignition is turned to on position electric fans turn on, car cranks but wont start. usually at start up when key turned to acc. the gauge cluster jumps and zeros out. then when started everything functions. Since stereo install no gauge movement. I have been through the fuse box twice, both under the dash and engine compartment. All fuses are good. Also the main fuse link has been tested and all contacts are good. Also i tested fuel supple with starting fluid with no avail. I am assuming there bis no spark or injectors are not pulsing? Please send help!
Sep 25, 2020 at 10:18 AM (Merged)
Avatar
JACOBANDNICKOLAS
  • CERTIFIED EXPERT
  • 110,175 POSTS
Take a look at the attached picture and check that fuse. What you have described doing makes sense. However, I have a feeling you popped a fuse and don't realize which one it is.

https://www.2carpros.com/articles/how-to-check-a-car-fuse

https://www.2carpros.com/articles/how-to-check-wiring

https://www.2carpros.com/articles/how-to-use-a-voltmeter

Let me know.

Joe

Sep 25, 2020 at 10:18 AM (Merged)
Avatar
SCGRANTURISMO
  • CERTIFIED EXPERT
  • 4,897 POSTS
Hello,

This could be a problem with your vehicle's Camshaft Position Sensor (CMP) or the circuit itself. In the diagrams down below I have included the description of the CMP circuit as well as diagnostic troubleshooting tests and the CMP wiring diagram for you. Please go through these guides and get back to us with what you are able to find out.

Thanks,
Alex
2CarPros
Sep 25, 2020 at 10:18 AM (Merged)
Avatar
SHERRIBEE
  • MEMBER
  • 2 POSTS
Interior problem
2003 Toyota Corolla 4 cyl Two Wheel Drive Automatic

I have a factory radio in my car. I had another model installed about a year ago. since it was installed, the radio will not lose power but it just stops playing music on the radio and you can't hear the sound. I had the old radio put back and it still does the same thing. It will be playing okay and the sound cuts out but the power is still on. The audio systems I have don't seem to be the problem. Both do the same thing. I'm wondering if this is a fuse or wiring issue. I just don't know. I don't have money to lose to take it to a toyota dealer.
Sep 25, 2020 at 10:18 AM (Merged)
Avatar
MMPRINCE4000
  • CERTIFIED EXPERT
  • 8,548 POSTS
Many times factory radios will have a security system installed.

Best advice is to check owners manual about any radio codes you have, or to reprogram radio.
Sep 25, 2020 at 10:18 AM (Merged)
Avatar
SHERRIBEE
  • MEMBER
  • 2 POSTS
I looked in the Manual and there was nothing in there about a security code.
Sep 25, 2020 at 10:18 AM (Merged)
Avatar
MMPRINCE4000
  • CERTIFIED EXPERT
  • 8,548 POSTS
Then you will have to remove radio and check the wiring for frayed insulation.

Also check fuses.
Sep 25, 2020 at 10:18 AM (Merged)
Avatar
SCHMIDTS76
  • MEMBER
  • 1 POST
My car radio would work only sometimes. When I went over a bump it would cut on or off. Finally it died altogether. Then a few weeks later the car wouldn't start. We replaced the battery. Car ran fine for a while then would not start again. Took it in and had the battery cables replaced. Technician said the cables were corroded and so the battery could not get a charge. They tested the alternator twice and it passed. My question is, could possible problems with the wiring to the radio continue to corrode the cables?
Sep 25, 2020 at 10:18 AM (Merged)
Avatar
STEVEW84
  • CERTIFIED EXPERT
  • 673 POSTS
most likely not, unless it has been sitting under water for a while. I would make sure that you have ground and power to the radio. If you do, then you have a radio problem.
Sep 25, 2020 at 10:18 AM (Merged)
Avatar
ADPA76
  • MEMBER
  • 1 POST
Can somebody help me? I am trying to change my radio, but i need the wiring diagram for Corolla 1994. PLEASE!!!! help me... !!! thanks
Sep 25, 2020 at 10:18 AM (Merged)
Avatar
MERLIN2021
  • CERTIFIED EXPERT
  • 17,250 POSTS
Here it is the radio circuit...


https://www.2carpros.com/forum/automotive_pictures/62217_Radio_Circuit_2.jpg

Sep 25, 2020 at 10:18 AM (Merged)
Avatar
JALIS_21
  • MEMBER
  • 7 POSTS
i have corolla 2011 LE i want to know color coding of wire on head unit like speakers, power etc. I want to replace my factory speakers and add amp to my car i also got RCA level input device. there are lot of different wire coming and going out of head unit can you please tell which color of wire connects and where it goes please help me......... thnaks

Sep 25, 2020 at 10:18 AM (Merged)
Avatar
JALIS_21
  • MEMBER
  • 7 POSTS
i also want headunit wiring diagram for 2011 corolla LE thnkas
Sep 25, 2020 at 10:18 AM (Merged)