Blinker stays on

2013 FORD F-150
16,000 MILES
Avatar
PWNURLIFEEE
  • MEMBER
  • 1 POST
My f150 blinker is going haywire... It is stuck on the right turn signal even when the turn stick is in normal position. Since this started my left blinker won't work but when I turn my stick to turn on the left blinker, my right one turns off. I pulled the fuse for the right blinker. It turn the outside blinker off but my indicator inside just moves twice as fast now. Please help!!
Nov 13, 2013 at 5:56 PM
Advertisement
Avatar
JONNYAIKS
  • MEMBER
  • 1 POST
Mine just started this tonight (2013 F-150) - only 6500 miles on it. I certainly don't hang on the lever, nor am I rough with it. I guess sometimes parts just fail, or assembly just didn't go perfectly. Off to the dealer for warranty repair. If they give me a specific explanation, I'll post it. It seems to be an issue that comes up from time to time - I don't know that it's a regular issue.
Nov 25, 2013 at 3:03 PM
Avatar
STRAILER
  • CERTIFIED EXPERT
  • 53,855 POSTS
The blinkers are run by the BCM which sounds like is having a problem. Usually the blinkers will turn off with the key if it was something like a switch but the BCM stays live with the key off.

To find out for sure we must scan the CAN here is video to show you how.

https://youtu.be/InIlnsjOVFA

If it is the BCM you will need to have a shop program it for you it should cost about $130.00

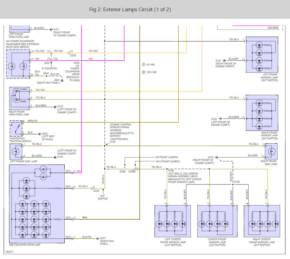
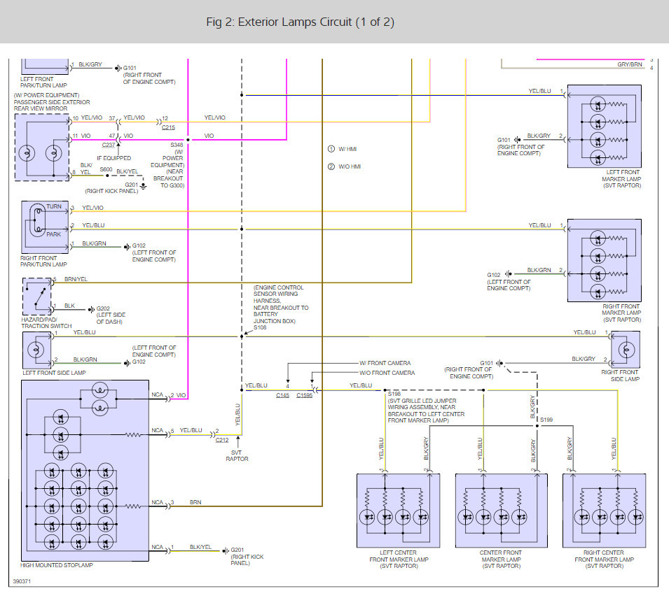
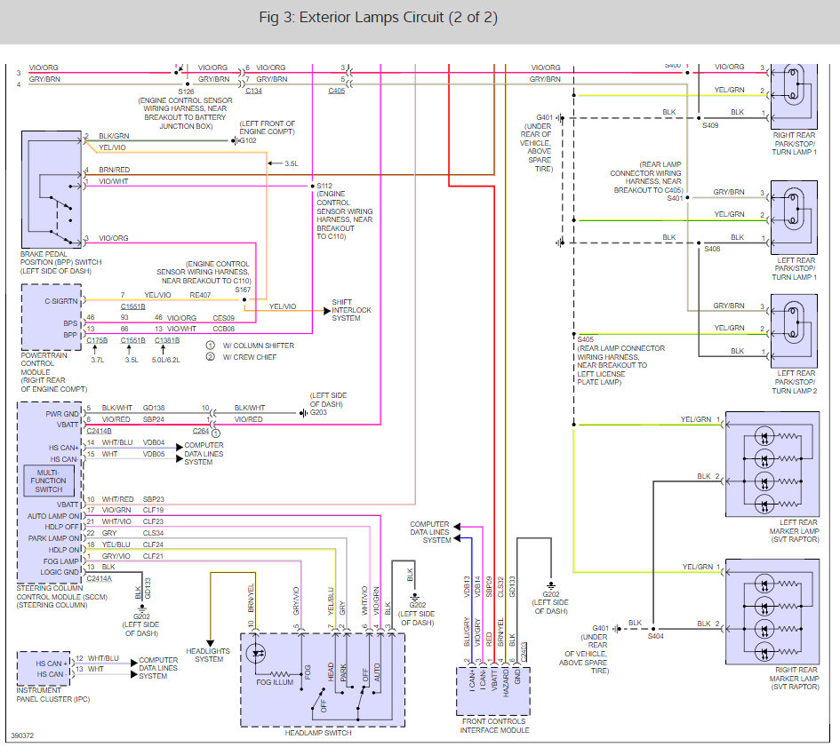
Check out the diagrams (Below). Please let us know what you find. We are interested to see what it is.

Sep 21, 2017 at 4:22 PM
Advertisement
Avatar
REY-GTS
  • MEMBER
  • 1 POST
Thank you for this post I had this problem and they had to replace the BCM all fixed! I love this site.
Apr 17, 2019 at 11:35 AM