2015 Buick encore radio harness wiring diagram

2015 BUICK ENCORE
13,000 MILES • 4.1L • 4 CYL • 2WD • AUTOMATIC
Avatar
REDASHTRAY
  • MEMBER
  • 1 POST
I need the radio wiring diagram for a 2015 Buick encore
Aug 10, 2025 at 5:20 PM
Advertisement
Avatar
STRAILER
  • CERTIFIED EXPERT
  • 53,855 POSTS
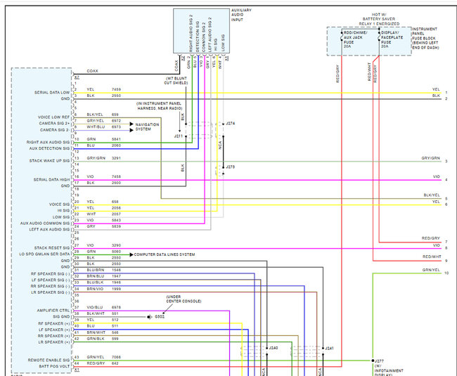
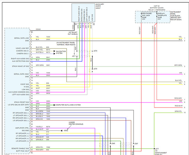
A lo, yep I got you covered, here are the wiring daigrams for the radio. Check out the images (below). Let us know if you need anything else.
Aug 11, 2025 at 11:42 AM