Passenger side mirror replacement wrong wiring

2015 TOYOTA RAV4
95,000 MILES • 2WD • AUTOMATIC
Avatar
CEL FLO
  • MEMBER
  • 2 POSTS
Okay, I bought an upgrade for my passenger side mirror on accident for my vehicle listed above. I meant to just buy the same one but that is neither here nor there.

I was wondering if anyone knew which wires go to which because instead of returning I'm just going to splice the wiring. The old mirror wiring is dark green, yellow, and light green. The new mirror has 2 black wires, one yellow, pink, white, blue, and purple. Attached are photos. Any help is much appreciated!!!
Nov 29, 2020 at 1:30 PM
Advertisement
Avatar
DANNY L
  • CERTIFIED EXPERT
  • 5,648 POSTS
Hello, I'm Danny.

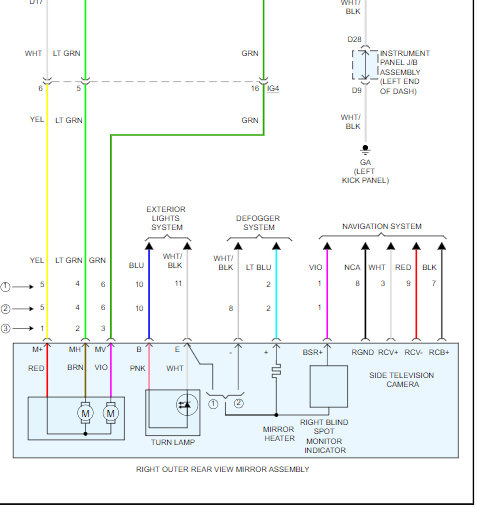
Here is a wiring diagram for the mirrors on your vehicle. I've cut the picture in half so you can view as larger. Let me know if this helps. Thanks for using 2CarPros.
Nov 29, 2020 at 2:25 PM
Avatar
STEVE W.
  • CERTIFIED EXPERT
  • 15,113 POSTS
It sounds like the old mirror has only the power adjustment. What is the replacement mirror supposed to fit? Looking at the wiring for 3 years newer and older I don't see the colors you have on the new one for any of the motor controls, they show up for the up-level option connectors but the motor controls don't seem to be in the mirror you have. The rounded connector is the one for the control motors and the wires would be a red brown and violet on the mirror side of the connector. I would send it back and get the correct one as it is not going to work even if you splice the wires because none of the wires you show on the new mirror are the ones you need.
Nov 29, 2020 at 3:02 PM
Advertisement
Avatar
CEL FLO
  • MEMBER
  • 2 POSTS
On the mirror I bought as a replacement it is for I guess the 2015 XLE maybe? the mirror has the option to blink and I'm guessing is prolly heated. I already cut the wires on the new mirror, so can't return it. I was just thinking that the new mirror must have three wires that make it turn up down and right and left like my old one. Just trying to figure out which wire colors those would be on the new replacement. But not sure how that couldn't be possible. Sorry I don't understand.
Nov 29, 2020 at 7:42 PM
Avatar
STEVE W.
  • CERTIFIED EXPERT
  • 15,113 POSTS
I'm not sure why the motor control wires are not there either but the wires you show and give the colors for are all related to the up level options like the blinker, heater and blind spot monitor. None of them are the motor controls. Where did the mirror you have come from, perhaps that might give a clue.
Nov 30, 2020 at 8:00 AM
Avatar
DANNY L
  • CERTIFIED EXPERT
  • 5,648 POSTS
Hello again.

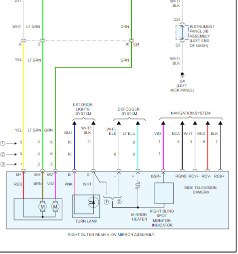
I find this from a 2017 Rav4. I've attached a picture below of the side mirror wiring diagram. Let me know if it's similar. Hope this helps and thanks again for using 2CarPro.

Danny-
Dec 4, 2020 at 10:32 PM