Front and rear heated seat diagram needed?

2018 DODGE DURANGO
80,000 MILES • 5.7L • V8 • 4WD • AUTOMATIC
Avatar
KAROL1992
  • MEMBER
  • 6 POSTS
Hello. I'm looking for seat wiring diagram for the vehicle listed above RT with heated and vent front seat and heated rear seat. Can you help me ?
Nov 13, 2024 at 1:32 AM
Advertisement
Avatar
AL514
  • CERTIFIED EXPERT
  • 5,465 POSTS
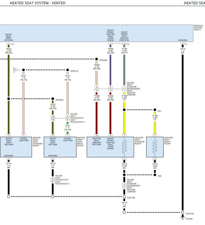
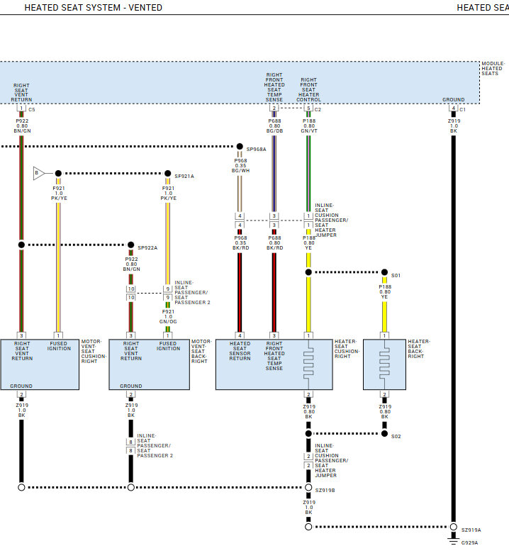
Hello, yes, we have access to that, the OEM diagram has a lot on it, so it will be broken up into sections, but you will be able to see all of it or print it out. Just one minute.
Nov 13, 2024 at 8:23 AM
Avatar
AL514
  • CERTIFIED EXPERT
  • 5,465 POSTS
These diagrams are all on one page, and I know the letters and numbers are pretty small and might be difficult to see so if you need any section of it zoomed in more, we can try that. I would see if you have scan tool communications with the Heated Seats Control Module first if all the heated seats are not working. It may be a power or ground issue to the module itself. If you cant read any codes or live data from the module then it's most likely offline completely. I'll find the location of the module and you can go right to it if needed, just don't unbolt or unplug any airbag modules it might be near. In some cases, the airbag module is grounded to the body underneath a seat and unbolting it can set off the airbags.
Nov 13, 2024 at 8:32 AM
Advertisement
Avatar
AL514
  • CERTIFIED EXPERT
  • 5,465 POSTS
Here are some of the service info operations on the Heated and Power Seats, there is also a step-by-step flow chart for diagnosing the Seats, it starts out with checks at the Power Seat Switch, let me know if you want those. they are continuity checks with the battery disconnected. Not sure that will be useful if all the heated seat vents are not working, that's more of a power supply issue.
Nov 13, 2024 at 8:41 AM
Avatar
AL514
  • CERTIFIED EXPERT
  • 5,465 POSTS
The Heated Seats control module is located under the passenger's seat, just watch out for any yellow airbag connectors under there.
Nov 13, 2024 at 8:48 AM
Avatar
KAROL1992
  • MEMBER
  • 6 POSTS
Amazing! This is exactly what I was looking for. My problem is that I have no power in the buttons to control the heated rear seat. There are no errors. Now I can check the wires. Thank you.
Nov 13, 2024 at 8:59 AM
Avatar
AL514
  • CERTIFIED EXPERT
  • 5,465 POSTS
No problem, if needed we can pull up connector pinouts as well. Let us know what you find.
Nov 14, 2024 at 10:34 AM
Avatar
KAROL1992
  • MEMBER
  • 6 POSTS
Problem solved. The seat heating buttons work properly. Unfortunately, the USB ports do not work. Do you have a diagram of this connection?
Nov 14, 2024 at 1:34 PM
Avatar
AL514
  • CERTIFIED EXPERT
  • 5,465 POSTS
Yes, there is an OEM diagram for the USBs, but the 110AC plug is a different story, hopefully that still works.
Nov 14, 2024 at 3:25 PM
Avatar
AL514
  • CERTIFIED EXPERT
  • 5,465 POSTS
I tried to fit as much in on each page as possible.
Nov 14, 2024 at 3:34 PM
Avatar
AL514
  • CERTIFIED EXPERT
  • 5,465 POSTS
It looks like the USB ports can actually set codes in the Radio module for over current and such, but there is some service information on reading and erasing codes from the Radio module, it looks like one of the front doors must remain open when checking or erasing DTCs from the Radio, never heard that one before, but there's some other stuff here too, so if you plan on scanning the Radio for trouble codes, let us know first so we can provide the service info, even on scan tool usage.
Nov 14, 2024 at 3:38 PM
Avatar
AL514
  • CERTIFIED EXPERT
  • 5,465 POSTS
This doesn't look exactly what you have, this shows and aux input with the USB ports, but in diagram 2 is an example of a USB Over Current Code stored in the Radio, and for testing the USB ports themselves they show special wire harnesses for testing. It looks like the most you can do is check for power at the back connector I think, its pretty in-depth with many pages of service info for them.
Nov 14, 2024 at 3:49 PM
Avatar
KAROL1992
  • MEMBER
  • 6 POSTS
With your help, I checked the fuses from the diagram and two were damaged. Now everything works. Thank you again. The last thing that doesn't work is the seat memory and seat back adjustment. Do you have any diagrams regarding this? Anyway, thank you for your help. I wouldn't do anything without it.
Nov 15, 2024 at 1:02 PM
Avatar
AL514
  • CERTIFIED EXPERT
  • 5,465 POSTS
Yes, we have those as well, although the seat forward and reverse and lumbar support are on circuit breakers and not fuses, but also notice in diagram 6 the power seat operations, they will switch off with voltage below 11volts, so corroded or bad connections will shut down the power seats, verify at least 12volts is getting to the switches, these diagrams are for the driver's seat switch and motors only, Ill post the memory section next but the memory section of power seats is powered off the same "Circuit Breaker 2- Power Seat-Driver". So most likely the issue with the seat memory is going to be tied in with whatever is affecting the seat's motors from movement.
Nov 15, 2024 at 1:31 PM
Avatar
AL514
  • CERTIFIED EXPERT
  • 5,465 POSTS
These are for the seat memory which is still the same system, although they have you check the Power Seat fuse in the diagnostic section in diagram 6, which is supposed be a circuit breaker, so that's something you'll have to look into and see what's actually there in the fuse box.
Nov 15, 2024 at 1:41 PM
Avatar
KAROL1992
  • MEMBER
  • 6 POSTS
Do you have a diagram of the exact connection of these wires? I mean the final connection.
Dec 5, 2024 at 1:01 PM
Avatar
KAROL1992
  • MEMBER
  • 6 POSTS
I have located these two connections, but I don't know where to go next.
Dec 5, 2024 at 1:05 PM
Avatar
STRAILER
  • CERTIFIED EXPERT
  • 53,855 POSTS
This post has gotten off topic, please start a new thread for this problem. We only handle one problem per thread, please post your new question here, you must be logged in.

https://www.2carpros.com/questions/new

Cheers, Ken
Dec 6, 2024 at 9:29 AM