Someone please help Fuse panel diagram

2018 VOLKSWAGEN BEETLE
12,000 MILES • TURBO • 2WD • AUTOMATIC
Avatar
GMARIE1980
  • MEMBER
  • 2 POSTS
Someone please help. I need the fuse diagram for my vehicle listed above
VIN # 3VWFD7AT8IM718973. VW dealership decided for whatever reason to not include it in the owner's manual. I called the dealership to ask for a print out but they refused to give to me... I have searched all over the internet with no luck at all. I' am hoping somebody here can?
Thank you.
Nov 10, 2020 at 8:02 PM
Advertisement
Avatar
JACOBANDNICKOLAS
  • CERTIFIED EXPERT
  • 110,175 POSTS
I will be happy to help.

If you take a look below, I have listed things in order based on the fuse box location. The first 4 pics are from the BSB box shown in pic 1. Each fuse, its amperage, and what it protects is listed in pics 2, 3, and 4.

Starting with pic 5, I indicated fuse box location for box CSC. Pics 6-11 shows fuse amperage and what it protects.

Pics 12 and 13 show the heavy-duty fuses in box ASA.

_________________
Let me know if this helps. If you have other questions, feel free to ask.

Take care,
Joe
Nov 10, 2020 at 8:38 PM
Avatar
GMARIE1980
  • MEMBER
  • 2 POSTS
Joe, thank you so much for your help!! You are a life saver!
Nov 10, 2020 at 9:23 PM
Advertisement
Avatar
JACOBANDNICKOLAS
  • CERTIFIED EXPERT
  • 110,175 POSTS
Hi,

You are very welcome. Please feel free to come back anytime in the future if you need help or have questions.

Take care,
Joe
Nov 11, 2020 at 2:06 PM
Avatar
AARON J WORMAN
  • MEMBER
  • 4 POSTS
Where is the fuse diagram? I have had this car from new. I have all the manuals it came with but cannot find the fuse diagram. I know where my fusses are what I need is the diagram telling me which one is which.
Feb 26, 2021 at 6:34 PM (Merged)
Avatar
DANNY L
  • CERTIFIED EXPERT
  • 5,648 POSTS
Hello, I am Danny.

I have attached a picture describing its location and a guide to help you test.


https://www.2carpros.com/articles/how-to-check-a-car-fuse


Hope this helps and thanks for using 2CarPros. Check out the diagrams (Below). Please let us know if you need anything else to get the problem fixed.
Feb 26, 2021 at 6:34 PM (Merged)
Avatar
DANNY L
  • CERTIFIED EXPERT
  • 5,648 POSTS
Hello again.

There will be a section in the owner's manual. Look up in the Index section under fuses. Hope this helps.
Danny-
Feb 26, 2021 at 6:34 PM (Merged)
Avatar
AARON J WORMAN
  • MEMBER
  • 4 POSTS
The truth is the manual does not, that is the problem. Thanks for the info
Feb 26, 2021 at 6:34 PM (Merged)
Avatar
DANNY L
  • CERTIFIED EXPERT
  • 5,648 POSTS
Thanks again for using 2CarPros.
Danny-
Feb 26, 2021 at 6:34 PM (Merged)
Avatar
AARON J WORMAN
  • MEMBER
  • 4 POSTS
Thank you.
Feb 26, 2021 at 6:34 PM (Merged)
Avatar
JTBROWNS
  • MEMBER
  • 1 POST
no diagram in the owners manual for the fuses.
Feb 26, 2021 at 6:34 PM (Merged)
Avatar
SCGRANTURISMO
  • CERTIFIED EXPERT
  • 4,897 POSTS
Hello,

I have included the information that you requested in the diagrams down below. I hope that this helps.

Thanks,
Alex
2CarPros
Feb 26, 2021 at 6:34 PM (Merged)
Avatar
JTBROWNS
  • MEMBER
  • 1 POST
Thank you for the email I will try to locate the fuse I’m looking for it’s the one for the 12v outlets
Feb 26, 2021 at 6:34 PM (Merged)
Avatar
SCGRANTURISMO
  • CERTIFIED EXPERT
  • 4,897 POSTS
Hello again,

It is Fuse 30 on Fuse Panel C-SC.

Thanks,
Alex
2CarPros
Feb 26, 2021 at 6:34 PM (Merged)
Avatar
JREZAB
  • MEMBER
  • 1 POST
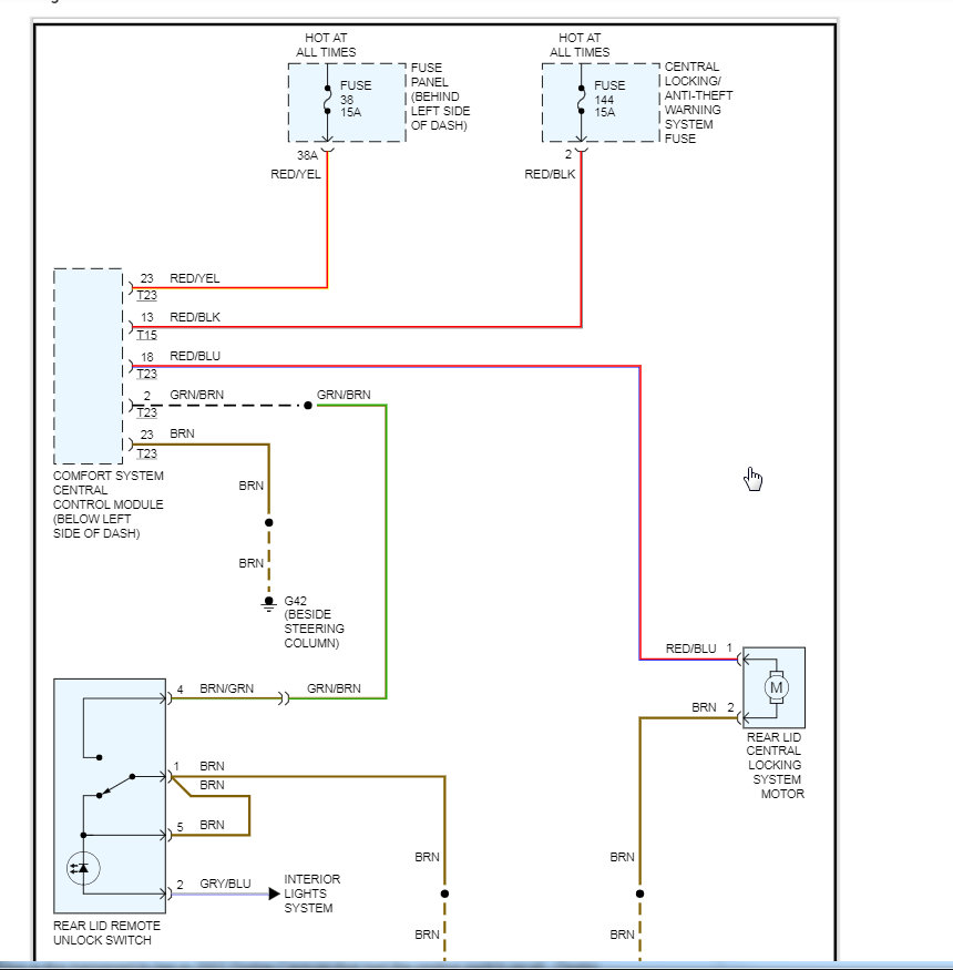
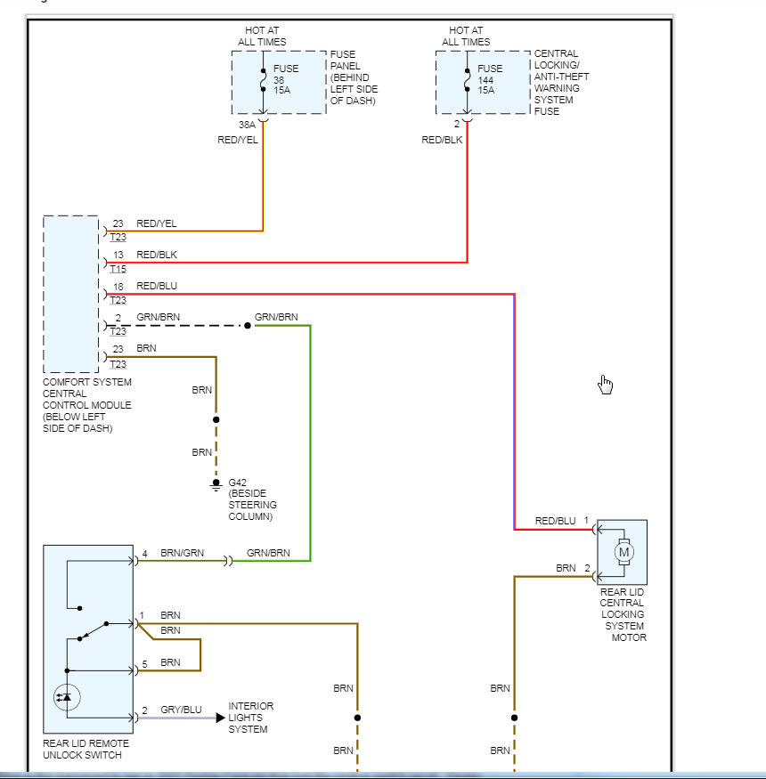
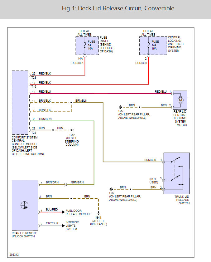
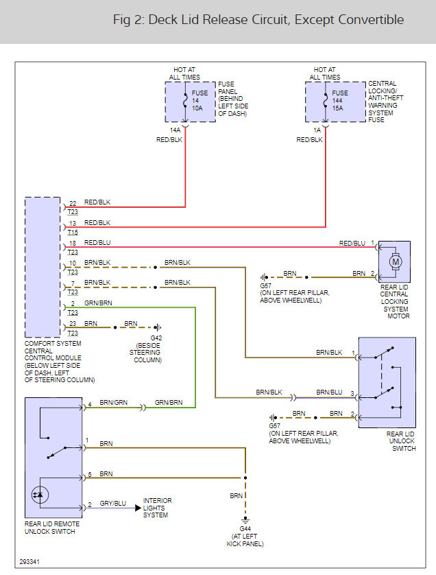
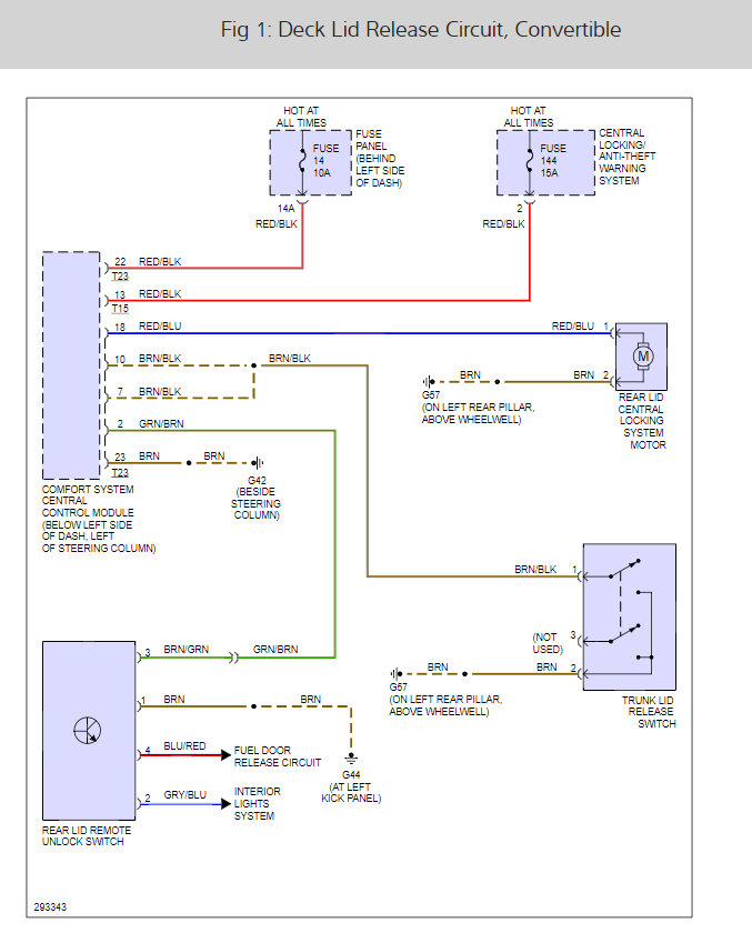
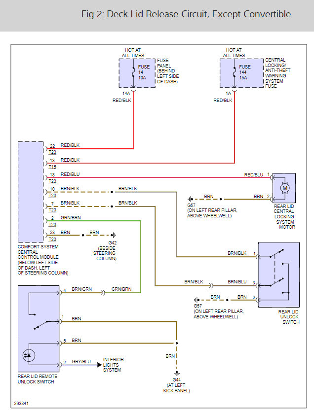
What fuse is for the trunk lid actuator in the car listed above it is a convertible? I can not determine which fuse it is in the instrument fuse panel box.
Feb 26, 2021 at 6:34 PM (Merged)
Avatar
STRAILER
  • CERTIFIED EXPERT
  • 53,855 POSTS
Hello,

There are two fuses that run the rear trunk release system. please check fuse number #14 and #144. Here is a guide to help you test the fuse:

https://www.2carpros.com/articles/how-to-check-a-car-fuse

Here are the fuse panel locations and diagrams (below). I also have the truck release wiring diagrams to help you see how the system works.

Save this page in your favorites so you always have the fuse layout for your car. Check out the diagrams (below). Please let us know what you find. We are interested to see what it is.

Feb 26, 2021 at 6:34 PM (Merged)
Avatar
DAVIDJOSEPH
  • MEMBER
  • 4 POSTS
Where is fuse 144?
Feb 26, 2021 at 6:34 PM (Merged)
Avatar
KASEKENNY
  • CERTIFIED EXPERT
  • 18,907 POSTS
It is part of the central locking system module. I attached the info for this module.

I do not have clear information as to whether this is a serviceable fuse but I imagine it is as they normally say it is non serviceable if it were.
Feb 26, 2021 at 6:34 PM (Merged)
Avatar
DAVIDJOSEPH
  • MEMBER
  • 4 POSTS
So where is it?
Feb 26, 2021 at 6:34 PM (Merged)
Avatar
DAVIDJOSEPH
  • MEMBER
  • 4 POSTS
Okay, thanks.
Feb 26, 2021 at 6:34 PM (Merged)
Avatar
KASEKENNY
  • CERTIFIED EXPERT
  • 18,907 POSTS
I assume you saw the attachments after that second post? If you still have issues finding the module we can try to find more detail on this.
Feb 26, 2021 at 6:34 PM (Merged)
Avatar
HEARTOHIO88
  • MEMBER
  • 1 POST
Where is the fuse box located in my car? I am having problems getting the button to open the gas tank and I need to check the fuses!
Feb 26, 2021 at 6:35 PM (Merged)
Avatar
TREYBEAU
  • MEMBER
  • 3 POSTS
It is located on side of the dashboard on the drivers side. There are also three located on top of the battery. Here is a guide to help you test them and fuse panel diagrams below for your car.

https://www.2carpros.com/articles/how-to-check-a-car-fuse

Check out the diagrams (Below). Please let us know if you need anything else to get the problem fixed.
Feb 26, 2021 at 6:35 PM (Merged)
Avatar
BOBT1422
  • MEMBER
  • 2 POSTS
where is the fuse for the radio located?
Feb 26, 2021 at 6:35 PM (Merged)
Avatar
RASMATAZ
  • CERTIFIED EXPERT
  • 75,992 POSTS
Fuse Arrangement in Fuse Panel Fuse colors 30 A - green 25 A - white 20 A - yellow 15 A - blue 10 A - red 7,5 A - brown 5 A - beige 3 A - violet Fuse arrangement in fuse panel, behind instrument cluster, left Fuse Arrangement In Fuse Panel


https://www.2carpros.com/forum/automotive_pictures/12900_f_4.gif

Fuses from S24 to S44 are identified with additional prefix 2, in wiring diagram. Example: Fuse S40 on fuse panel is listed as S240 in wiring diagram. Fuses: 1 - Heated washer nozzles, heated outside mirrors 10A 2 - Turn signal system 10A 3 - Illumination 5A 4 - License plate light 5A 5 - Comfort system 7.5A 6 - Central locking system 5A 7 - Back-up lights 10A 8 - Telephone system 5A 9 - ABS 5A 10 - Engine control, gasoline 10A 11 - Instrument cluster, shift lock 5A 12 - B+ (battery positive voltage) for DLC 7.5A 13 - Brake lights 10A 14 - Interior lights, with central locking 10A - Interior lights, only 5A 15 - Instrument cluster, automatic transmission 5A 16 - A/C-clutch, electrical water pump 10A 17 - Door lock heater 7.5A 18 - Right headlight, high beam 10A 19 - Left headlight, high beam 10A 20 - Right headlight, low beam 15A 21 - Left headlight, low beam 15A 22 - Sidemarker lights, right 5A 23 - Sidemarker lights, left 5A 24 - Wiper system, washer pump 20A 25 - Fresh air blower, air conditioning 25A 26 - Rear window defogger 25A 27 - Daytime running lights 10A 28 - Fuel pump (FP) 15A 29 - Engine control, gasoline 15A - Engine control, diesel 10A 30 - Sunroof 20A 31 - Automatic transmission 20A 32 - Engine control, injectors, gasoline 10A - Engine control, injectors, diesel 15A 33 - Headlight washer system 20A 34 - Engine control 10A 35 - Trailer socket 30A 36 - Fog lights 15A 37 - Radio system 10A 38 - Luggage compartment light, central locking system 15A 39 - Emergency flasher system 15A 40 - Dual horn 20A 41 - Cigarette lighter, 12V power outlets 15A 42 - Radio system 25A 43 - Engine control 10A 44 - Heated seats 15A The fuse panel is located behind a cover on the driver side end panel of the instrument panel (dashboard).See below:


https://www.2carpros.com/forum/automotive_pictures/12900_f1_24.jpg

https://www.2carpros.com/articles/how-to-check-a-car-fuse Please let us know if you need anything else to get the problem fixed.
Feb 26, 2021 at 6:35 PM (Merged)
Avatar
ARTVALDEZ
  • MEMBER
  • 2 POSTS
Air Conditioning problem
2001 Volkswagen Beetle 4 cyl Two Wheel Drive Automatic

Don't have a manual and I can't find the fuse box for a/c fuse for a 2001 New Beetle, thanx!
Feb 26, 2021 at 6:35 PM (Merged)
Avatar
STEVEW84
  • CERTIFIED EXPERT
  • 673 POSTS


https://www.2carpros.com/forum/automotive_pictures/170495_fuse_box_1.jpg

The fuse panel is located behind a cover on the driver side end panel of the instrument panel (dashboard)
Feb 26, 2021 at 6:35 PM (Merged)
Avatar
ROBIN SNIDER-WIEDERHOLD
  • MEMBER
  • 1 POST
Just purchased for second/third vehicle. runs great! starts in cold and goes through snow (northern Wisconsin) great gas mileage, no rust. but radio won't come on, no interior or gauge lights of any kind. no cruise control. phone charger, heater blower/defroster and all exterior lights work. need a fuse diagram and where's the panel (drivers side door)?
Feb 26, 2021 at 6:35 PM (Merged)
Avatar
KENW1
  • CERTIFIED EXPERT
  • 213 POSTS
Thanks for visiting 2CarPros.

The fuse box is located at the end of the drivers side of the dash. if you pry the end panel up the door will open. I'll post a view of that and the diagram below for you. Below is a guide on fuse testing and replacement.

https://www.2carpros.com/articles/how-to-check-a-car-fuse
Feb 26, 2021 at 6:35 PM (Merged)
Avatar
70VWBEE
  • MEMBER
  • 1 POST
My front left and rear left running lights do not work. I switched leads on my fuse box, and they work. So, I know the wires are good. I tested the fuse, so I know the fuse is good. The wiring of the fuse box and according to my Maint. Manual, shows that power comes into the fuse box and gets split between the left side (fuse # 7?) and the right side (fuse #8?). My conclusing is that there is a short somewhere in the fuse box. How can I repair the fuse box? I do not want to have to replace it.
Feb 26, 2021 at 6:36 PM (Merged)
Avatar
MIKE H R
  • CERTIFIED EXPERT
  • 3,094 POSTS
Check the fuse connection to make sure there is no corrosion. If you have voltage on the power side but not going through the fuse box you can tap into it. They make pigtails that can be added to run diferent accessories. If you don't have voltage to the power side you can tap into the 10 fuse.{Dome and flasher} fuse. Put it on the positive or power side and put a inline fuse on to run the lights.


https://www.2carpros.com/forum/automotive_pictures/54223_vw_fuses_1.jpg

Feb 26, 2021 at 6:36 PM (Merged)
Avatar
SAVANNE
  • MEMBER
  • 4 POSTS
What amp fuses and where do they fit in the ten slot fuse box?
Feb 26, 2021 at 6:36 PM (Merged)
Avatar
HARRY P
  • CERTIFIED EXPERT
  • 2,292 POSTS
This is all I can find. It is not much, but maybe it means more to you than it does to me.
Feb 26, 2021 at 6:36 PM (Merged)
Avatar
SAVANNE
  • MEMBER
  • 4 POSTS
that fuse block is for a Super Beetle. the standard only has ten fuses. I cannot believe that I cannot find this online. I have tried several times.
Feb 26, 2021 at 6:36 PM (Merged)
Avatar
HARRY P
  • CERTIFIED EXPERT
  • 2,292 POSTS
The reason you cannot find it is because that is the only thing that has been released by VW. According to Prodemand (where I got that picture from): "Fuse block will vary in total number by equipment found on vehicle." Plus this is supposed to cover all 1963-1972 Beetles.
Feb 26, 2021 at 6:36 PM (Merged)
Avatar
SAVANNE
  • MEMBER
  • 4 POSTS
Well, then, according to the image of the fuse box, are we to understand that #9 and all the others below it get a 16 amp fuse, while 1-8 get an 8 amp?
Feb 26, 2021 at 6:36 PM (Merged)
Avatar
HARRY P
  • CERTIFIED EXPERT
  • 2,292 POSTS
That is the way I take it, but I am going to "phone a friend" on it and see.
Feb 26, 2021 at 6:36 PM (Merged)
Avatar
HARRY P
  • CERTIFIED EXPERT
  • 2,292 POSTS
Look what we came up with! This is more specific to your Beetle, and it is clearly laid out.
Feb 26, 2021 at 6:36 PM (Merged)
Avatar
SAVANNE
  • MEMBER
  • 4 POSTS
dude! I do not know where you found that, I have been looking for days. Thank you so much!
Feb 26, 2021 at 6:36 PM (Merged)
Avatar
STRAILER
  • CERTIFIED EXPERT
  • 53,855 POSTS
HEYMAN1104 is one of our best!

Use 2CarPros anytime, we are here to help. Please tell a friend.

Cheers, Ken
Feb 26, 2021 at 6:36 PM (Merged)