4 Wheel Drive Inoperable?

2018 CHEVROLET SILVERADO
149,000 MILES • 5.3L • V8 • 4WD • AUTOMATIC
Avatar
RAREBLADZ
  • MEMBER
  • 7 POSTS
The Service 4WD light was coming on intermittently. The truck would go into 4 wheel drive but if put under load, the 4 wheel drive wouldn't stay engaged. Has now progressed to Service 4WD light and Service Stabilitrak lights on continuously. These lights come on immediately when truck is started and stay on. Even after codes were cleared with a scan tool and battery was disconnected for 10 minutes and reconnected. Truck will not shift into 4 wd at all. No noises, leaks or smells under the vehicle. Every time I run a full system scan, it says Lost Communication with TCCM. I don't think the TCCM even begins communicating because the Service 4WD light comes on in the KOEO situation. Several have said it's the shift motor and a few say the Trsnsfer Case. I just don't buy either one of those ideas. I have checked, repaired and/or replaced every ground connection on the vehicle and taken every connector to the transmission and transfer case loose, cleaned it, applied dielectric grease and reconnected it. Exactly which module is it (location), how do I identify it, how do I get a diagnostic flow chart for it, and do you think the TCCM is the issue or am I missing something?
Apr 21, 2026 at 4:19 AM
Advertisement
Avatar
STRAILER
  • CERTIFIED EXPERT
  • 53,855 POSTS
Hello, I can help you with this, the first thing I would do is check the trans IGN and 4wd trec fuse in the fuse panel under the hood. If this is okay, disconnect the transfer case and front differential actuators then scan the truck again to see if the TCCM come back on line. If so plug them back in one at a time to see which ones takes the TCCM offline, this will be the bad part. Please let me know what happens so we can go from there. Ken
Apr 21, 2026 at 7:45 AM
Avatar
BENNETTLYLEEEEE
  • MEMBER
  • 3 POSTS
I ran into something really similar on a GM truck before bunch of codes + 4WD just stopped working.

Turned out after chasing it for a while, it wasn’t the transfer case or the shift motor at all. It was actually a power issue to the TCCM.

With what you’re seeing Lost Communication with TCCM and it popping up KOEO my first thought is the module might not even be coming online at all.

If it were me, I’d start simple before throwing parts at it:

make sure the module actually has constant power + ignition power
double check the related fuses

Stuff can look fine on the surface but if power is unstable, the module just kinda “disappears” and you get exactly this kind of behavior.

Once you’re 100% sure power/ground is solid, then maybe start thinking about the module itself.

I could be off, but that’s where I’d start I almost went down the transfer case rabbit hole on mine before realizing it was just a power issue lol.
Apr 21, 2026 at 11:56 PM
Advertisement
Avatar
BENNETTLYLEEEEE
  • MEMBER
  • 3 POSTS
I ran into something really similar on a GM truck before — bunch of codes + 4WD just stopped working.

Turned out after chasing it for a while, it wasn’t the transfer case or the shift motor at all. It was actually a power issue to the TCCM.

With what you’re seeing — Lost Communication with TCCM and it popping up KOEO — my first thought is the module might not even be coming online at all.

If it were me, I’d start simple before throwing parts at it:

make sure the module actually has constant power + ignition power
double check the related fuses

Stuff can look fine on the surface but if power is unstable, the module just kinda “disappears” and you get exactly this kind of behavior.

Once you’re 100% sure power/ground is solid, then maybe start thinking about the module itself.

I could be off, but that’s where I’d start — I almost went down the transfer case rabbit hole on mine before realizing it was just a power issue lol.
Apr 21, 2026 at 11:56 PM
Avatar
RAREBLADZ
  • MEMBER
  • 7 POSTS
This time you are speaking my thoughts exactly. I repaired and/or replaced every ground on the truck and installed 4 gauge Positive and Negative Battery Cables, as well as the charge wire from Alternator. Cleaned the connectors/connections on all the 4 WD, Trans, Stabilitrak, and Transfer Case related components I could find. The fact that the lights and codes popping back up immediately when I turn the key on, has had me on power/ground hunt for a week. My schedule doesn't afford me a lot of time to diagnose it but every 10 or 15 minute break I get is spent with a scanner, a DVOM, and a test light in my hands and a tube of dielectric grease in my pocket. I have not taken the dvom to the TCCM yet because I haven't located a Pin out chart for it, but I am looking.
Apr 23, 2026 at 8:22 PM
Avatar
STRAILER
  • CERTIFIED EXPERT
  • 53,855 POSTS
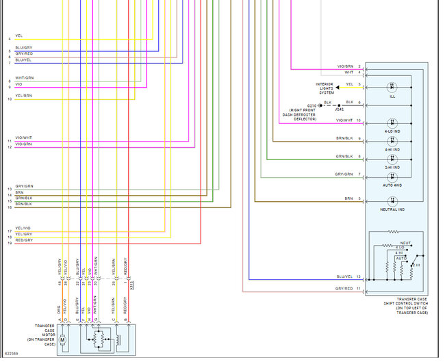
Nice addition to the thread BENNETTLYLEEEEE, here are the wiring diagrams so you can continue the testing. Check out the images (below). Please let us know what happens.
Apr 24, 2026 at 7:52 AM
Avatar
RAREBLADZ
  • MEMBER
  • 7 POSTS
I've been working crazy hours and just now had a opportunity to do some circuit checks on this thing. I attempted to pull up the diagrams you sent me so I could identify Voltage and Ground Pins at the module, but for whatever reason, the diagrams will not load when I click on them. Originally, I saw your reply, I opened it to read it, and the media loaded automatically. Now they won't load at all. I found them by logging in to my dashboard and selecting "my questions." They are there, listed as media links but they refuse to open. Can you send them again please?
Apr 28, 2026 at 9:01 AM
Avatar
RAREBLADZ
  • MEMBER
  • 7 POSTS
Circuit 19 at TCCM listed as Constant Battery Voltage, Failed. Grounds and Circuit 12 (Voltage key in run and key in crank) all passed. Circuit 19 is Grey/Red wire through firewall and into underwood fuse & relay center. It is fed through 30 amp fuse #6. Fuse #6 passes. Voltage across fuse but not present on circuit at TCCM. I PULLED the fuse & relay center to check for break between it and TCCM. Wire, beginning to end is complete and intact. Closer I inspection revealed a one inch segment of the wire, where if you peeled back the layer of insulation, it revealed that out of 19 strands of copper only 1 strand remained unbroken and undamaged. The other 18 strands within that segment of wire were all broken and unable to carry Voltage. I replaced the wire from the fuse and relay center all the way to the bulkhead. There is now a known good circuit on #19 at the TCCM, and although I assumed it would correct the issue, it only changed the symptoms. The Stabilitrak light no longer illuminates when KOEO, and the Traction Control malfunction is no longer indicated. However the Service 4WD message still comes on immediately when key is turned to on, the 4WD select indicator stays illuminated at "4 Auto" no matter where you put the selector, the 4WD is not engaging, and now there are different fault codes the trigger immediately after clearing them. They are:
Apr 28, 2026 at 8:30 PM
Avatar
RAREBLADZ
  • MEMBER
  • 7 POSTS
Woops, I got a little trigger happy and sent that before giving you the codes LOL. Here's what they are now:C0306-02 Range Actuator Cintrol Curcuit-short to ground.
C0364-04 Front Axle Engagement Actuator Control Circuit-open
and C0379-08 Front Axle Engagement System-Performance-Signal Invalid.
So what are your thoughts? I just very nearly cured it today by jacking up the radiator cap and replacing everything below that
Apr 28, 2026 at 8:37 PM
Avatar
RAREBLADZ
  • MEMBER
  • 7 POSTS
Still with me? Or did I lose you somewhere under the relay center? LOL
Apr 28, 2026 at 11:45 PM