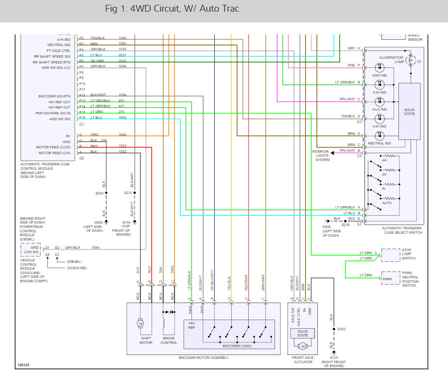
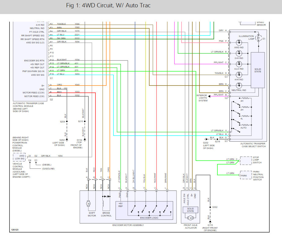
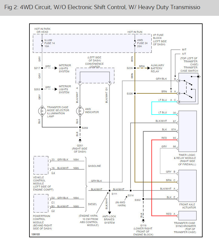
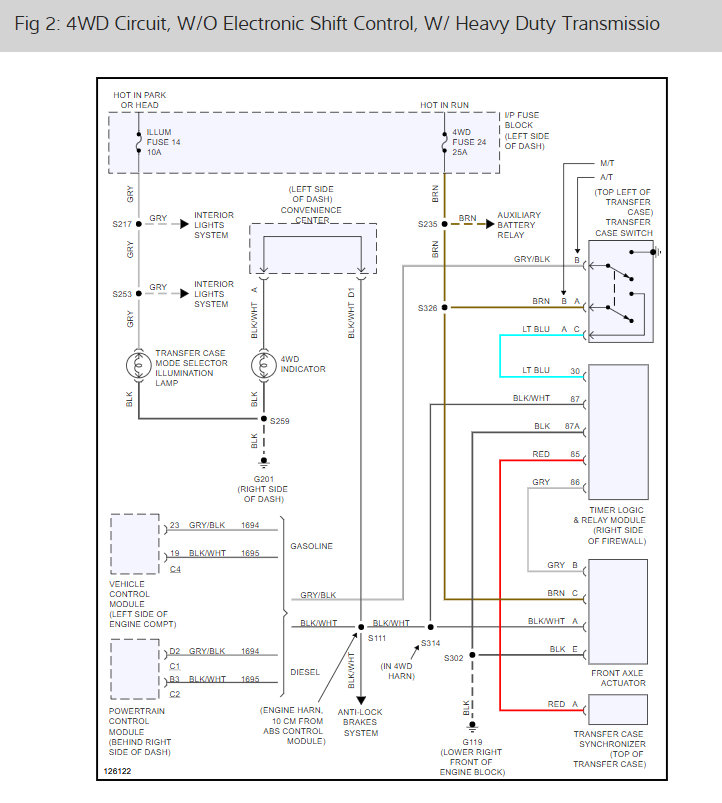
Hello, just did a full rebuild on my truck listed above k2500 and when I went to put the battery back in the darn encoder motor started cycling with the engine off and no key in ignition. I replaced and rebuilt the transfer case after my service shop told me it was the nylon pads on the shift forks but it wasn't that. I had the transmission out and serviced it well the engine was out but don't see how that would screw with my t-case. I replaced the TCCM and encoder and front actuator and shift buttons on dash still nothing going. I can pull the fuse and shut off the TCCM and encoder but I would like drive my 4x4 and not have a big block prerunner. Any advice on maybe wiring or something that I messed up would be much appreciated. Have went through about 20 mechanics now and nothing.
Sep 22, 2019 at 4:51 AM





