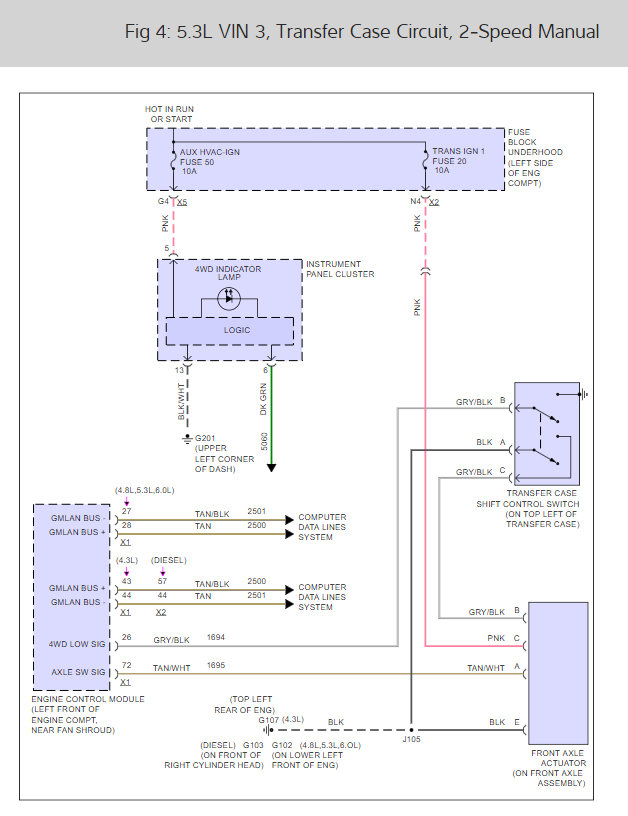
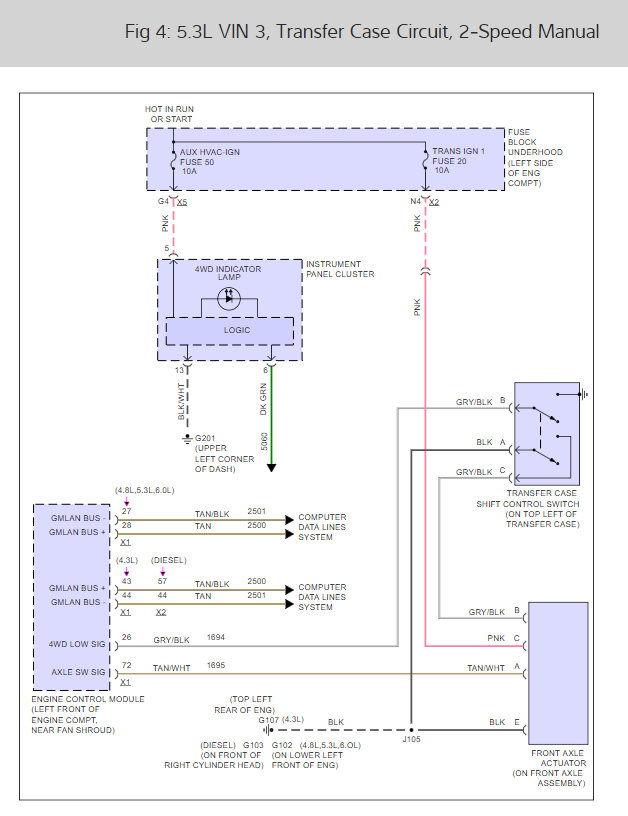
the 4x4 fuse is blowing has new transfer case switch and front actuator Ive searched and looked for broken burnt melted pinched wires found nothing I even cleaned the body grounds under drivers side under the door I can put new fuse in and it will work for couple days then I will check it and it s blown Ive tested the switch while it was out and it works I sat there for a half hour clicking it in and out of 4x4 and fuse will not blow but then if it sits for a day or two with out driving it and you try to engage it it s blown another fuse it does not have a transfer case motor Ive checked so what else could it be maybe a bad module or something that is only thing left to fix and if it is it do I have to have my vin # programmed into it by a dealer to make it work or can I just buy one and plug it in
Aug 22, 2018 at 8:27 PM
