Hello,
One of two things happens on these trucks, first is the switch goes out and the next is the encoder (actuator) goes out both cause the light to come on. I would try the switch first.
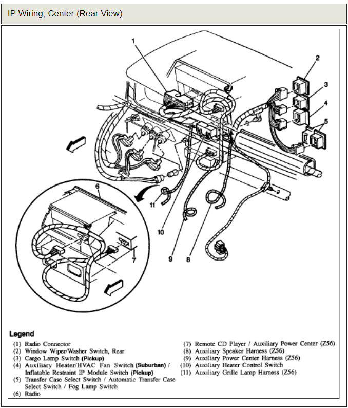
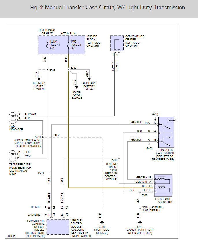
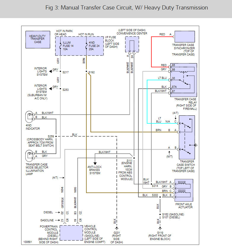
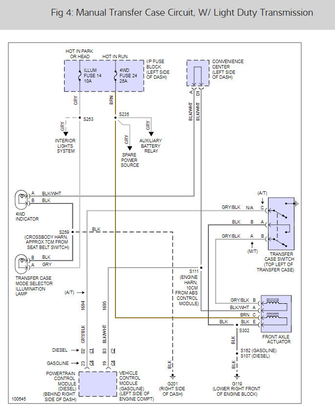
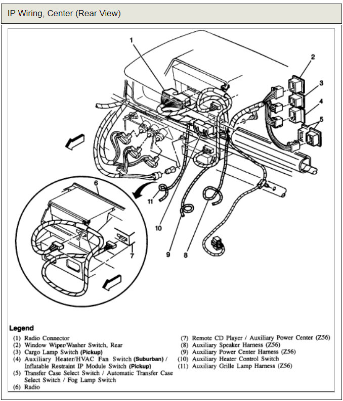
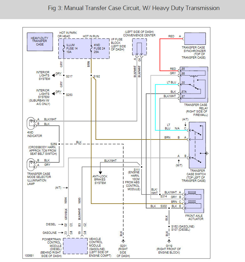
Here is a wiring diagram of the system and a guide to help you confirm the failure:
https://www.2carpros.com/articles/how-to-check-a-car-fuse
Here is a guide to help you check the wiring:
https://www.2carpros.com/articles/how-to-check-wiring
You should check the fuses as well.
Check out the diagrams (below).
Please let us know what you find.
Cheers, Ken
Images (Click to enlarge)
Dec 3, 2017 at 1:11 PM