Check engine light is on service four wheel drive

2004 CHEVROLET TAHOE
170,000 MILES • V8 • 4WD • AUTOMATIC
Avatar
VINCE8309
  • MEMBER
  • 2 POSTS
Upon starting my SUV it is usually in two high or auto four wheel drive sometimes the selector switch also says neutral even though I have it in drive or park . I always place it in natural and switch it back to two high. one out three times roughly it starts and is in four low. I set it to neutral and put it back in two high as usual and I am not sure why it places itself in four high to begin with and sometimes when I attempt to put it back in two high it shifts into four low instead. basically I have to mess with the different drives changing them until it goes into two high. check engine light is on and tells me to service four wheel drive. please help I am transitioning out of the military and have a long drive home as well as need my vehicle for work and I am afraid it will break down. I cannot seem to find a fix no matter how hard I search online.
Nov 28, 2017 at 10:43 AM
Advertisement
Avatar
RENEE L
  • CERTIFIED EXPERT
  • 1,260 POSTS
Hello VINCE8309,

All of us at 2CarPros want to sincerely thank you for your service and the sacrifices you and your family have made. I sent your question to one of our experts and he will be with you shortly.

Again thank you,

Renee
Admin
Nov 28, 2017 at 12:55 PM
Avatar
VINCE8309
  • MEMBER
  • 2 POSTS
Thank you Renee
Nov 28, 2017 at 6:26 PM
Advertisement
Avatar
STEVE W.
  • CERTIFIED EXPERT
  • 15,113 POSTS
Sorry for not getting here sooner. First off, Thank you for your service.

There are two common problems that can cause the issue you are having.
The most common is bad solder joints on the selector switch in the dash. They were not soldered "hot" enough and the joints fail. Then you get random selection as the joints connect/fail. If you know how to solder they are easy to fix, the switch comes out by removing the trim bezel around the instrument panel. then the switch pack comes out and you can disconnect the switch wiring and remove the 4X4 switch. Then you open the housing and look close at the board for the bad solder joints and use an iron to re-flow the solder. Or replace the switch with a new one.
https://www.youtube.com/watch?v=6FVEH6LNzDA shows this repair.

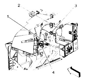
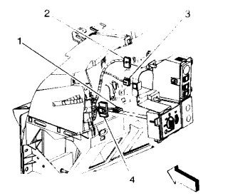
The next most common is the transfer case encoder motor sensor these fail for basically the same reason, the solder wasn't correct. However these are not as easy to repair so normally they just get replaced. It isn't a difficult job to do but it may require you to remove the front driveshaft to get the unit to lift off the shift shaft. I've has a couple where the motor would clear but most won't.

Then it's a basic R&R. Be 100% sure the case is in neutral and that the new encoder is as well, use a new gasket and an aligning pin to make it easier.

If you want to be sure which one to tackle first or just don't want to DIY you could have a dealer or good independent shop scan it and get their opinion as to which is the more likely problem based on the codes stored in the TCCM.
Nov 29, 2017 at 6:25 PM