6-pin plug causing o2 sensors low voltage codes?

2017 FORD F-150
67,000 MILES • 2.7L • V6 • TURBO • 2WD • AUTOMATIC
Avatar
ARDIUS79
  • MEMBER
  • 18 POSTS
Greetings!

I have a 6-pin plug located in between the trans pan and heat shield that has an errant black wire that does not follow the remaining wires in the harness. From what I can tell, the remaining wires lead to the ignition coils, but I am unsure. The solid black wire would appear to be a ground based on my understanding of the characteristics involved. Low voltage codes, no obvious point of attachment, does not follow other wires in the plug, and is not striped as most all other component wires. If it is in fact a ground wire, where is the best location to attach it?

Please advise.

Thank you kindly!
Sep 15, 2025 at 5:02 PM
Advertisement
Avatar
AL514
  • CERTIFIED EXPERT
  • 5,465 POSTS
Hello, can you tell us the rest of the wire colors in that connector? if we can ID that connector that would make it easier to see what else might be running through it. And does the top of the connector go straight up into the body?, its difficult to tell from the picture where its originating from.
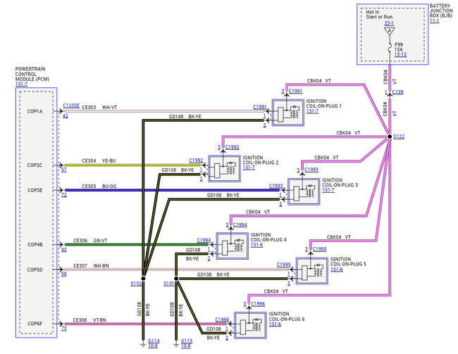
I don't see any inline connectors for the coils in the OEM Ford diagrams, they all have straight wiring to the PCM, except for the power feed wire which runs through at bulk connector.
From a quick look at the ground distribution wiring diagrams, there are quite a few solid black wires, some exterior lighting, parking brake module, trailer wiring, one that runs to the rear of the vehicle for the Rear Camera circuit (if applicable) is a grounded shield wire for the camera's 2 wires. *note the last 3 Ground diagrams are redrawn, not OEM, it was just faster to see how many solid black grounds there were.
But the rest of the wiring colors would help a lot. Are you getting codes for all four 02 sensors and what are the code numbers?
Sep 16, 2025 at 8:15 AM
Avatar
AL514
  • CERTIFIED EXPERT
  • 5,465 POSTS
Something else to note, is there are some 8 pin connectors that only have 6 wires such as this one for the Fuel Pump control module, so if that mystery connector has pin slots with missing wires, that is something that will help ID that connector. This has a Black wire as well that's a frame ground.
Sep 16, 2025 at 8:22 AM
Advertisement
Avatar
AL514
  • CERTIFIED EXPERT
  • 5,465 POSTS
Whats the wiring colors of that 2 wire connector as well? Engine compartment harness I assume also?
Sep 16, 2025 at 8:49 AM
Avatar
ARDIUS79
  • MEMBER
  • 18 POSTS
Blk/vio and what/vio, and yes. Engine harness.
Sep 16, 2025 at 5:00 PM
Avatar
AL514
  • CERTIFIED EXPERT
  • 5,465 POSTS
I'm seeing a lot of Grounds that are black/violet, just haven't found a two wire with a White/Violet with it, that shielding looks like thermal shielding so that's something to consider. Maybe something with the turbo, or a temperature sensor (a temp sensor will have a 5 volt ref and ground unplugged). You could check the White/Violet wire for a 5volt reference. and the other wire for continuity to ground, the PCM might even set a circuit code if you turn the key On twice (2 key cycles). I'll keep looking.
Sep 16, 2025 at 5:49 PM
Avatar
AL514
  • CERTIFIED EXPERT
  • 5,465 POSTS
If it has a push button start, you can turn the ignition to the On position by pressing the push button twice and it shouldn't crank the engine without the brake pedal pressed.
Sep 16, 2025 at 5:58 PM
Avatar
AL514
  • CERTIFIED EXPERT
  • 5,465 POSTS
How about the A/C Compressor plug?
Sep 16, 2025 at 7:07 PM
Avatar
ARDIUS79
  • MEMBER
  • 18 POSTS
My apologies. I asked 2 separate questions and confused the information provided.

The location of the 6pin is in between the heat shield and the trans pan. The colored wires are green, green, yellow, violet, brown, and black. The black is the one that has been clipped . And yes, all 4 o2 sensors have intermittently thrown codes and not all at once.
Sep 18, 2025 at 2:54 PM
Avatar
AL514
  • CERTIFIED EXPERT
  • 5,465 POSTS
It's not an 8 pin connector with only 6 wires though? There are some connectors that show missing two wires but are 8 pin connectors. Thats why I was asking. And the Black wire was cut or just ends there? And those are all solid color wires?
Sep 19, 2025 at 10:31 AM
Avatar
AL514
  • CERTIFIED EXPERT
  • 5,465 POSTS
The 02 sensor heater circuits are a solid green wire, what code numbers are the 02 sensors setting? Are they oxygen sensor heater circuit codes? If they are not circuit codes, but performance codes, they can set for any number of reasons when it comes to oxygen sensors. Especially since the front sensors are Wide band Air/Fuel ratio sensors. So I would monitor the Long Term and Short Term Fuel Trims, along with the oxygen sensor readings to see what's happening there. If the heater circuits are not working correctly the oxygen sensors will not work correctly, and it sounds like you're dealing with wire damage which can cause intermittent issues like this. More information is needed here. I'll see if I can find any connectors with those wire colors, but its a long shot that I'll find the exact connector in a random search.
Sep 19, 2025 at 10:44 AM
Avatar
AL514
  • CERTIFIED EXPERT
  • 5,465 POSTS
And its very difficult to tell from the picture where that connector is going, is it an inline connector or does it go to the transmission? Being that far back on the vehicle, there is only a few things it could be, possible power to components after the transmission, so oxygen sensors, lighting, fuel pump control, transmission, etc. I would back probe the Green wires and see if they have 12volts with the key On. Id check them all to see what theyre reading, if that connector is damaged, and having pin fitment issues it could explain the 02 codes. If those wires cant handle a few amps and they are for the 02 heaters, that would set codes. But Im not finding any 6 pin connectors with those wire colors so far,.
Did you find the 2 wire connector's location yet?
Sep 19, 2025 at 11:18 AM
Avatar
ARDIUS79
  • MEMBER
  • 18 POSTS
There is a small box in between the trans pan and the heat shield that the 6pin plugs into. I attempted to trace the other wires and have only found those same color combinations leading to the ignition coils. I'm confident that you're right about them being the o2 sensor wires in some way. I have literally done everything else I can find that could be the cause and it all checks out, with the exception of that single wire. It is now my belief that black wire is in fact a ground wire, which would explain the low voltage codes to some extent. I've even thought about adding another ground to the alternator and attaching to the negative batter terminal for good measure. Any thoughts on that, and do you recommend a particular post on the alternator to connect it to? Lastly, my main concern with grounding the black wire from the plug is that it plugs into the transmission and not a place I would prefer to cause damage in doing so. That said, if it's not a ground, then that would tell me that that articular plug is already grounded elsewhere, which should render it redundant. No harm, no foul, but I could be wrong. Haha! And yes. I believe we have located the 2 wire issue. It is apparently the a/c compressor wires which makes perfect sense. I thought I had searched every inch under there but now I don't recall checking the compressor. Unfortunately, my troubles don't end there either. It appears that my zip tie that held the radiator hose back and away from the valve box while the cover was off has slipped out and dumped an unknown amount of radiator fluid into the valves. I've dumped the oil and added new, but when I started it up, radiator fluid shot out of the tops of the solenoids on the passenger side. The same place that it drained into. However, after about 3 -5 seconds, the geyser of radiator fluid darkened into what appeared to be fresh oil. Then it stopped shooting out completely. My guess is that there was added pressure with the additional fluid and it had to find some place to go. I plan on changing the oil again as what's in there now is obviously contaminated. Would you supsect any further damage from this unfortunate event? I'd hate to find out that I've blown a head gasket or something major. Although, no codes have come up and the engine runs for as long as I allow it to. 3-5 seconds. I would imagine the engine wouldn't run if there were damaged to the head or even the gasket without compression. Finally, my biggest problem seems to be the F&$@#ing squirells dropping pecans all over the truck. I have it covered, but it still a mess. Too bad I live inside the city limits. Having squirell for dinner otherwise. Thank you very much for your assistance.my contribution to your service is forthcoming. Thanks again!
Sep 19, 2025 at 5:10 PM
Avatar
ARDIUS79
  • MEMBER
  • 18 POSTS
Here is the top of that box
Sep 19, 2025 at 5:11 PM
Avatar
ARDIUS79
  • MEMBER
  • 18 POSTS
Sticker next to it
Sep 19, 2025 at 5:12 PM
Avatar
ARDIUS79
  • MEMBER
  • 18 POSTS
Pan is on the top side of the image. Heat shield is below.
Sep 19, 2025 at 5:13 PM
Avatar
AL514
  • CERTIFIED EXPERT
  • 5,465 POSTS
I wouldnt ground any wires without knowing exactly what it goes to. That Black wire might be a grounding shield wire, but without knowing, grounding it might lead to more issues like you said. As for the other issue, youre saying that a radiator hose dumped coolant into the cylinder head with the valve cover off?
Sep 19, 2025 at 5:29 PM
Avatar
ARDIUS79
  • MEMBER
  • 18 POSTS
That is correct. One of the radiator connections is directly above the head. With the valve cover removed, I tied the hose back and away from the engine. It is nearly impossible to remove the valve cover without removing the hose and the main engine harness and tying them up and out of the way, unless of course you prefer to lose your mind with rage and place the valve cover somewhere down the street.

The following day, I opened the hood and found that the hose had come loose and went back to it's memorized position and thereby allowing air into the system, which permitted the hose bib, and the hose to flow freely and directly into the head. Unfortunately, there is no way to tell just how much fluid got into the engine, but I'm guessing by the amount absent in the reservoir, possibly as much as 1 quart. However, that doesn't take into consideration the amount of trapped air that could've been present at the time. If by judging by the reservoir alone, then id say no more than a quart.

That said, I then proceeded to change the oil/fluid, and then used fresh oil to run through in the hope that it would drive the fluid out. Fresh oil went in, and right out. I did this several times until I no longer saw any clear liquid coming out of the oil pan. I even jacked up the front end higher than it's intial elevation to ensure that it in fact did come out with the oil. I checked the dipstick, and the oil pan plug the following morning and both were dry as a bone. I then filled the engine with oil as usual. 5 quarts, as recommended.

That said, my issue initially and all along has been the cam shaft cap. The vvt solenoid bolt head on the passenger side, which is the same location as where the fluid dumped into, the bolt head popped off as if it were a limp noodle.

Had I known the trouble it would cause by attempting to remove the root of the tooth, I probably would have sold the truck for parts and purchased a 10 speed from wal mart, as this cheap oriental trash part has caused me to lose 10 years on my life. I removed the cap and it literally fell apart in my hands. Not just small pieces, but sections the size of golf balls. My biggest fear was what was left behind in the timing chamber, and the valves. Having compressed aired the inside of the engine, and vaccuming out all of the debris I could reach, I then used my camera snake to see if there was anything I missed. Everything looked good, so I once again changed the oil for good measure.

I was able to locate some high temp (390°) malleable PVC, which is similar but much stronger and more pliable than steel stick and I reformed the camshaft cap. It took me days to recreate the part. It is a work of art. It is also solid as a rock. The internal holes of the camshaft cap, as well the bottom side that attaches to the head are still the original part, but it is the top that need to be repaired. Everything went according to plan. The valve cover fit snug and there was no issues with the fit of the cap. I then placed the valve cover back on and proceeded to start the engine. Yet, the truck didn't start. I had compression. My fuel pump was good. My starter was working, and the alternator was working. I knew it was most likely an ignition coil so I started with the one nearest the fluid bib and that was the issue. The fluid bib is not directly over the spark plug, but the wires are. The fluid must have trickled into there as well. I did not immediately remove the spark. I instead vaccumed the fluid out, and let it dry overnight. The next day, I removed the spark and found no cause for concern. My guess is that the fluid had come into contact with the boot attachment and the engine didn't like it so the truck wouldn't start. I then started the engine with no problems, but unfortunately, the valve cover bolt directly above the camshaft cap popped loose from its position on the cover, not on the cap that it bolts into, and began shooting oil like the dude from the Beverly hillbillies. Texas tea. A real geyser! POS!

I have reached out to a local machine shop to see how much it will cost to remachine the camshaft cap and get everything back to the original, except for the valve covers. I'm hoping I can locate some aluminum ones because I'm done playing games with 2 completely different materials as if it were some mixed race marriage made in heaven. It is not. It was and is a horrible idea. so I'm awaiting to hear from them so I can decide where to go from there.

I still haven't been able to locate anything to do with the black wire. It amazes me that the f150 is the best selling truck ever since it was a trail wagon and the two issues that I come across since I bought the truck new are not only very time consuming, but expensive to repair. $4,000.00 for the head from ford. Can't buy the camshaft cap by itself. You have to purchase the entire head. I asked the Ford guy who gave me the quote if for $4,000.00 I'd be able to get some straps to attach it because the bolts they use are absolute trash. I don't believe he caught the joke I was making and said, "no, I believe the bolts are sold separately with the solenoids or the valve cover.."

" Well thanks for your time! "

All things considered, I believe my next vehicle will be a Lamborghini hood ornament. I'll just piece the rest of it together as I can afford to.

Isn't that a wonderful story?

It took me longer to write than normal because I had to work around the inability to utilize the universal language of expletives that have the ability to explain things in further detail but in lesser time .

Haha! Thanks for any suggestions or recommendations! I really appreciate your assistance!

Thanks.
Sep 25, 2025 at 12:39 AM
Avatar
AL514
  • CERTIFIED EXPERT
  • 5,465 POSTS
So theres a lot of information here to read, but it sounds like a cam cap bolt shot right through the valve cover? Am I reading this correctly?
Sep 26, 2025 at 12:38 PM