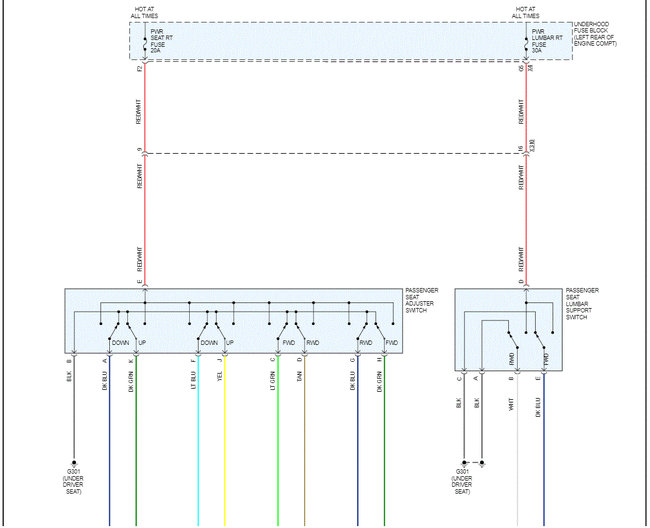
Swapping out seats, to eight way power.
Have passenger seat working, can't figure out how to bypass memory module, so wanted to know if harness (part # 23247221) will work on drivers seat?
Have passenger seat working, can't figure out how to bypass memory module, so wanted to know if harness (part # 23247221) will work on drivers seat?
Mar 18, 2019 at 1:01 PM






























