A/C compressor cut-off switch location

2004 NISSAN QUEST
94,000 MILES • 3.5L • V6 • 2WD • AUTOMATIC
Avatar
ITOBOY1
  • MEMBER
  • 5 POSTS
Where is the compressor cut-off switch located?
A/C compressor clutch does not engage after engine warms up.
Apr 5, 2018 at 9:31 AM
Advertisement
Avatar
STRAILER
  • CERTIFIED EXPERT
  • 53,855 POSTS
Please make sure the engine is not overheating or the system is not overcharged which will cut off the AC.

https://www.2carpros.com/articles/re-charge-an-air-conditioner-system


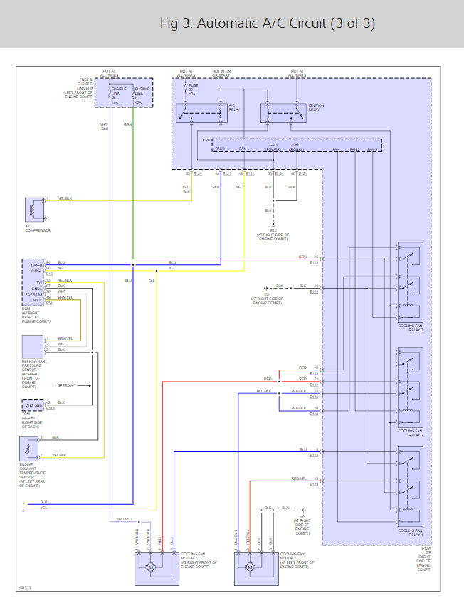
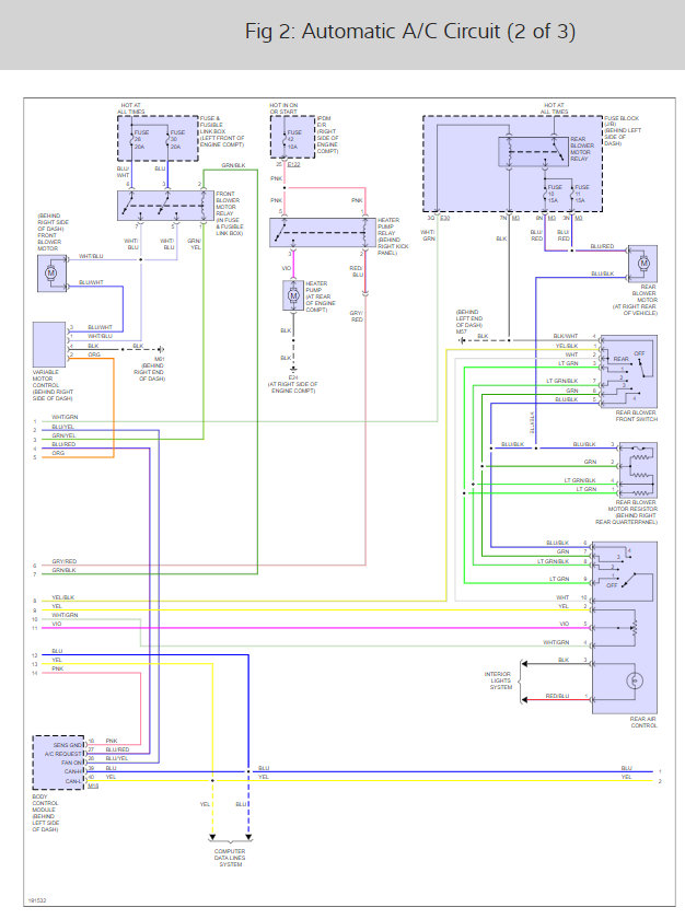
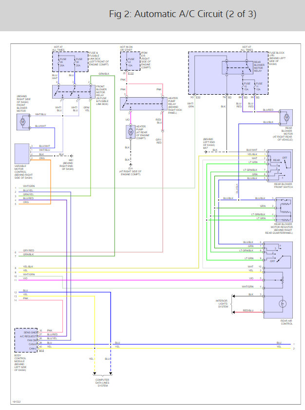
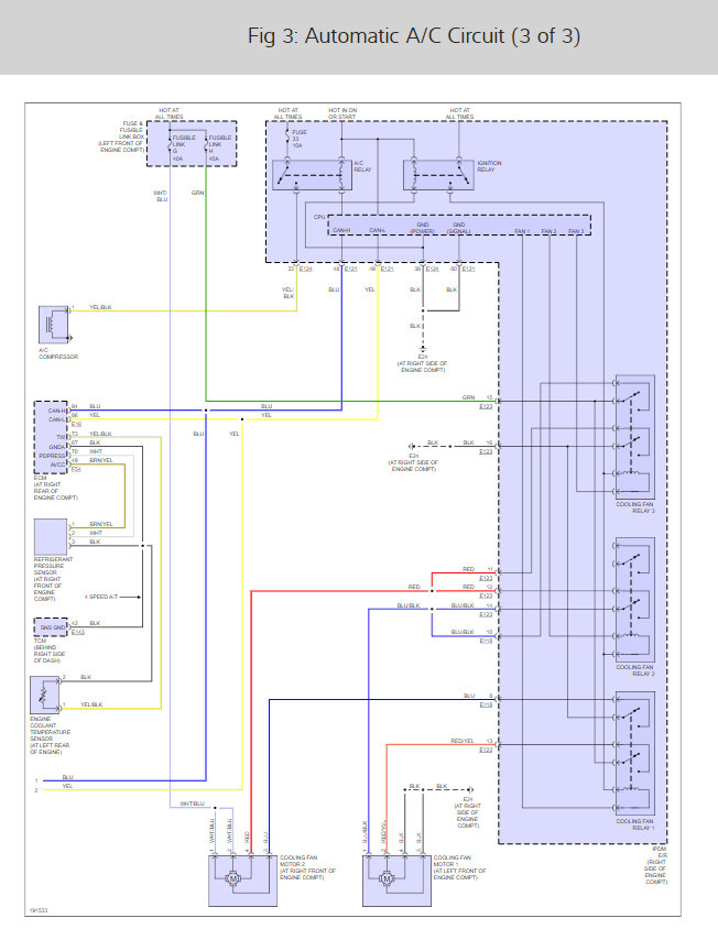
Below is the location of the pressure sensor and air conditioner wiring diagrams.

Check out the diagrams (below).

Please let us know what you find.

Cheers, Ken
Apr 6, 2018 at 12:11 PM