A/C wiring diagrams please?

2006 FORD TAURUS
124,000 MILES • 3.0L • 6 CYL • 2WD • AUTOMATIC
Avatar
BLAZ85
  • MEMBER
  • 54 POSTS
I recently had to evacuate the A/C system to disconnect the low pressure hose from the accumulator/drier to the compressor to gain access for another repair. I then replaced the o-rings and reinstalled the hose into the drier. I pulled a vacuum, checked for leaks and charged in by weight 33 oz. of refrigerant. I have a system devised where I can "force" charge the refrigerant into the system rather than having the system "suck" it in. Static system pressure with a cold engine was approximately ambient temperature (65 psi). I then started the vehicle and turned on the A/C. The compressor did not engage. I checked the low pressure switch located on the accumulator, it was closed and had 12V coming to it. I then checked high pressure switch located on the compressor discharge line. I have 12V on two of the 4 pins of the connector..

That is where I am confused. What I need is a wiring diagram for this vehicle of the A/C system from the a/c relay to the compressor. I do not know which of the pins should be made up for the compressor to engage. I suspect my problem is either the switch or the connector. Once before it had this problem and I removed, cleaned and wiggled the connector and it engaged but not this time. I had no problems with engagement immediately before this evacuation.

Also another related question, if it turns out to be the switch, can I change it without evacuating the system? I know on some of the switches this is possible.

Thank you in advance for your assistance with this problem.
Feb 12, 2020 at 9:10 PM
Advertisement
Avatar
ASEMASTER6371
  • CERTIFIED EXPERT
  • 52,796 POSTS
Good evening,

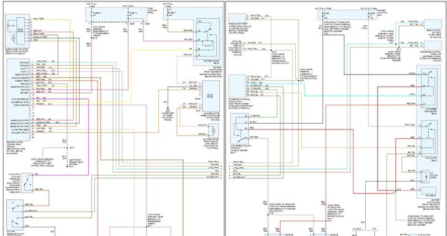
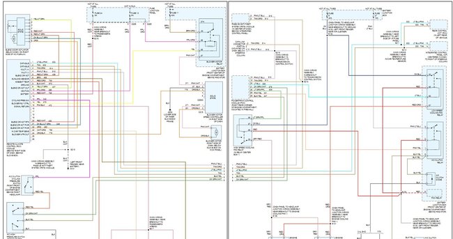
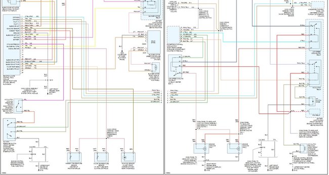
I attached the diagram for you below of the system. Check out the diagrams (Below). Please let us know if you need anything else to get the problem fixed.

Roy
Feb 12, 2020 at 9:31 PM
Avatar
RP2000
  • MEMBER
  • 1 POST
blower motor for heater and A/C does not come on. Would like to check fuse or relay (if one is used). No ID of heater/AC motor on fuse box cover. Checked all fuses just the same - all are sound. Is there a relay or circuit breaker of some sort? If so, can you tell me where it is located? Is there something I am overlooking? Local mechanic diagnosed problem as heater motor drawing too much amperage and suggested it be replaced. Sounds okay to me, but I would still like to inspect fuse/relay/circuit breaker first. Thanks.
Jul 28, 2021 at 12:10 PM (Merged)
Advertisement
Avatar
RASMATAZ
  • CERTIFIED EXPERT
  • 75,992 POSTS
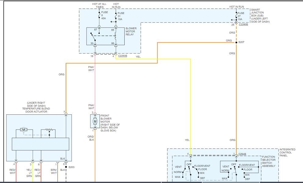
Check relay no 11 if okay test the blower motor relay and check ground at lower side of inner glove box frame.

Here are guides to help you test the fuse and the relay:

https://www.2carpros.com/articles/how-to-check-a-car-fuse

and

https://www.2carpros.com/articles/how-to-check-an-electrical-relay-and-wiring-control-circuit

and

https://www.2carpros.com/articles/blower-fan-motor-works-on-high-speed-only

Check out the fuse relay and blower fan wiring diagrams (below). Please run this test and get back to us.

Cheers
Jul 28, 2021 at 12:10 PM (Merged)
Avatar
KRISTENLEE
  • MEMBER
  • 0 POST
Thanks! It was the relay.
Jul 28, 2021 at 12:10 PM (Merged)