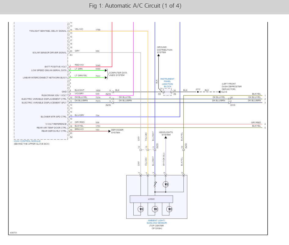
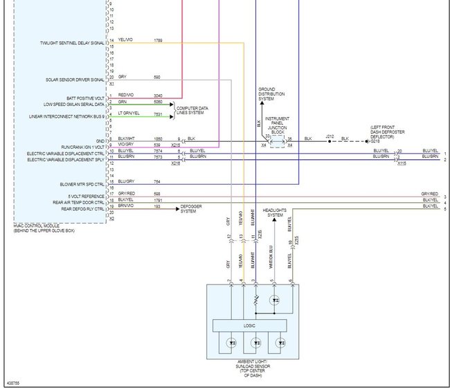
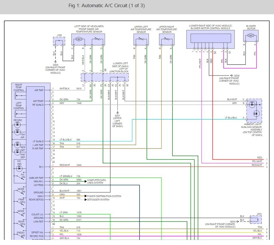
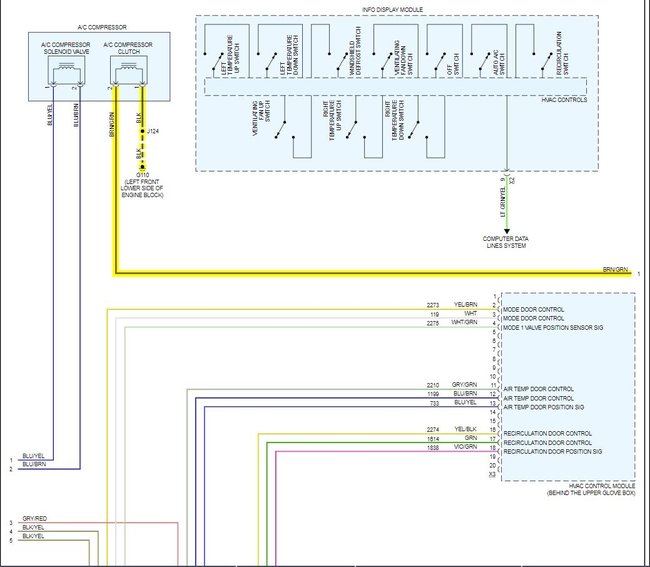
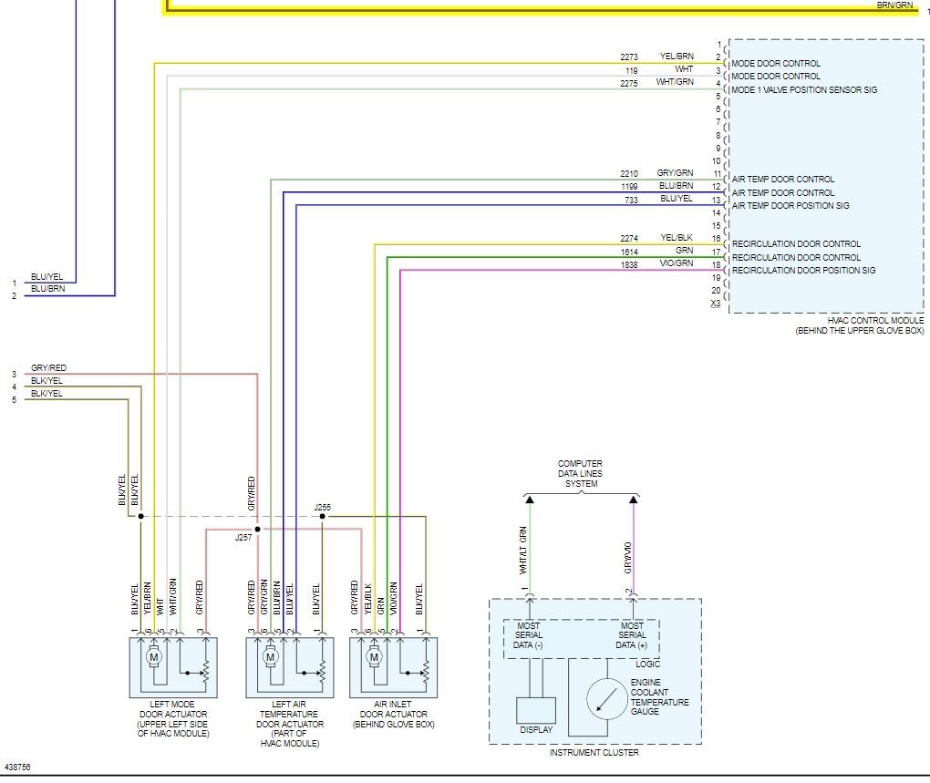
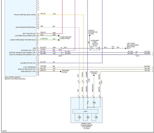
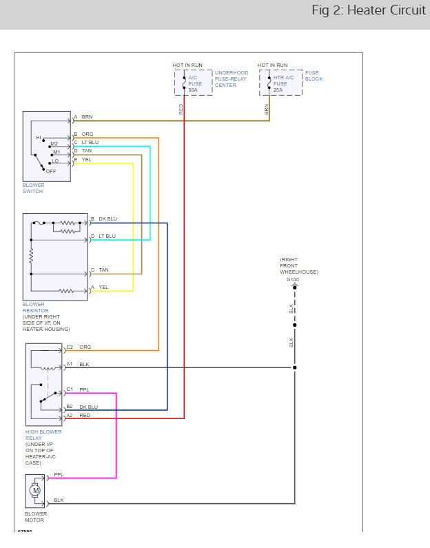
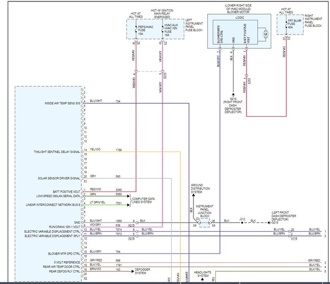
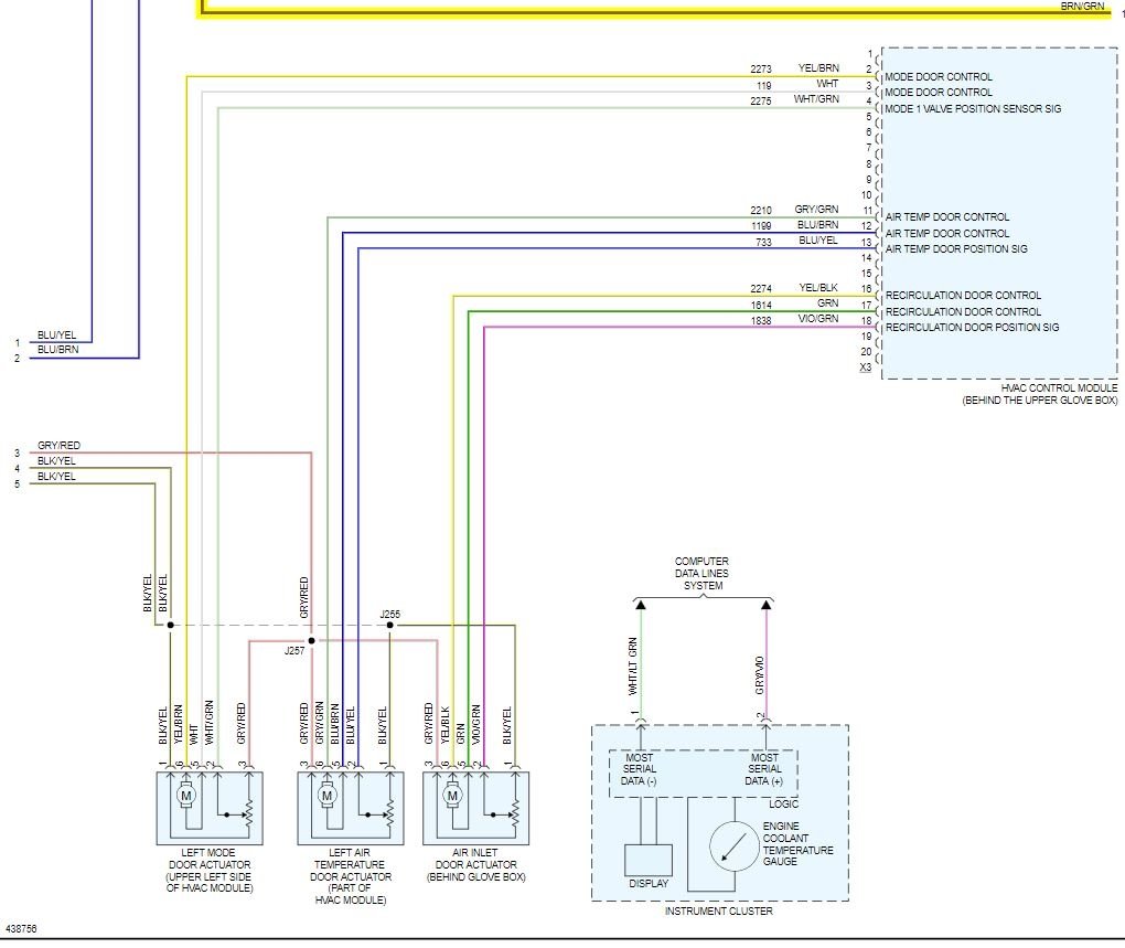
Which wire did you apply the 12 volts too? If you take a look at the wiring diagram below you will see that there are control wires for each actuator, low ref (ground return), 5 volt supply coming from the module.
If you applied 12 volts to one of them then all that did was send the actuator to one side or the other. The way that works is, if there is low voltage on one side the door swings one way and then it applies it to the other side to get the door to swing the other way.
So even if you left it this way, the blend door would not change from that full position and it would blow hot air. You need the control module to be able to vary this voltage so that the door can move and change the temp.
Let me know which wire you did this too and then I would suggest removing the 12 volts and let's check to see what the voltage is on each of these at both the actuator and the module. That will tell us if the module is even sending the correct voltage.
https://www.2carpros.com/articles/how-to-check-wiring
Does that make sense?
Images (Click to enlarge)
Apr 30, 2021 at 12:36 PM
(Merged)