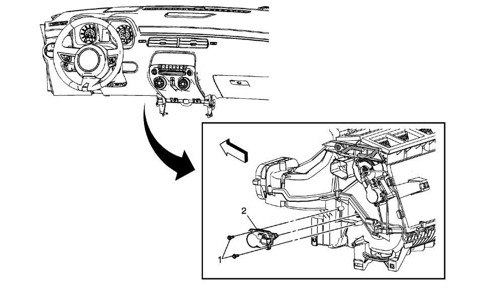
My A/C went out a few months back. The temperature outside was not bad so I did not worry about it. But now the temperatures are too much to tolerate. I was told to switch out the blend door actuator. I do not know where it is located. All the YouTube videos I see are cutting chunks out of the dash (yes, actually cutting) I had a mechanic recharge the A/C and he did and it did not fix it.
Aug 20, 2018 at 5:09 PM

