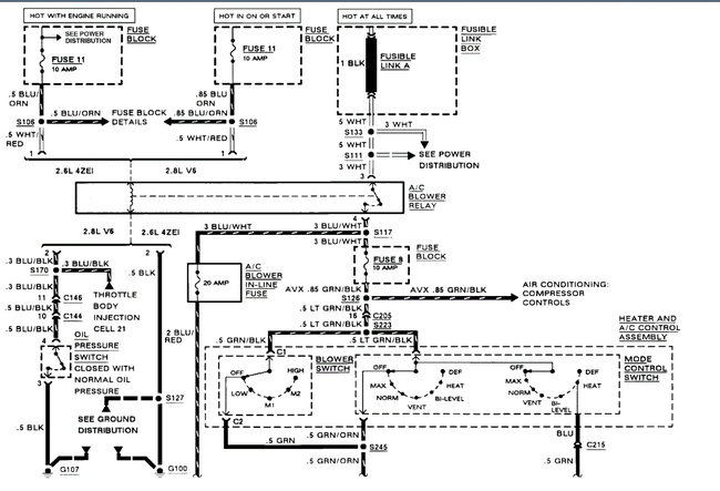
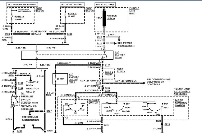
The pickup listed above A/C blower motor will not work. I’ve tested the motor by straight wiring and it works. I have no power at the blower fuse. When straight wire the blower fuse it works. Does some one have the wiring schematics for this system? I know something in the ignition should give power to that fuse. What ideas do you have?
Thanks
Thanks
May 27, 2020 at 7:44 PM
