A/C relay location needed

2011 NISSAN MURANO
114,000 MILES • 3.5L • 6 CYL
Avatar
JWF8601
  • MEMBER
  • 1 POST
Looking for the location of the A/C relay.
Jun 18, 2018 at 5:58 AM
Advertisement
Avatar
KHLOW2008
  • CERTIFIED EXPERT
  • 41,814 POSTS
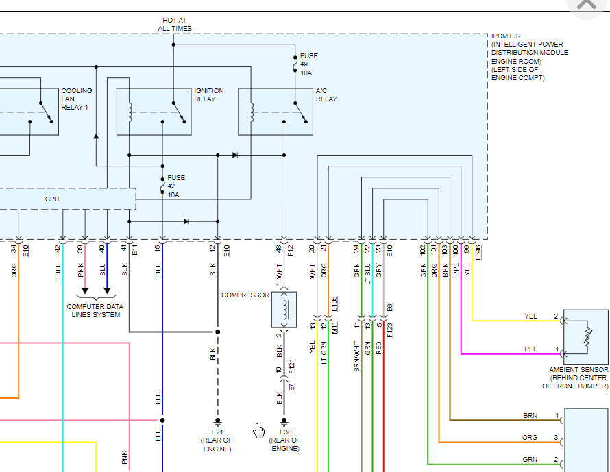
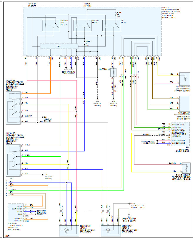
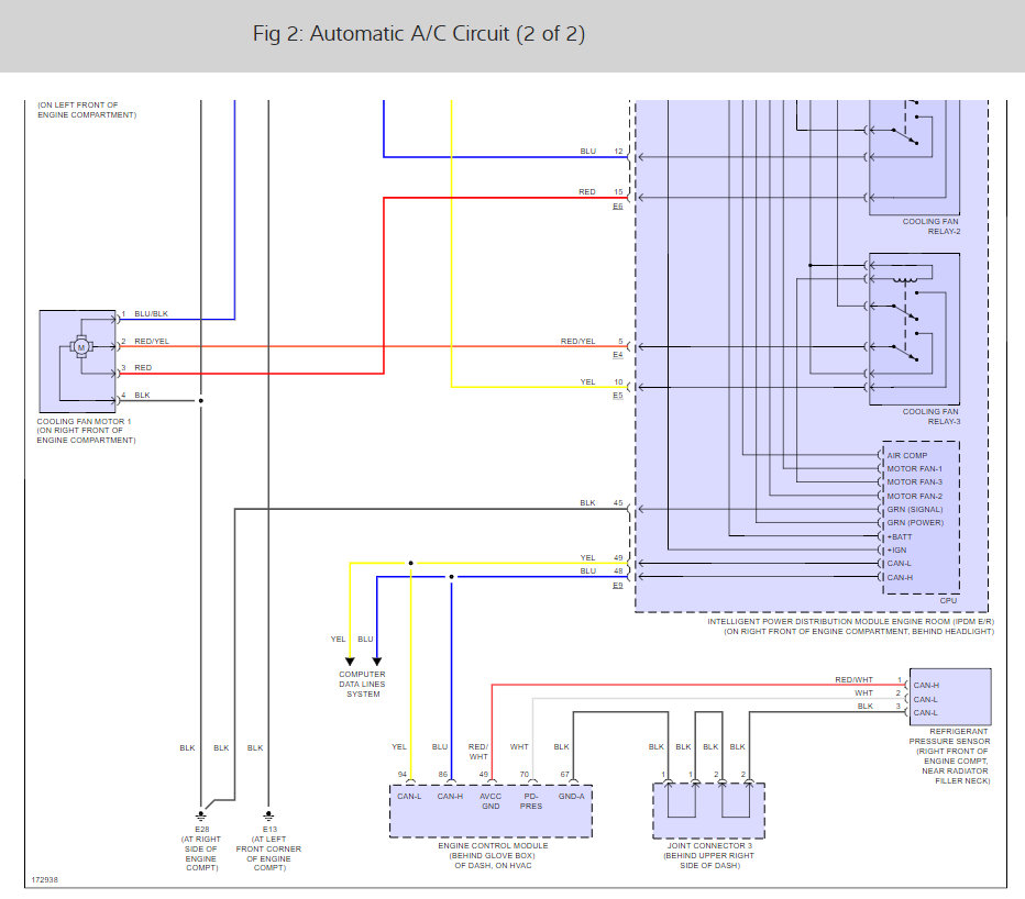
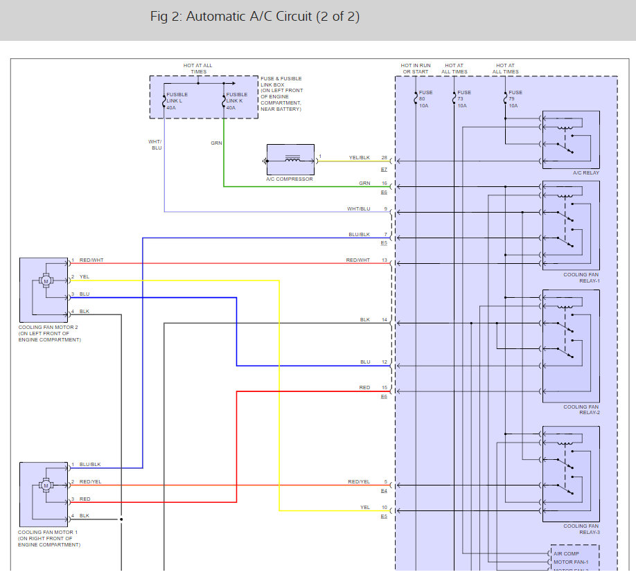
The A/C compressor relay is located inside the IPDM and is not serviceable you will need to replace the unit. Check out the diagrams (Below). Please let us know if you need anything else to get the problem fixed.

Jun 18, 2018 at 7:01 AM
Avatar
  • MEMBER
  • 2 POSTS
Where is the air condition relay located?
Jul 28, 2020 at 6:11 PM (Merged)
Advertisement
Avatar
DANNY L
  • CERTIFIED EXPERT
  • 5,648 POSTS
Hello, I am Danny.

It is located under hood in the IPDM (Intelligent Power Distribution Module). I have attached a picture and circled it in red. Hope this helps and feel free to ask any further if needed. Thanks for using 2CarPros.
Danny-
Jul 28, 2020 at 6:11 PM (Merged)
Avatar
  • MEMBER
  • 2 POSTS
Hi Danny, you give an answer but I want to know number of relay or any sign to say that is the AC relay. In the box it does not say AC relay. I want to know what the color of air condition murano 2009 relay location Thanks
Jul 28, 2020 at 6:12 PM (Merged)
Avatar
STRAILER
  • CERTIFIED EXPERT
  • 53,855 POSTS
You may not find the AC relay because it is integrated into the IPDM. I would take it apart to see what I can find. Here is the wiring diagrams so you can tell which relay is what:

https://www.2carpros.com/articles/how-to-check-an-electrical-relay-and-wiring-control-circuit

Check out the diagrams (below). Please let us know what you find.
Jul 28, 2020 at 6:12 PM (Merged)
Avatar
  • MEMBER
  • 2 POSTS
You think AC no relay on my vehicle? Can you mark color on diagrams what color for AC ?
Jul 28, 2020 at 6:12 PM (Merged)
Avatar
STRAILER
  • CERTIFIED EXPERT
  • 53,855 POSTS
There is a relay but it is in the IPDM which they replace as a unit. But I have heard of people digging into the unit and replacing the relay separately.

Check fuses 49 and 42.

Use the wiring diagrams to figure out the color wiring going to it.
Jul 28, 2020 at 6:12 PM (Merged)
Avatar
  • MEMBER
  • 2 POSTS
I cannot find fuse 49 and 42. It does not say anything about number.
Jul 28, 2020 at 6:12 PM (Merged)
Avatar
STRAILER
  • CERTIFIED EXPERT
  • 53,855 POSTS
Got you covered. Here are the fuse panel identification and a guide to help you test them:

https://www.2carpros.com/articles/how-to-check-a-car-fuse

Check out the diagrams (below). Please let us know what you find.
Jul 28, 2020 at 6:12 PM (Merged)
Avatar
THOMAS WOODRUFF SR.
  • MEMBER
  • 2 POSTS
Trying to find the relay so I can force the compressor on to charge the system. I cannot for the life of me find it. Thanks for any and all help.
Jul 28, 2020 at 6:12 PM (Merged)
Avatar
ASEMASTER6371
  • CERTIFIED EXPERT
  • 52,796 POSTS
Good evening.

There is no clutch relay for you to access. it is part of the TIPM.

Note: The compressor relay or A/C relay is located in the IPDM (intelligent power distribution module) and is not serviceable.

What is the issue with your AC system?

Roy
Jul 28, 2020 at 6:12 PM (Merged)
Avatar
THOMAS WOODRUFF SR.
  • MEMBER
  • 2 POSTS
I got it. The plug came loose on the clutch. Thanks.
Jul 28, 2020 at 6:12 PM (Merged)
Avatar
ASEMASTER6371
  • CERTIFIED EXPERT
  • 52,796 POSTS
You are welcome.

Glad you found the issue.

Roy
Jul 28, 2020 at 6:12 PM (Merged)
Avatar
2CP-ARCHIVES
  • MEMBER
  • 4,540 POSTS
where is the a/c control relay located
Jul 28, 2020 at 6:12 PM (Merged)
Avatar
STRAILER
  • CERTIFIED EXPERT
  • 53,855 POSTS
Hello,

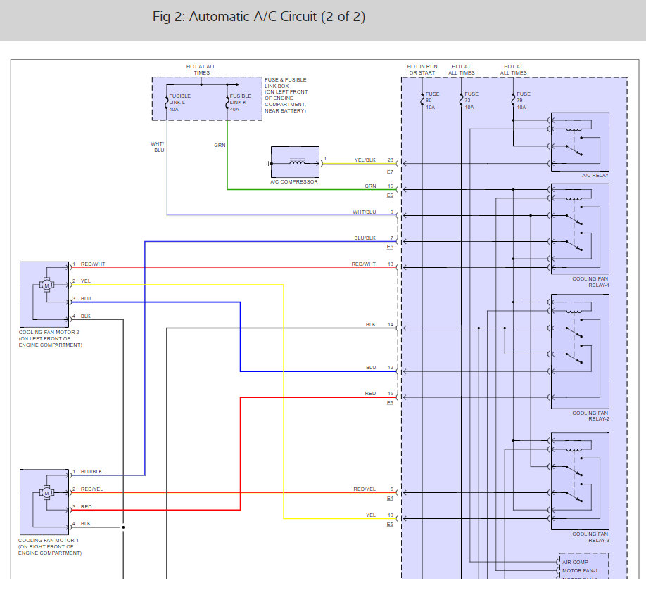
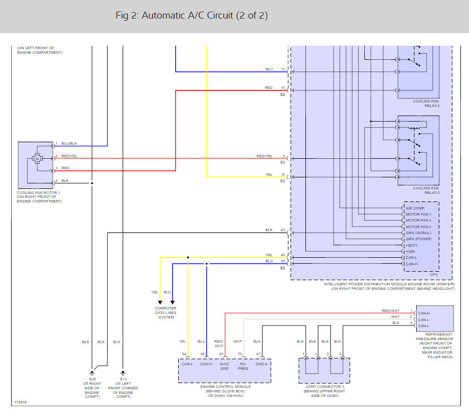
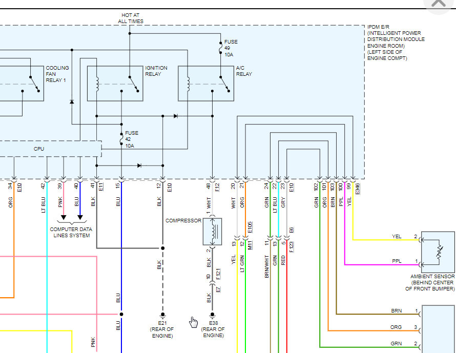
The system uses a relay for the A/C system which is under hood in the Power Distribution Module Engine Room (IPDM E/R) at right of engine compartment, behind the headlight.

Here are some diagrams (below) that show the location and here is a guide that will help you test the relay:

https://www.2carpros.com/articles/how-to-check-an-electrical-relay-and-wiring-control-circuit

Please run this test and get back to us so we can continue helping you. Here are the HVAC system wiring diagrams because there are several fuses that run the systems as well:

https://www.2carpros.com/articles/how-to-check-a-car-fuse

Check out the diagrams (below)

Please let us know what happens.

Cheers, Ken

(if you give this post a down vote please say why)
Jul 28, 2020 at 6:12 PM (Merged)
Avatar
VIDRO30
  • MEMBER
  • 2 POSTS
Hello Ken,

My A/C system just stopped blowing cold air suddenly. The compressor does not seem to start anymore. I performed the IPDM auto active test but did not hear the clutch. I understand it is supposed to engage and disengage 5 times. I brought the car (Nissan Quest 2013) to my mechanic who verified if there was sufficient refrigerant in the system. There was enough refrigerant so his conclusion was that the compressor was defective. However, he did not perform any electrical test to verify if the problem was not the A/C clutch relay. I did check the continuity on the fuse and it is okay. I would like to test the relay but I understand it is not serviceable. Could you assist me? Thank you.
Aug 26, 2020 at 9:33 PM
Avatar
KASEKENNY
  • CERTIFIED EXPERT
  • 18,907 POSTS
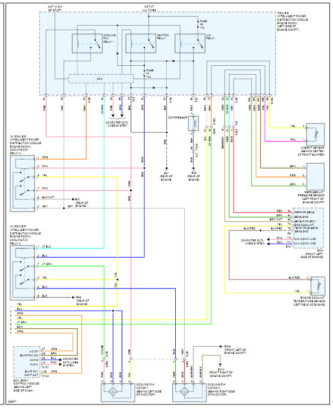
The easiest way to find out if there is an electrical issue causing the compressor to not come on is to just go to the compressor with the engine on and A/C on and check for voltage. If you have voltage then everything is working and it is most likely the compressor.

I have attached the wiring. Just go to the compressor on the white wire and check for voltage. If there is no voltage then we need to to go to the relay and suspect that is the issue.

Let us know if you have questions. Thanks
Aug 30, 2020 at 7:31 AM
Avatar
VIDRO30
  • MEMBER
  • 2 POSTS
Thank you Ken. I finally replaced the compressor and the A/C started working again. But now the weird thing is that if I leave the car parked with the A/C running for 20 minutes, it cools down the cabin with air coming out of the vents at around 43F. But if I drive the car, the A/C suddenly stops after a few minutes. The compressor won't turn on again unless I wait for a few hours. I have to figure out what is happening. Might be a bad sensor.
Jun 7, 2021 at 7:45 AM
Avatar
KASEKENNY
  • CERTIFIED EXPERT
  • 18,907 POSTS
It could be a sensor but it sounds like we may have a pressure issue that is causing a sensor to tell the PCM to cut it off.

Let's check the high and low side pressures with the engine off and then the A/C running when it is working. Lastly take it for a drive and then check the pressures again and let us know what the PSI is. This will tell us if there is an issue with the system. If not, then we can dig into a sensor issue.

https://www.2carpros.com/articles/re-charge-an-air-conditioner-system

Below is a chart showing the possible issues with pressures. Let us know what happens. Thanks
Jun 7, 2021 at 8:08 PM